电脑桌面
添加小米粒文库到电脑桌面
安装后可以在桌面快捷访问

沥青混凝土面层和沥青碎(砾)石面层质量检验报告单VIP免费

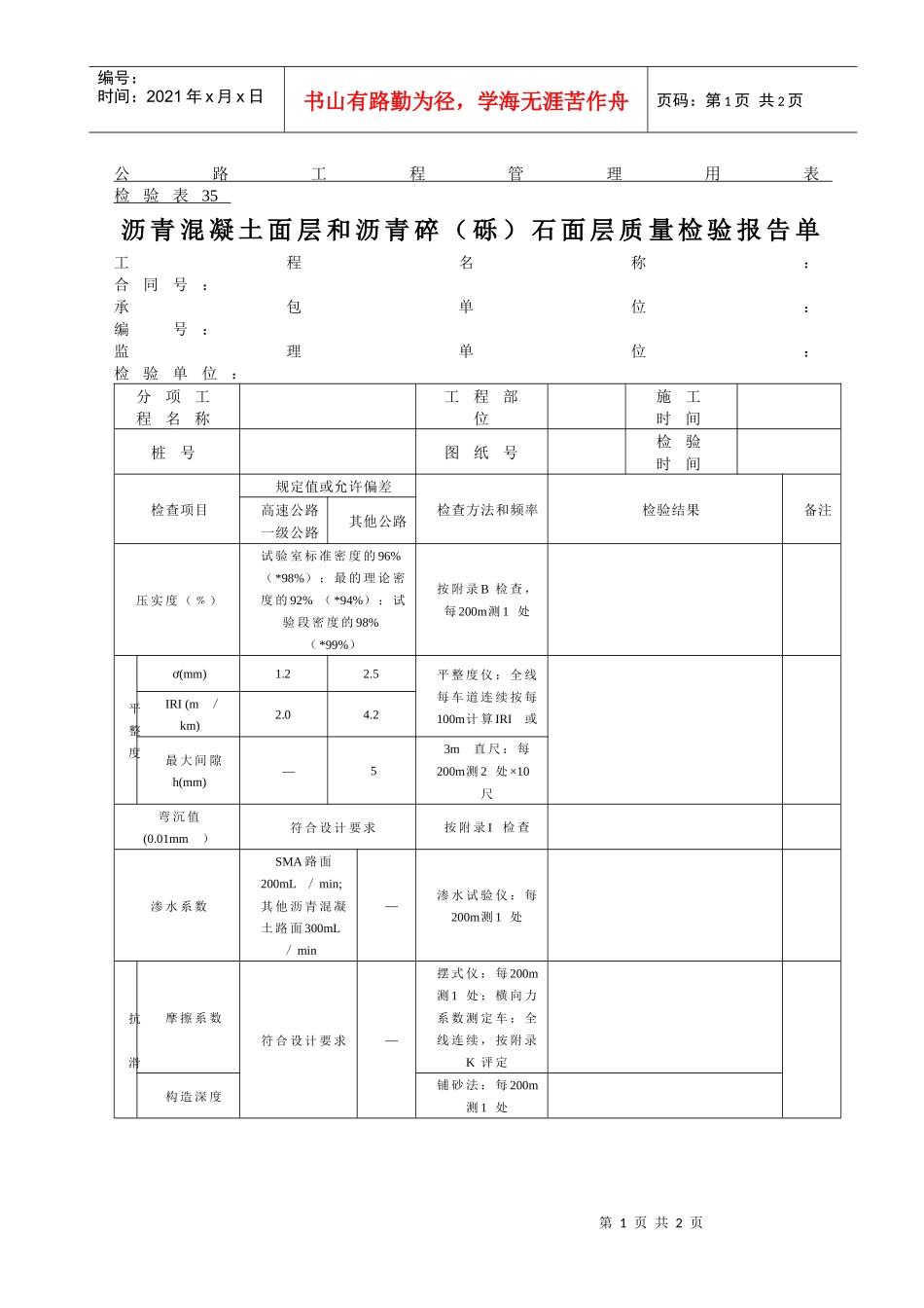
沥青混凝土面层和沥青碎(砾)石面层质量检验报告单_第1页
1/2
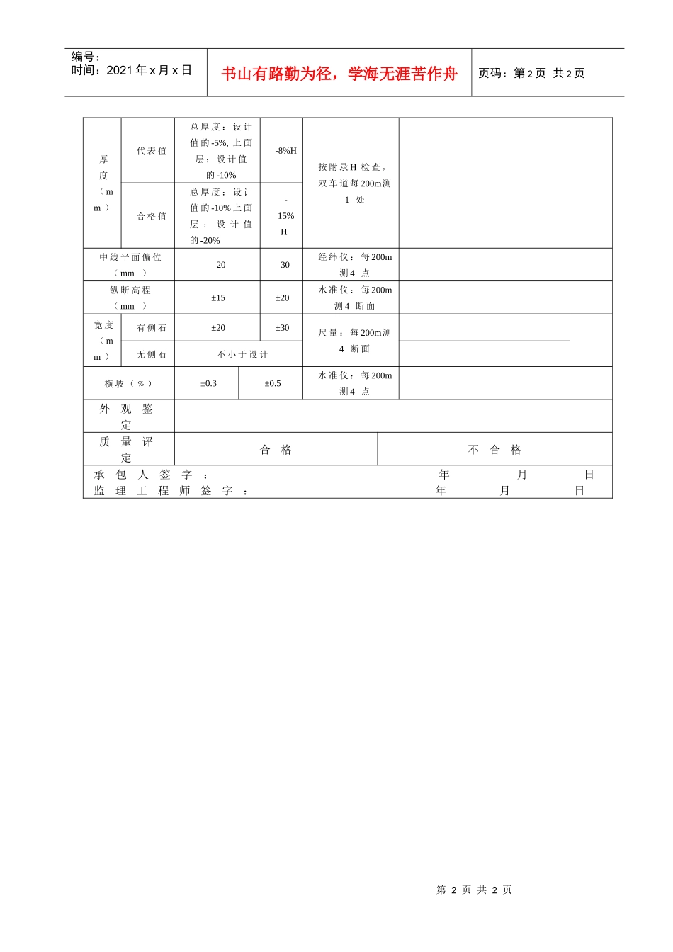
沥青混凝土面层和沥青碎(砾)石面层质量检验报告单_第2页
2/2
第1页共2页编号:时间:2021年x月x日书山有路勤为径,学海无涯苦作舟页码:第1页共2页公路工程管理用表检验表35沥青混凝土面层和沥青碎(砾)石面层质量检验报告单工程名称:合同号:承包单位:编号:监理单位:检验单位:分项工程名称工程部位施工时间桩号图纸号检验时间检查项目规定值或允许偏差检查方法和频率检验结果备注高速公路一级公路其他公路压实度(﹪)试验室标准密度的96%(*98%);最的理论密度的92%(*94%);试验段密度的98%(*99%)按附录B检查,每200m测1处平整度ơ(mm)1.22.5平整度仪:全线每车道连续按每100m计算IRI或IRI(m/km)2.04.2最大间隙h(mm)—53m直尺:每200m测2处×10尺弯沉值(0.01mm)符合设计要求按附录I检查渗水系数SMA路面200mL/min;其他沥青混凝土路面300mL/min—渗水试验仪:每200m测1处抗滑摩擦系数符合设计要求—摆式仪:每200m测1处;横向力系数测定车:全线连续,按附录K评定构造深度铺砂法:每200m测1处第2页共2页第1页共2页编号:时间:2021年x月x日书山有路勤为径,学海无涯苦作舟页码:第2页共2页厚度(mm)代表值总厚度:设计值的-5%,上面层:设计值的-10%-8%H按附录H检查,双车道每200m测1处合格值总厚度:设计值的-10%上面层:设计值的-20%-15%H中线平面偏位(mm)2030经纬仪:每200m测4点纵断高程(mm)±15±20水准仪:每200m测4断面宽度(mm)有侧石±20±30尺量:每200m测4断面无侧石不小于设计横坡(﹪)±0.3±0.5水准仪:每200m测4点外观鉴定质量评定合格不合格承包人签字:年月日监理工程师签字:年月日

1、当您付费下载文档后,您只拥有了使用权限,并不意味着购买了版权,文档只能用于自身使用,不得用于其他商业用途(如 [转卖]进行直接盈利或[编辑后售卖]进行间接盈利)。
2、本站所有内容均由合作方或网友上传,本站不对文档的完整性、权威性及其观点立场正确性做任何保证或承诺!文档内容仅供研究参考,付费前请自行鉴别。
3、如文档内容存在违规,或者侵犯商业秘密、侵犯著作权等,请点击“违规举报”。

碎片内容

沥青混凝土面层和沥青碎(砾)石面层质量检验报告单

您可能关注的文档

确认删除?
VIP
微信客服
  • 扫码咨询
会员Q群
  • 会员专属群点击这里加入QQ群
客服邮箱
回到顶部