电脑桌面
添加小米粒文库到电脑桌面
安装后可以在桌面快捷访问

混凝土台阶分项工程质量检验评定表VIP免费

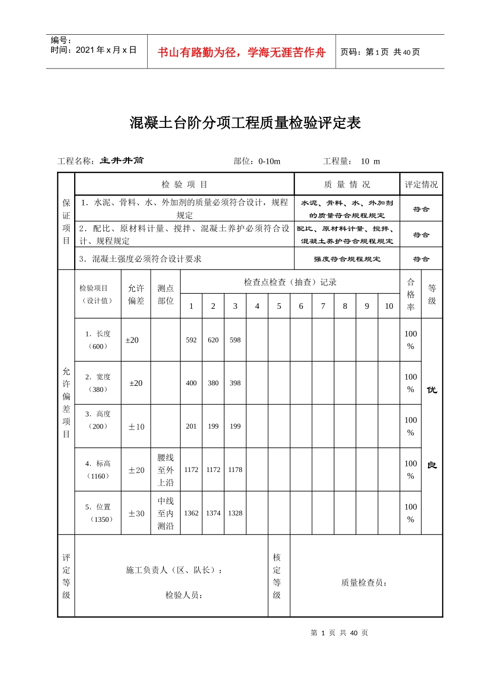
混凝土台阶分项工程质量检验评定表_第1页
1/40
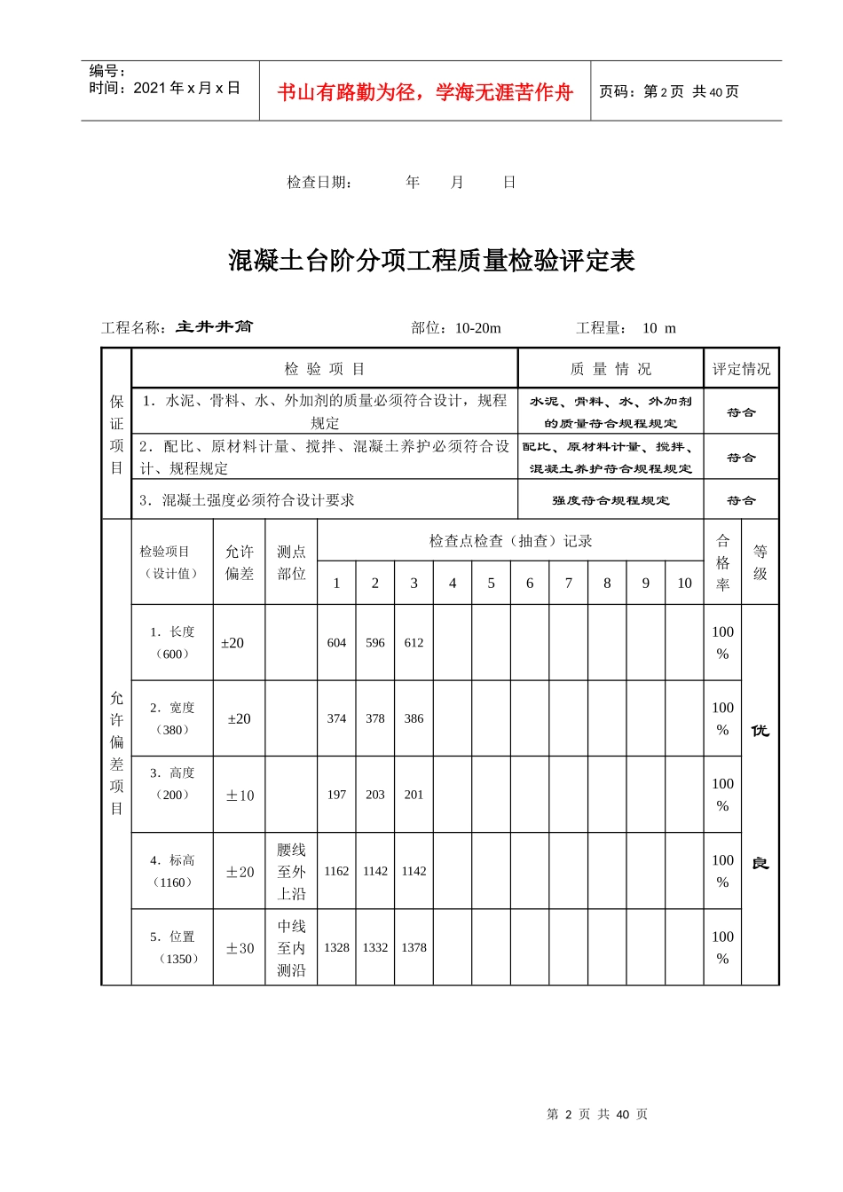
混凝土台阶分项工程质量检验评定表_第2页
2/40
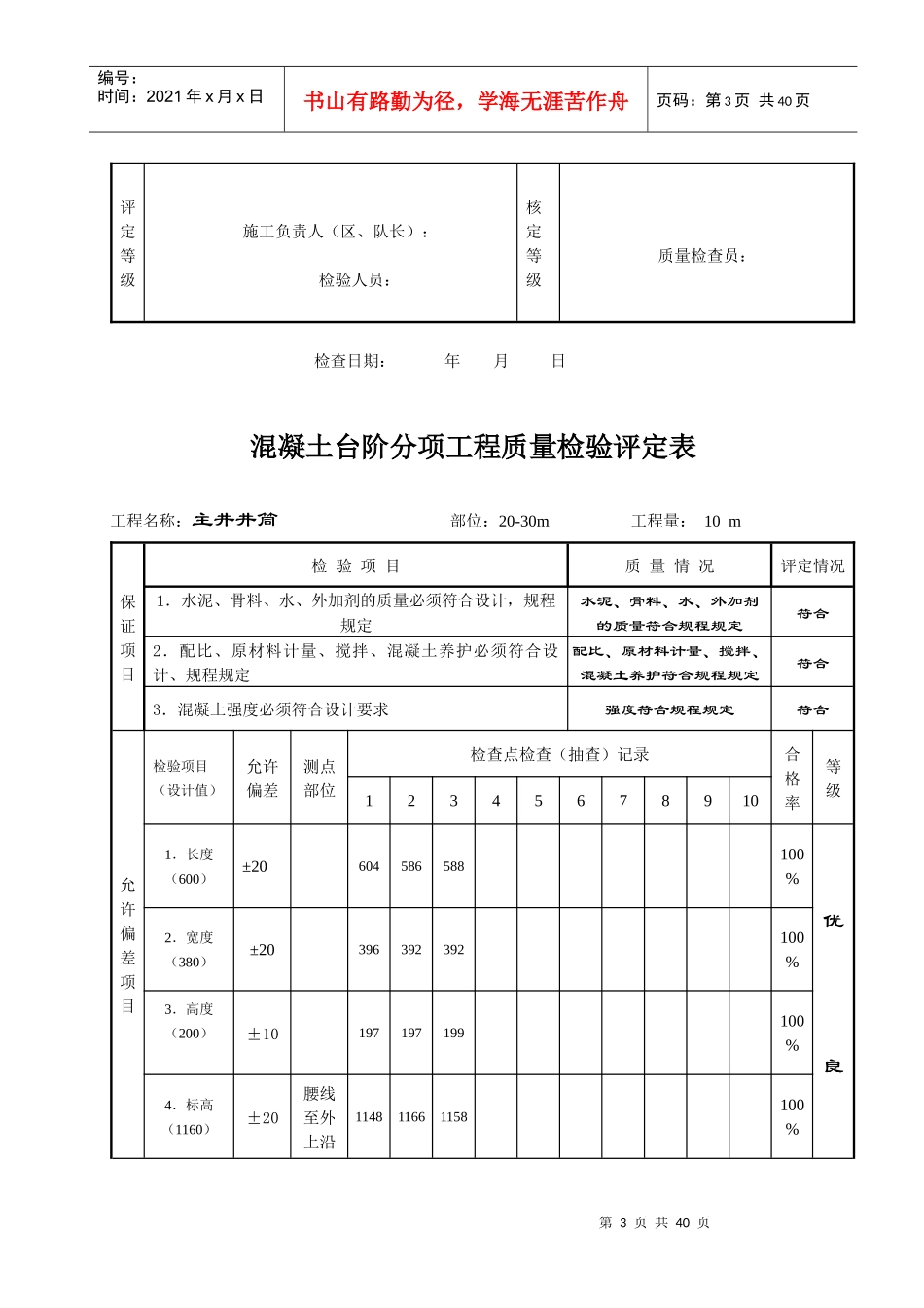
混凝土台阶分项工程质量检验评定表_第3页
3/40
第1页共40页编号:时间:2021年x月x日书山有路勤为径,学海无涯苦作舟页码:第1页共40页混凝土台阶分项工程质量检验评定表工程名称:主井井筒部位:0-10m工程量:10m保证项目检验项目质量情况评定情况1.水泥、骨料、水、外加剂的质量必须符合设计,规程规定水泥、骨料、水、外加剂的质量符合规程规定符合2.配比、原材料计量、搅拌、混凝土养护必须符合设计、规程规定配比、原材料计量、搅拌、混凝土养护符合规程规定符合3.混凝土强度必须符合设计要求强度符合规程规定符合允许偏差项目检验项目(设计值)允许偏差测点部位检查点检查(抽查)记录合格率等级123456789101.长度(600)±20592620598100%优良2.宽度(380)±20400380398100%3.高度(200)±10201199199100%4.标高(1160)±20腰线至外上沿117211721178100%5.位置(1350)±30中线至内测沿136213741328100%评定等级施工负责人(区、队长):检验人员:核定等级质量检查员:第2页共40页第1页共40页编号:时间:2021年x月x日书山有路勤为径,学海无涯苦作舟页码:第2页共40页检查日期:年月日混凝土台阶分项工程质量检验评定表工程名称:主井井筒部位:10-20m工程量:10m保证项目检验项目质量情况评定情况1.水泥、骨料、水、外加剂的质量必须符合设计,规程规定水泥、骨料、水、外加剂的质量符合规程规定符合2.配比、原材料计量、搅拌、混凝土养护必须符合设计、规程规定配比、原材料计量、搅拌、混凝土养护符合规程规定符合3.混凝土强度必须符合设计要求强度符合规程规定符合允许偏差项目检验项目(设计值)允许偏差测点部位检查点检查(抽查)记录合格率等级123456789101.长度(600)±20604596612100%优良2.宽度(380)±20374378386100%3.高度(200)±10197203201100%4.标高(1160)±20腰线至外上沿116211421142100%5.位置(1350)±30中线至内测沿132813321378100%第3页共40页第2页共40页编号:时间:2021年x月x日书山有路勤为径,学海无涯苦作舟页码:第3页共40页评定等级施工负责人(区、队长):检验人员:核定等级质量检查员:检查日期:年月日混凝土台阶分项工程质量检验评定表工程名称:主井井筒部位:20-30m工程量:10m保证项目检验项目质量情况评定情况1.水泥、骨料、水、外加剂的质量必须符合设计,规程规定水泥、骨料、水、外加剂的质量符合规程规定符合2.配比、原材料计量、搅拌、混凝土养护必须符合设计、规程规定配比、原材料计量、搅拌、混凝土养护符合规程规定符合3.混凝土强度必须符合设计要求强度符合规程规定符合允许偏差项目检验项目(设计值)允许偏差测点部位检查点检查(抽查)记录合格率等级123456789101.长度(600)±20604586588100%优良2.宽度(380)±20396392392100%3.高度(200)±10197197199100%4.标高(1160)±20腰线至外上沿114811661158100%第4页共40页第3页共40页编号:时间:2021年x月x日书山有路勤为径,学海无涯苦作舟页码:第4页共40页5.位置(1350)±30中线至内测沿137213361322100%评定等级施工负责人(区、队长):检验人员:核定等级质量检查员:检查日期:年月日混凝土台阶分项工程质量检验评定表工程名称:主井井筒部位:30-40m工程量:10m保证项目检验项目质量情况评定情况1.水泥、骨料、水、外加剂的质量必须符合设计,规程规定水泥、骨料、水、外加剂的质量符合规程规定符合2.配比、原材料计量、搅拌、混凝土养护必须符合设计、规程规定配比、原材料计量、搅拌、混凝土养护符合规程规定符合3.混凝土强度必须符合设计要求强度符合规程规定符合允许偏差项目检验项目(设计值)允许偏差测点部位检查点检查(抽查)记录合格率等级123456789101.长度(600)±20584606610100%优良2.宽度(380)±20386386386100%3.高度(200)±10197203203100%第5页共40页第4页共40页编号:时间:2021年x月x日书山有路勤为径,学海无涯苦作舟页码:第5页共40页4.标高(1160)±20腰线至外上沿116611781160100%5.位置(1350)±30中线至内测沿133413581328100%评定等级施工负责人(区、队长):检验人员:核定等级质量检查员:检查日期:年月日混凝...

1、当您付费下载文档后,您只拥有了使用权限,并不意味着购买了版权,文档只能用于自身使用,不得用于其他商业用途(如 [转卖]进行直接盈利或[编辑后售卖]进行间接盈利)。
2、本站所有内容均由合作方或网友上传,本站不对文档的完整性、权威性及其观点立场正确性做任何保证或承诺!文档内容仅供研究参考,付费前请自行鉴别。
3、如文档内容存在违规,或者侵犯商业秘密、侵犯著作权等,请点击“违规举报”。

碎片内容

混凝土台阶分项工程质量检验评定表

确认删除?
VIP
微信客服
  • 扫码咨询
会员Q群
  • 会员专属群点击这里加入QQ群
客服邮箱
回到顶部