电脑桌面
添加小米粒文库到电脑桌面
安装后可以在桌面快捷访问

质量手册目录修改VIP免费

质量手册目录修改_第1页
1/2
质量手册目录修改_第2页
2/2
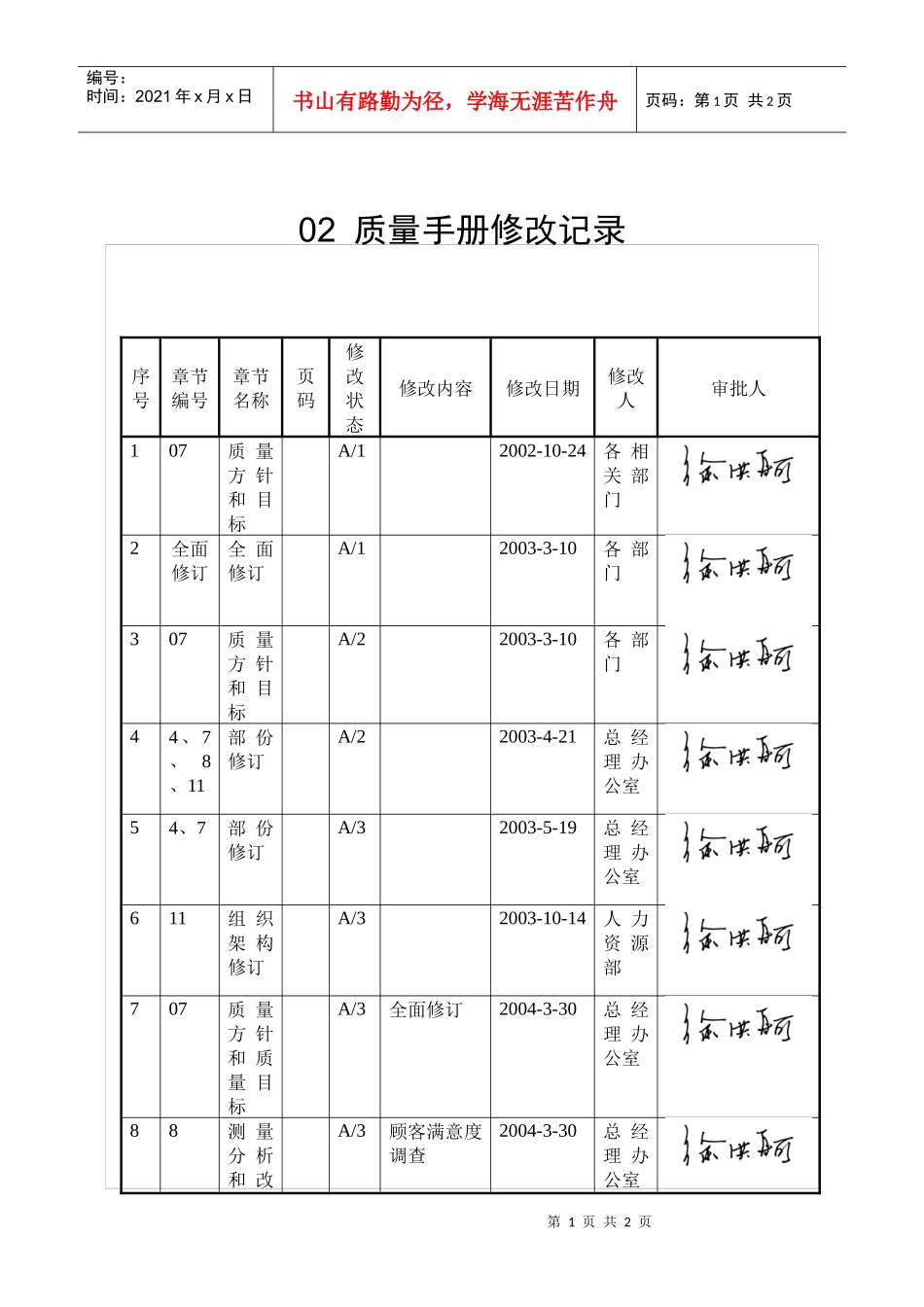
第1页共2页编号:时间:2021年x月x日书山有路勤为径,学海无涯苦作舟页码:第1页共2页02质量手册修改记录序号章节编号章节名称页码修改状态修改内容修改日期修改人审批人107质量方针和目标A/12002-10-24各相关部门2全面修订全面修订A/12003-3-10各部门307质量方针和目标A/22003-3-10各部门44、7、8、11部份修订A/22003-4-21总经理办公室54、7部份修订A/32003-5-19总经理办公室611组织架构修订A/32003-10-14人力资源部707质量方针和质量目标A/3全面修订2004-3-30总经理办公室88测量分析和改A/3顾客满意度调查2004-3-30总经理办公室第2页共2页第1页共2页编号:时间:2021年x月x日书山有路勤为径,学海无涯苦作舟页码:第2页共2页序号章节编号章节名称页码修改状态修改内容修改日期修改人审批人进

1、当您付费下载文档后,您只拥有了使用权限,并不意味着购买了版权,文档只能用于自身使用,不得用于其他商业用途(如 [转卖]进行直接盈利或[编辑后售卖]进行间接盈利)。
2、本站所有内容均由合作方或网友上传,本站不对文档的完整性、权威性及其观点立场正确性做任何保证或承诺!文档内容仅供研究参考,付费前请自行鉴别。
3、如文档内容存在违规,或者侵犯商业秘密、侵犯著作权等,请点击“违规举报”。

碎片内容

质量手册目录修改

确认删除?
VIP
微信客服
  • 扫码咨询
会员Q群
  • 会员专属群点击这里加入QQ群
客服邮箱
回到顶部