电脑桌面
添加小米粒文库到电脑桌面
安装后可以在桌面快捷访问

成都某路桥公司施工文档之混凝土钢筋工序质量评定表VIP免费

成都某路桥公司施工文档之混凝土钢筋工序质量评定表_第1页
1/2
成都某路桥公司施工文档之混凝土钢筋工序质量评定表_第2页
2/2
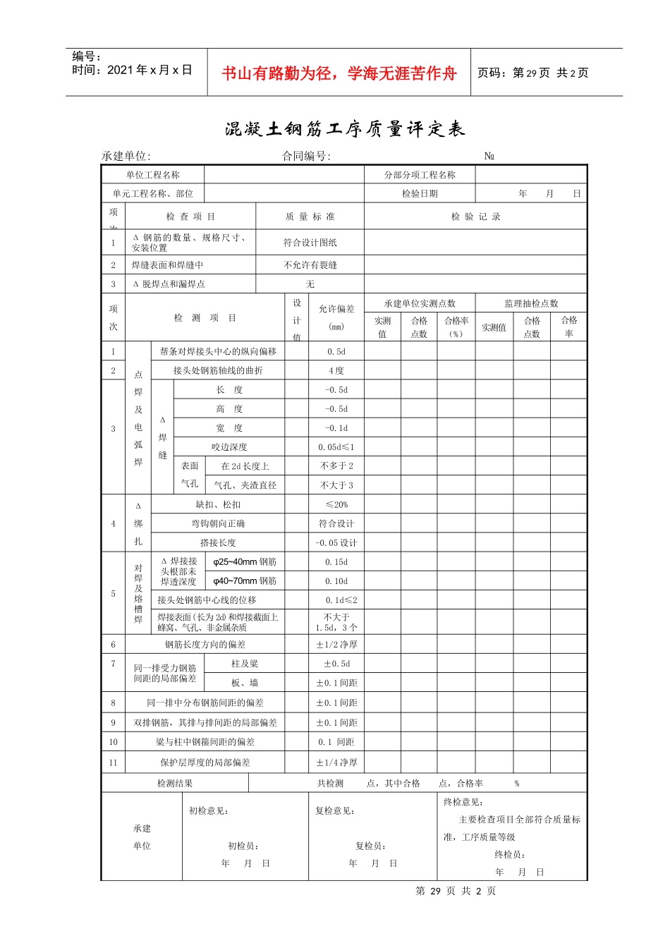
第29页共2页编号:时间:2021年x月x日书山有路勤为径,学海无涯苦作舟页码:第29页共2页混凝土钢筋工序质量评定表承建单位:合同编号:№单位工程名称分部分项工程名称单元工程名称、部位检验日期年月日项次检查项目质量标准检验记录1Δ钢筋的数量、规格尺寸、安装位置符合设计图纸2焊缝表面和焊缝中不允许有裂缝3Δ脱焊点和漏焊点无项次检测项目设计值允许偏差(mm)承建单位实测点数监理抽检点数实测值合格点数合格率(%)实测值合格点数合格率(%)1点焊及电弧焊帮条对焊接头中心的纵向偏移0.5d2接头处钢筋轴线的曲折4度3Δ焊缝长度-0.5d高度-0.5d宽度-0.1d咬边深度0.05d≤1表面气孔夹渣在2d长度上不多于2个气孔、夹渣直径不大于34Δ绑扎缺扣、松扣≤20%弯钩朝向正确符合设计搭接长度-0.05设计5对焊及熔槽焊Δ焊接接头根部未焊透深度φ25~40mm钢筋0.15dφ40~70mm钢筋0.10d接头处钢筋中心线的位移0.1d≤2焊接表面(长为2d)和焊接截面上蜂窝、气孔、非金属杂质不大于1.5d,3个6钢筋长度方向的偏差±1/2净厚7同一排受力钢筋间距的局部偏差柱及粱±0.5d板、墙±0.1间距8同一排中分布钢筋间距的偏差±0.1间距9双排钢筋,其排与排间距的局部偏差±0.1间距10粱与柱中钢箍间距的偏差0.1间距11保护层厚度的局部偏差±1/4净厚检测结果共检测点,其中合格点,合格率%承建单位初检意见:初检员:年月日复检意见:复检员:年月日终检意见:主要检查项目全部符合质量标准,工序质量等级终检员:年月日第30页共2页第29页共2页编号:时间:2021年x月x日书山有路勤为径,学海无涯苦作舟页码:第30页共2页监理单位主要检查项目全部符合质量标准,工序质量核定等级监理工程师:年月日

1、当您付费下载文档后,您只拥有了使用权限,并不意味着购买了版权,文档只能用于自身使用,不得用于其他商业用途(如 [转卖]进行直接盈利或[编辑后售卖]进行间接盈利)。
2、本站所有内容均由合作方或网友上传,本站不对文档的完整性、权威性及其观点立场正确性做任何保证或承诺!文档内容仅供研究参考,付费前请自行鉴别。
3、如文档内容存在违规,或者侵犯商业秘密、侵犯著作权等,请点击“违规举报”。

碎片内容

成都某路桥公司施工文档之混凝土钢筋工序质量评定表

确认删除?
VIP
微信客服
  • 扫码咨询
会员Q群
  • 会员专属群点击这里加入QQ群
客服邮箱
回到顶部