电脑桌面
添加小米粒文库到电脑桌面
安装后可以在桌面快捷访问

1认证能力范围(点击下载)-北京市产品质量监督检验所VIP免费

1认证能力范围(点击下载)-北京市产品质量监督检验所_第1页
1/126
1认证能力范围(点击下载)-北京市产品质量监督检验所_第2页
2/126
1认证能力范围(点击下载)-北京市产品质量监督检验所_第3页
3/126
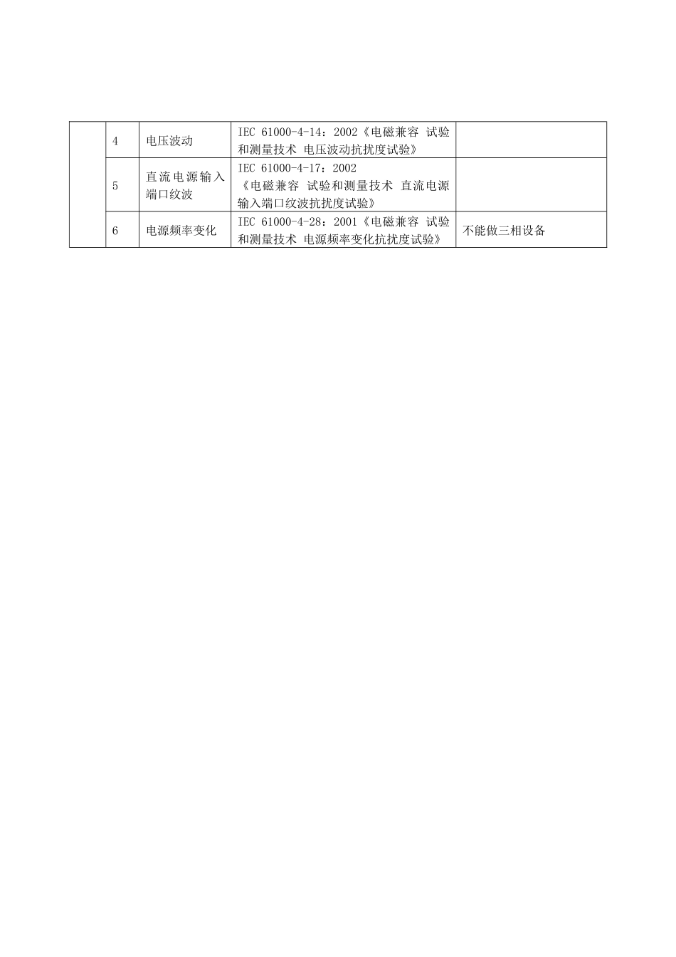
批准北京市产品质量监督检验所计量认证的产品(参数)证书号:2004010143Z第1页共25页序号产品(参数)名称标准/规范名称及代号限制范围或说明1信息技术设备1电源端子骚扰电压GB9254-1998《信息技术设备的无线电骚扰限值和测量方法》idtCISPR22:19972辐射骚扰3静电放电抗扰度试验GB/T17618-1998《信息技术设备抗扰限值和测量方法》idtCISPR24:19974射频电磁场辐射抗扰度试验5电快速瞬变脉冲群抗扰度试验6浪涌(或冲击)抗扰度试验7射频场感应的传导骚扰抗扰度8工频磁场抗扰度试验9电压短时中断和电压变化暂降抗扰度试验2信息技术设备及家用电器不能做三相设备1谐波电流GB17625.1-2003《电磁兼容限值谐波电流发射限值(设备每相输入电流≤16A)》IEC61000-3-2:20012电压波动和闪烁GB17625.2-1999《对额定电流不大于16A的设备在低压供电系统中产生的电压波动和闪烁的限值》IEC61000-3-3:1994不能做三相设备3谐波/间谐波IEC61000-4-13:2002《电磁兼容试验和测量技术谐波和间谐波抗扰度试验》不能做三相设备4电压波动IEC61000-4-14:2002《电磁兼容试验和测量技术电压波动抗扰度试验》5直流电源输入端口纹波IEC61000-4-17:2002《电磁兼容试验和测量技术直流电源输入端口纹波抗扰度试验》6电源频率变化IEC61000-4-28:2001《电磁兼容试验和测量技术电源频率变化抗扰度试验》不能做三相设备第2页共25页序号产品(参数)名称标准/规范名称及代号限制范围或说明7直流电压暂降、短时中断IEC61000-4-29:2000《直流电源输入端口电压暂降、短时中断和电压变化抗扰度试验》8静电放电抗扰度试验GB/T17626.2-1998《电磁兼容试验和测量技术静电放电抗扰度试验》IEC61000-4-2:19959射频电磁场辐射抗扰度试验GB/T17626.3-1998《电磁兼容试验和测量技术射频电磁场辐射抗扰度试验》IEC61000-4-3:199510电快速瞬变脉冲群抗扰度试验GB/T17626.4-1998《电磁兼容试验和测量技术电快速瞬变脉冲群抗扰度试验》IEC61000-4-4:1995不能做三相设备11浪涌(或冲击)抗扰度试验GB/T17626.5-1999《电磁兼容试验和测量技术浪涌(冲击)抗扰度试验》IEC61000-4-5:1995不能做三相设备12射频场感应的传导骚扰抗扰度GB/T17626.6-1998《电磁兼容试验和测量技术射频场感应的传导骚扰抗扰度》IEC61000-4-6:199613工频磁场抗扰度试验GB/T17626.8-1998《电磁兼容试验和测量技术工频磁场抗扰度试验》IEC61000-4-8:199314脉冲磁场抗扰度试验GB/T17626.9-1998《电磁兼容试验和测量技术脉冲磁场抗扰度试验》IEC61000-4-9:199315电压短时中断和电压变化暂降抗扰度试验GB/T17626.11-1999《电磁兼容试验和测量技术电压暂降、短时中断和电压变化的抗扰度试验》IEC61000-4-11:19943音视频设备GB13837-2003《声音和电视广播接收机及有关设备无线电骚扰特性限值和测量方法》IEC/CISPR13:2001不能做数字电视机1电源端骚扰电压2骚扰功率4家用电器、电动工具和类似器具1电源端子骚扰GB4343.1-2003《电磁兼容家用电器、电动工具和类似器具的要求第一部分:发射》2骚扰功率3辐射骚扰不能做大型设备4断续骚扰5静电放电GB4343.2-2003《电磁兼容家用电器、电动工具和类似器具的要求第二部分:抗扰度——产品类标准》6电快速瞬变不能做三相设备7注入电流不能做三相设备第3页共25页序号产品(参数)名称标准/规范名称及代号限制范围或说明8射频电磁场9浪涌不能做三相设备10电压暂降和短时中断不能做三相设备5VCD视盘机SJ/T10730-1997《VCD视盘机通用规范》不能做音频互调失真6机动车防盗报警器DB11/108-1998《机动车防盗报警器报警控制标准》7汽车防盗报警器GA2-1999《车辆防盗报警系统小客车》IEC839-10-1:19958语言复读机SJ/T11238-2001《语言复读机通用规范》9微型数字电子计算机GB/T9813-2000《微型计算机通用规范》不能做噪声10家用电子游戏机SJ/T10360-1993《家用电子游戏机通用技术条件》11学习机GB/T17541-1998《学习机通用规范》12人民币伪钞鉴别仪GB16999-1997《人民币伪钞鉴别仪》13税控收款机GB18240.1-2003《税控收款机第1部分:机器部分》14信息技术处理设备类GB4943-2001《信息技术设备的安全》IEC60950:1999不能做显示器、激光...

1、当您付费下载文档后,您只拥有了使用权限,并不意味着购买了版权,文档只能用于自身使用,不得用于其他商业用途(如 [转卖]进行直接盈利或[编辑后售卖]进行间接盈利)。
2、本站所有内容均由合作方或网友上传,本站不对文档的完整性、权威性及其观点立场正确性做任何保证或承诺!文档内容仅供研究参考,付费前请自行鉴别。
3、如文档内容存在违规,或者侵犯商业秘密、侵犯著作权等,请点击“违规举报”。

碎片内容

1认证能力范围(点击下载)-北京市产品质量监督检验所

确认删除?
VIP
微信客服
  • 扫码咨询
会员Q群
  • 会员专属群点击这里加入QQ群
客服邮箱
回到顶部