电脑桌面
添加小米粒文库到电脑桌面
安装后可以在桌面快捷访问

人防工程质量验收记录表258VIP专享VIP免费

人防工程质量验收记录表258_第1页
1/125
人防工程质量验收记录表258_第2页
2/125
人防工程质量验收记录表258_第3页
3/125
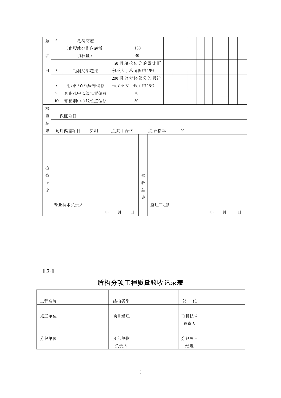
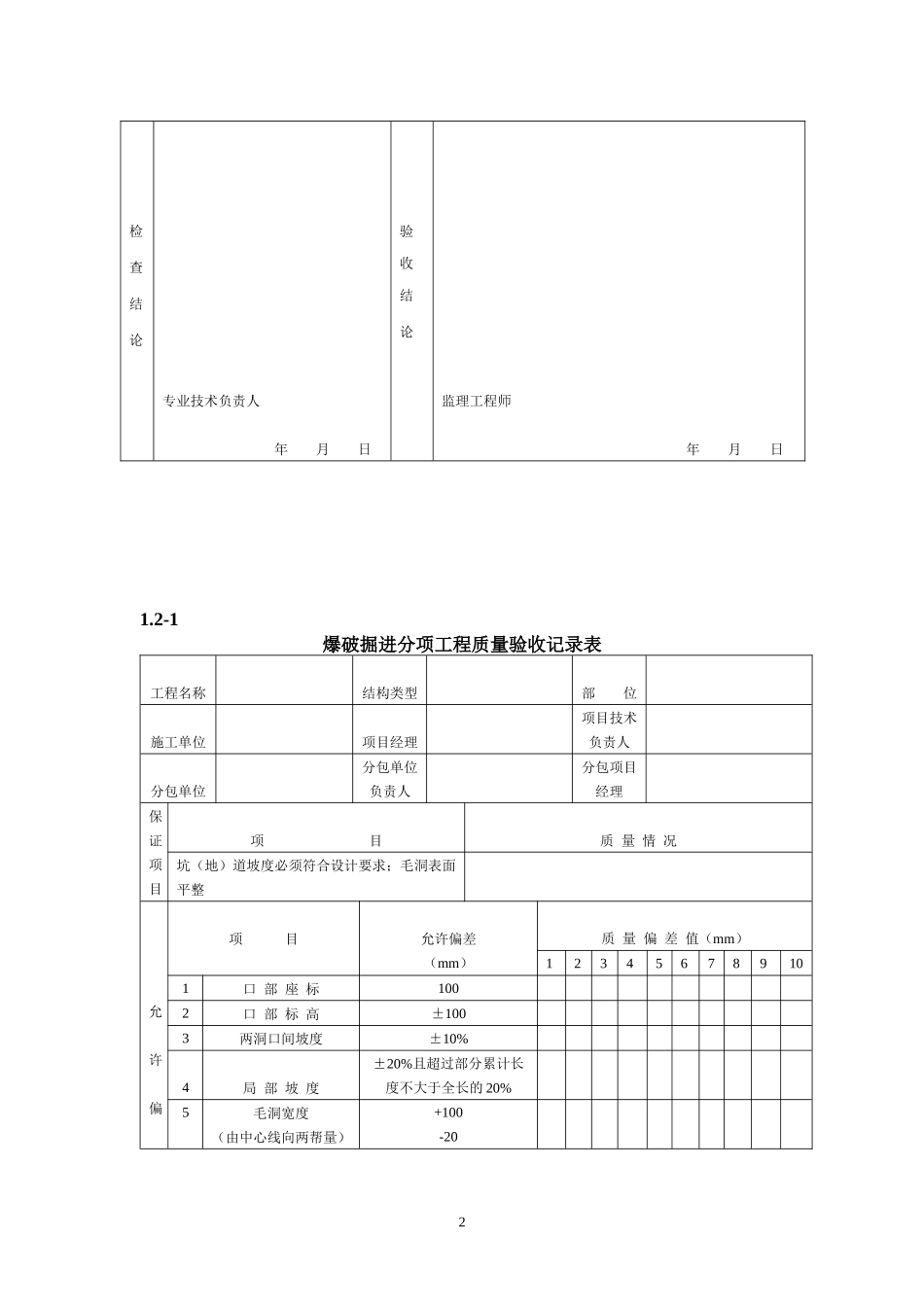
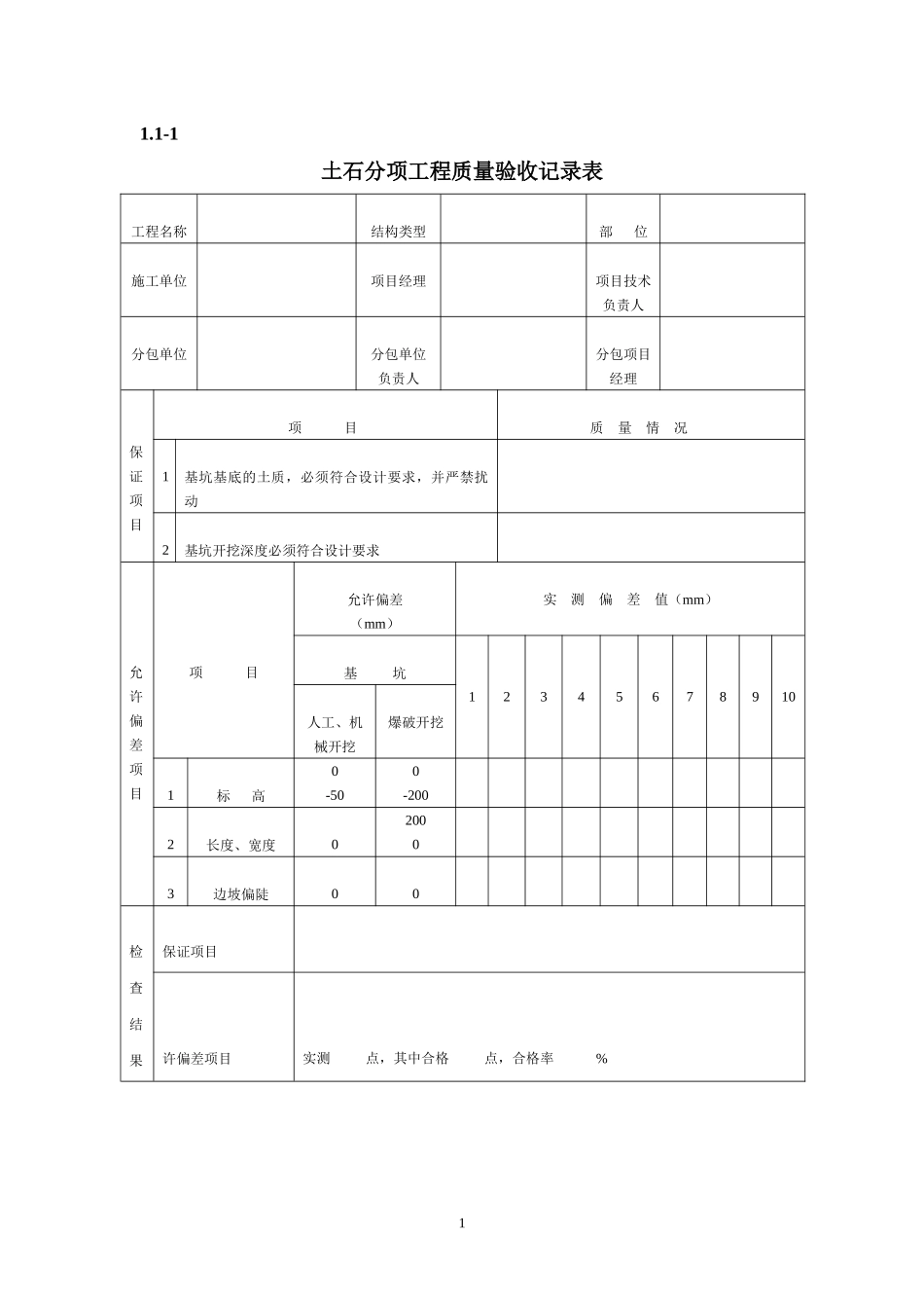
1.1-1土石分项工程质量验收记录表工程名称结构类型部位施工单位项目经理项目技术负责人分包单位分包单位负责人分包项目经理保证项目项目质量情况1基坑基底的土质,必须符合设计要求,并严禁扰动2基坑开挖深度必须符合设计要求允许偏差项目项目允许偏差(mm)实测偏差值(mm)基坑12345678910人工、机械开挖爆破开挖1标高0-500-2002长度、宽度020003边坡偏陡00检查结果保证项目许偏差项目实测点,其中合格点,合格率%1检查结论专业技术负责人年月日验收结论监理工程师年月日1.2-1爆破掘进分项工程质量验收记录表工程名称结构类型部位施工单位项目经理项目技术负责人分包单位分包单位负责人分包项目经理保证项目项目质量情况坑(地)道坡度必须符合设计要求;毛洞表面平整允许偏项目允许偏差(mm)质量偏差值(mm)123456789101口部座标1002口部标高±1003两洞口间坡度±10%4局部坡度±20%且超过部分累计长度不大于全长的20%5毛洞宽度(由中心线向两帮量)+100-202差项目6毛洞高度(由腰线分别向底板、顶板量)+100-307毛洞局部超挖150且超挖部分的累计面积不大于总面积的15%8毛洞中心线局部偏移200且偏旁移部分的累计长度不大于长度的15%9预留孔中心线位置偏移2010预留洞中心线位置偏移50检查结果保证项目允许偏差项目实测点,其中合格点,合格率%检查结论专业技术负责人年月日验收结论监理工程师年月日1.3-1盾构分项工程质量验收记录表工程名称结构类型部位施工单位项目经理项目技术负责人分包单位分包单位负责人分包项目经理3保证项目项目质量情况1盾构工作井的位置和规格必须符合设计要求和施工规范规定2衬砌管片的质量必须符合设计要求3衬砌管片的拼接和接缝防水处理必须符合设计要求和施工规范规定4盾构掘进完成后,地表变形值、地道沉降量必须符合要求允许偏差项目项目允许偏差(mm)实测偏差值(mm)123456789101衬砌环圆环面平整度52衬砌环椭圆度203实砌环环缝宽度34实砌环纵缝张角宽度35地道轴线水平方向偏移50垂直方向偏移±50检查结果保证项目允许偏差项目实测点,其中合格点,合格率%检查结论专业技术负责人年月日验收结论监理工程师年月日41.4-1沉井分项工程质量验收记录表工程名称结构类型部位施工单位项目经理项目技术负责人分包单位分包单位负责人分包项目经理保证项目项目质量情况1混凝土抗压强度和抗渗等级必须符合设计要求和施工规范的规定2沉井的封底必须符合设计要求和施工规范的规定允许偏差项目项目允许偏差(mm)实测偏差值(mm)123456789101井制作质量平面尺寸长度、宽度±l/200且≯1002曲线部分半径±r/200且≯503对角线差b/1004井壁厚度±155井下沉后质量刃脚平均标高±1006底面中心位置偏移H>10mH/100H≤10m1007刃脚底面高差L>10mL/100且≯300L≤10m100检查结果保证项目允许偏差项目实测点,其中合格点,合格率%5检查结论专业技术负责人年月日验收结论监理工程师年月日注:l为长度或宽度;r为半径;b为对角线长;H为下沉总深度;L为最高与最低两角间距离。1.5-1地下连续墙分项工程质量验收记录表工程名称结构类型部位施工单位项目经理项目技术负责人分包单位分包单位负责人分包项目经理保证项目项目质量情况1所用原材料、混凝土坑压强度、抗渗等级必须符合设计要求和施工规范的规定2挖槽的平面位置、深度、宽度和垂直度必须符合设计要求3泥浆配制质量、稳定性,槽底清理和置换泥浆,必须符合施工规范的规定基本项目项目质量情况等级123456789101钢筋骨架和预埋管件2连续墙裸露墙面63连续墙的接头允许偏差项目项目允许偏差(mm)实测偏差值(mm)123456789101成墙后墙顶中心线偏差302凿去浮浆层后的墙顶标高±303裸露表面局部突出100检查结果保证项目基本项目检查项,其中优点项,优良率%允许偏差项目实测点,其中合格点,合格率%检查结论专业技术负责人年月日验收结论监理工程师年月日1.6-1打(压)桩分项工程质量验收记录表工程名称结构类型部位施工单位项目经理项目技术负责人分包单位分包单位负责人分包项目经理保项目质量情况7证项目1钢筋混凝土预制桩、木桩、钢板桩、钢管桩的质量必须符合设计要求和施工规范的规定2打(压)桩的标高或贯入度、桩...

1、当您付费下载文档后,您只拥有了使用权限,并不意味着购买了版权,文档只能用于自身使用,不得用于其他商业用途(如 [转卖]进行直接盈利或[编辑后售卖]进行间接盈利)。
2、本站所有内容均由合作方或网友上传,本站不对文档的完整性、权威性及其观点立场正确性做任何保证或承诺!文档内容仅供研究参考,付费前请自行鉴别。
3、如文档内容存在违规,或者侵犯商业秘密、侵犯著作权等,请点击“违规举报”。

碎片内容

人防工程质量验收记录表258

确认删除?
VIP
微信客服
  • 扫码咨询
会员Q群
  • 会员专属群点击这里加入QQ群
客服邮箱
回到顶部