电脑桌面
添加小米粒文库到电脑桌面
安装后可以在桌面快捷访问

审计领域相关资料VIP免费

审计领域相关资料_第1页
1/16
审计领域相关资料_第2页
2/16
审计领域相关资料_第3页
3/16
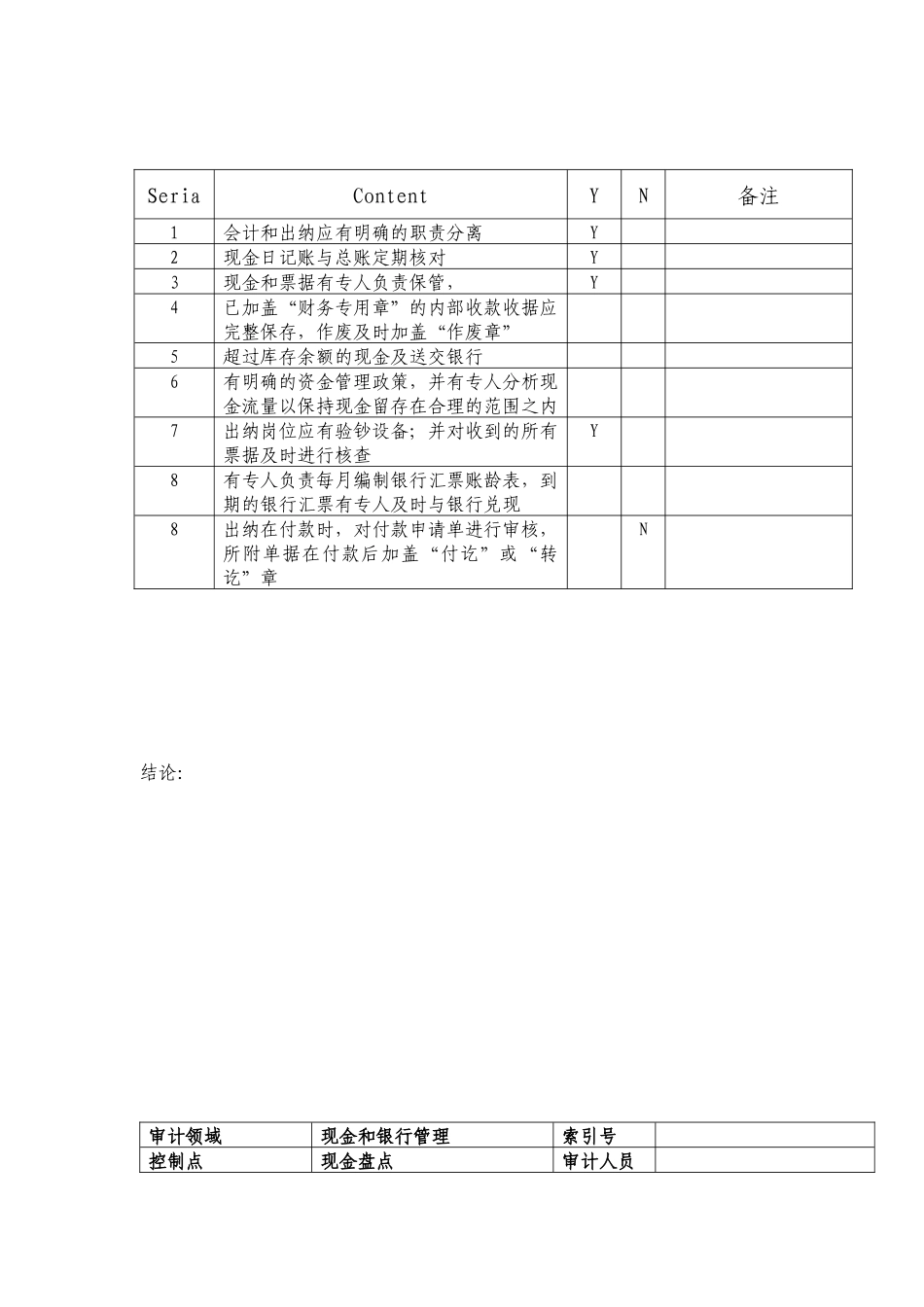
SeriaContentYN备注1会计和出纳应有明确的职责分离Y2现金日记账与总账定期核对Y3现金和票据有专人负责保管,Y4已加盖“财务专用章”的内部收款收据应完整保存,作废及时加盖“作废章”5超过库存余额的现金及送交银行6有明确的资金管理政策,并有专人分析现金流量以保持现金留存在合理的范围之内7出纳岗位应有验钞设备;并对收到的所有票据及时进行核查Y8有专人负责每月编制银行汇票账龄表,到期的银行汇票有专人及时与银行兑现8出纳在付款时,对付款申请单进行审核,所附单据在付款后加盖“付讫”或“转讫”章N结论:审计领域现金和银行管理索引号控制点现金盘点审计人员审计时间复核审计目的:库存现金与账面余额一致现金有定期和不定期的盘点审计方法:实地盘点现金与总账现金余额核对是否一致(盘点表作附件)获取现金保管人员的现金日盘点记录,确认现金保管人员是否每日库对存现金进行盘点获取得审计期间前二个月独立人员对会计部和核算部现金的盘点记录检查盘点差异的合理性,差异是否得到了及时的跟进抽样:盘点时间盘点人员与盘点金额与账面相符盘点记录均有签名是否有差异(如有,列明金额)差异是否有合理解释差异是否及时跟进备注抽样结果及发现:结论:审计领域现金和银行管理索引号控制点银行余额调节表审计人员审计时间复核审计目的:银行余额调节表每月由专人负责编制月末银行存款余款是准确和真实的审计方法:获取银行调节表,审核所有银行调节项目并讨论其调节项目的属性检查银行调节表的编制人员和审核人员的签名以确认调节项目经过独立人员审核检查银行调整项目的支持文件,确认调整项目是否合理检查调整项目是否及时跟进,对长时间未清理的调整项目进行调查抽样:抽取连续2个月份银行余额调节表调节表所属月份是否专人编制审核人员是否独立调节项目是否合理调节项目是否及时跟进备注抽样结果及发现:结论:审计领域现金和银行管理索引号控制点银行账户开立/撤销审计人员审计时间复核审计目的:开立和撤销账户均经过适当的审批审计方法:获取公司有关银行账户开立和撤销的管理程序和制度从以前的银行余额调节表与当前比较,获取开立、撤销的银行账户检查银行账户开立和撤销审批支持文件,确认银行账户的开立、撤销是否经过事前适当的审批抽样:银行账户号开立/销户日期事前适当审批备注抽样结果及发现结论:审计领域现金和银行管理索引号控制点对营业所银行存款管理审计人员审计时间复核审计目的:确认公司对营业所的银行账户有系统的管理政策,对营业所银行存款的货款有效利用,及时划转回公司审计方法:了解公司是否制订了对营业所银行存款的管理制度和程序了解公司划转营业所货款的最低银行存款额度抽取并审核营业所划转给公司资金的记录,确定是否对达到划转额度的营业所银行存款及时划回公司。抽样:选定一个营业所,抽取连续十次的划款记录营业所银行存款最高限额划转日期划转金额划转前营业所银行存款金额备注抽样结果及发现:结论:审计领域现金和银行管理索引号控制点银行支票管理审计人员审计时间复核审计目的:支票的保管和签发使用有严格的监控措施审计方法:了解公司是否制订支票保管和签发的程序和制度获取支票领、用、存登记簿,核对现存空白支票是否与登记簿相符,每次购买均适当审批并及时登记抽取一定数量的作废发票,检查是否完整保存,并已加盖“作废章”财务专用章、经理章和支票的保管有适当职责分离抽样:抽取10份作废支票支票号码已加盖作废章保存完整备注抽样结果及发现:结论:。审计领域帐务处理索引号控制点检查表审计人员审计时间复核SerialContentYN备注1所有发出的其他往来账借/贷项通知单,均有专人负责,并经过授权人员的审批2收到的借/贷项其他往来账通知单专人进行整理由负责人做必要的查询和复核,报送被授权人审批后方可进行账务处理3定期发放其他往来账对账单给相关公司与个人,核对余额,以确保余额的准确性4其他往来账对账差异,及时查找原因并进行相应的调整5定期编制其他应收等往来账的账龄分析报告,并由财务经理审阅6公司有明确的政策规定不同级别的费用预支...

1、当您付费下载文档后,您只拥有了使用权限,并不意味着购买了版权,文档只能用于自身使用,不得用于其他商业用途(如 [转卖]进行直接盈利或[编辑后售卖]进行间接盈利)。
2、本站所有内容均由合作方或网友上传,本站不对文档的完整性、权威性及其观点立场正确性做任何保证或承诺!文档内容仅供研究参考,付费前请自行鉴别。
3、如文档内容存在违规,或者侵犯商业秘密、侵犯著作权等,请点击“违规举报”。

碎片内容

审计领域相关资料

确认删除?
VIP
微信客服
  • 扫码咨询
会员Q群
  • 会员专属群点击这里加入QQ群
客服邮箱
回到顶部