电脑桌面
添加小米粒文库到电脑桌面
安装后可以在桌面快捷访问

1土石方工程质量评定表及填表说明(带目录)VIP专享VIP免费

1土石方工程质量评定表及填表说明(带目录)_第1页
1/109
1土石方工程质量评定表及填表说明(带目录)_第2页
2/109
1土石方工程质量评定表及填表说明(带目录)_第3页
3/109
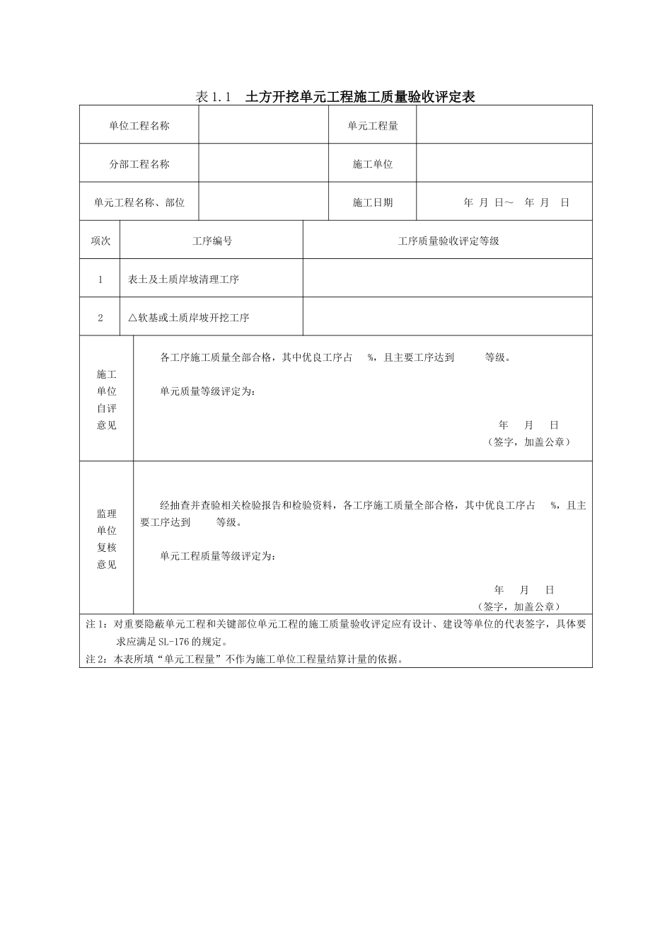
1.土石方工程表1.1土方开挖工程单元工程质量评定表..............................................................................25表1.1.1表土及土质岸坡清理工序施工质量验收评定表......................................................28表1.1.2软基或土质岸坡开挖工序施工质量验收评定表......................................................30表1.2岩石岸坡开挖工程单元工程质量评定表......................................................................32表1.2.1岩石岸坡开挖工序施工质量验收评定表..................................................................35表1.2.2岩石岸坡开挖地质缺陷处理工序施工质量验收评定表..........................................37表1.3岩石地基开挖单元工程单元工程质量评定表..............................................................39表1.3.1岩石地基开挖工序施工质量验收评定表..................................................................42表1.3.2岩石地基开挖地质缺陷处理工序施工质量验收评定表..........................................44表1.4岩石洞室开挖单元工程质量评定表..............................................................................46表1.5土质洞室开挖单元工程质量评定表..............................................................................48表1.6土料填筑单元工程单元工程质量评定表......................................................................50表1.6.1土料填筑结合面处理工序施工质量验收评定表......................................................53表1.6.2土料填筑卸料及铺填工序施工质量验收评定表......................................................55表1.6.3土料填筑土料压实工序施工质量验收评定表..........................................................57表1.6.4土料填筑接缝处理工序施工质量验收评定表..........................................................59表1.7砂砾料填筑单元工程质量评定表..................................................................................61表1.7.1砂砾料铺填工序施工质量验收评定表......................................................................64表1.7.2砂砾料压实工序施工质量验收评定表......................................................................66表1.8堆石料填筑单元工程质量评定表..................................................................................69表1.8.1堆石料铺填工序施工质量验收评定表......................................................................71表1.8.2堆石料压实工序施工质量验收评定表......................................................................73表1.9反滤(过渡)料填筑单元工程质量评定表..................................................................75表1.9.1反滤(过渡)料铺填工序施工质量验收评定表......................................................78表1.9.2反滤(过渡)料压实工序施工质量验收评定表......................................................80表1.10垫层工程单元工程质量评定表....................................................................................82表1.10.1垫层料铺填工序施工质量验收评定表....................................................................85表1.10.2垫层料压实工序施工质量验收评定表....................................................................87表1.11排水工程单元工程质量评定表....................................................................................89表1.12干砌石单元工程质量评定表....................................................................................91表1.13水泥砂浆砌石体单元工程质量评定表..........

1、当您付费下载文档后,您只拥有了使用权限,并不意味着购买了版权,文档只能用于自身使用,不得用于其他商业用途(如 [转卖]进行直接盈利或[编辑后售卖]进行间接盈利)。
2、本站所有内容均由合作方或网友上传,本站不对文档的完整性、权威性及其观点立场正确性做任何保证或承诺!文档内容仅供研究参考,付费前请自行鉴别。
3、如文档内容存在违规,或者侵犯商业秘密、侵犯著作权等,请点击“违规举报”。

碎片内容

1土石方工程质量评定表及填表说明(带目录)

确认删除?
VIP
微信客服
  • 扫码咨询
会员Q群
  • 会员专属群点击这里加入QQ群
客服邮箱
回到顶部