电脑桌面
添加小米粒文库到电脑桌面
安装后可以在桌面快捷访问

ISOTS16949查核表1VIP免费

ISOTS16949查核表1_第1页
1/35
ISOTS16949查核表1_第2页
2/35
ISOTS16949查核表1_第3页
3/35
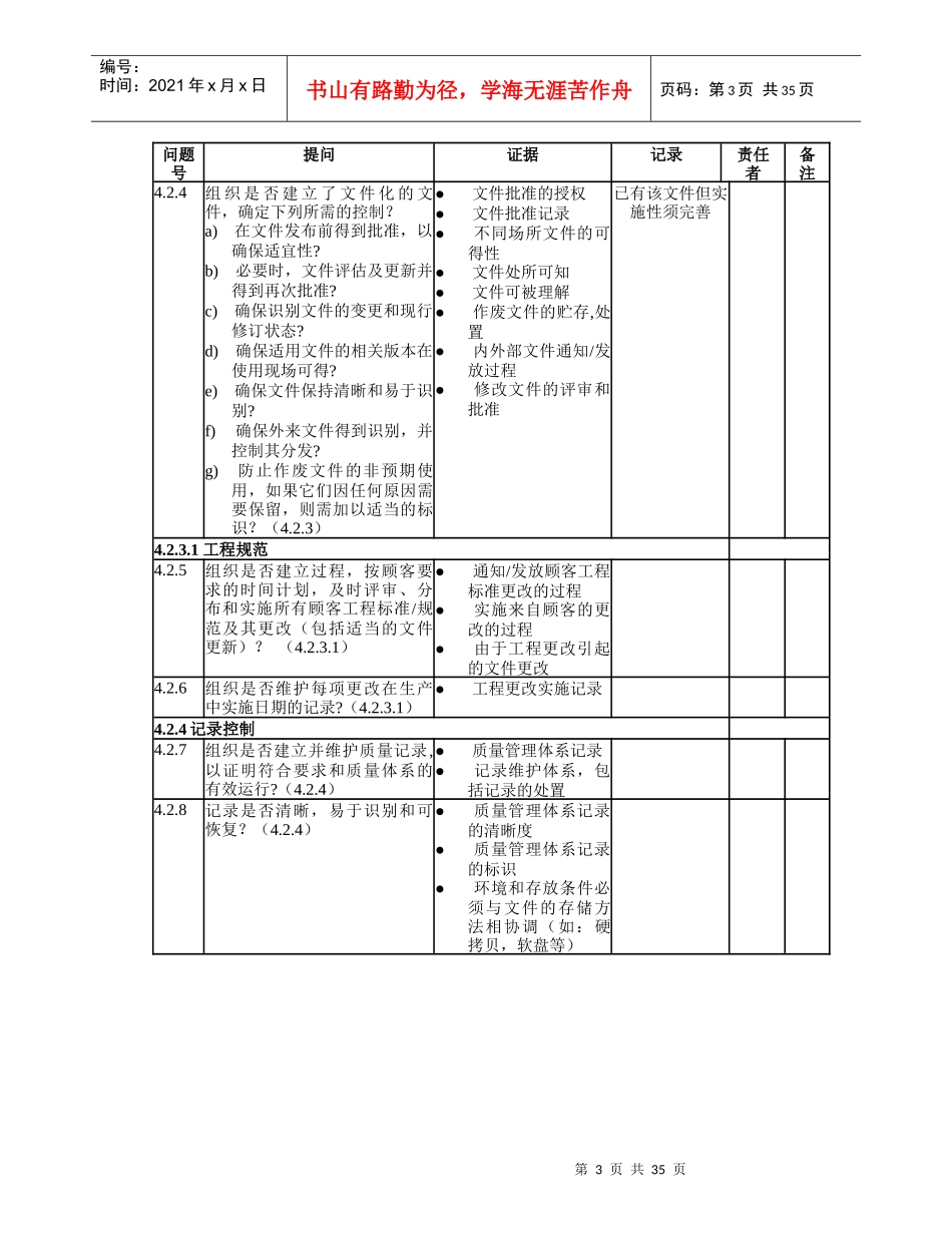
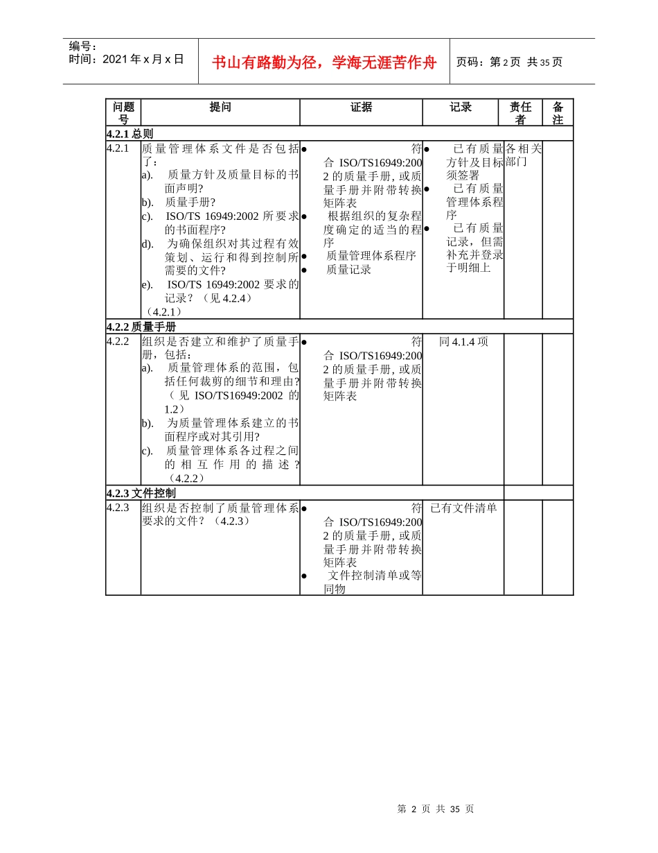
第1页共35页编号:时间:2021年x月x日书山有路勤为径,学海无涯苦作舟页码:第1页共35页问题号提问证据记录责任者备注4.0质量管理体系4.1总要求4.1.1组织是否按ISO/TS16949:2002的要求,建立并文件化质量管理体系?(4.1)●符合ISO/TS16949:2002的质量手册,或质量手册并附带转换矩阵表已有质量手册的初稿,但需补充相应的组织机构及岗位职责等支持性文件。4.1.2组织是否按ISO/TS16949:2002的要求,实施并维护其建立的质量管理体系?(4.1)●关键人员面谈●有效实施的例子须补充体系建立实施的记录4.1.3组织是否按ISO/TS16949:2002的要求,持续改进质量管理体系的有效性?(4.1.1.1)●质量管理体系持续改进项目的例子及其现状,不是纠正措施●管理评审结果须补充相应的记录尚未进行管理评审4.1.4组织的质量管理体系是否:a).识别质量管理体系所需要的过程以及它们在组织里的应用?b).确定这些过程的顺序和相互作用?c).确定为确保这些过程有效运作和控制所需要的准则和方法?(4.1.a,b,c)●符合ISO/TS16949:2002的质量手册,或质量手册并附带转换矩阵表已有质量手册的初稿,须补充识别质量管理体系所需要的过程以及对他们的相互作用进行描述4.1.5组织的质量管理体系是否:a).确保可以获得必要的资源和信息,以支持质量管理体系所需要的过程的有效运行和监控?b).测量、监控和分析质量管理体系所需要的过程?c).实施必要的措施,以实现这些过程所计划的结果和持续改进?(4.1.d,e,f)●评审了质量管理体系所有的要素,以确保其持续的适宜性和有效性●评审质量成本指标●管理评审会议记录,参加人员和适当频次●措施计划和跟踪已有质量体系所有要素的记录须补充质量成本指标的相关记录实施管理评审及相关措施计划和跟踪Gordon4.1.6组织是否按ISO/TS16949:2002要求管理其质量管理体系所需要的过程?(4.1)补充体系符合性评审的相关记录4.1.7组织是否确保对影响产品一致性的外部过程的控制?(4.1)4.1.8在质量管理体系中确定了对影响产品一致性的外部过程的控制吗?(4.1)●符合ISO/TS16949:2002的质量手册,或质量手册并附带转换矩阵表补充外包过程的识别4.2文件要求第2页共35页第1页共35页编号:时间:2021年x月x日书山有路勤为径,学海无涯苦作舟页码:第2页共35页问题号提问证据记录责任者备注4.2.1总则4.2.1质量管理体系文件是否包括了:a).质量方针及质量目标的书面声明?b).质量手册?c).ISO/TS16949:2002所要求的书面程序?d).为确保组织对其过程有效策划、运行和得到控制所需要的文件?e).ISO/TS16949:2002要求的记录?(见4.2.4)(4.2.1)●符合ISO/TS16949:2002的质量手册,或质量手册并附带转换矩阵表●根据组织的复杂程度确定的适当的程序●质量管理体系程序●质量记录●已有质量方针及目标须签署●已有质量管理体系程序●已有质量记录,但需补充并登录于明细上各相关部门4.2.2质量手册4.2.2组织是否建立和维护了质量手册,包括:a).质量管理体系的范围,包括任何裁剪的细节和理由?(见ISO/TS16949:2002的1.2)b).为质量管理体系建立的书面程序或对其引用?c).质量管理体系各过程之间的相互作用的描述?(4.2.2)●符合ISO/TS16949:2002的质量手册,或质量手册并附带转换矩阵表同4.1.4项4.2.3文件控制4.2.3组织是否控制了质量管理体系要求的文件?(4.2.3)●符合ISO/TS16949:2002的质量手册,或质量手册并附带转换矩阵表●文件控制清单或等同物已有文件清单第3页共35页第2页共35页编号:时间:2021年x月x日书山有路勤为径,学海无涯苦作舟页码:第3页共35页问题号提问证据记录责任者备注4.2.4组织是否建立了文件化的文件,确定下列所需的控制?a)在文件发布前得到批准,以确保适宜性?b)必要时,文件评估及更新并得到再次批准?c)确保识别文件的变更和现行修订状态?d)确保适用文件的相关版本在使用现场可得?e)确保文件保持清晰和易于识别?f)确保外来文件得到识别,并控制其分发?g)防止作废文件的非预期使用,如果它们因任何原因需要保留,则需加以适当的标识?(4.2.3)●文件批准的授权●文件批准记录●不同场所文件的可得性●文件处所可知●文件可被理解●作废文件的贮存,处置●...

1、当您付费下载文档后,您只拥有了使用权限,并不意味着购买了版权,文档只能用于自身使用,不得用于其他商业用途(如 [转卖]进行直接盈利或[编辑后售卖]进行间接盈利)。
2、本站所有内容均由合作方或网友上传,本站不对文档的完整性、权威性及其观点立场正确性做任何保证或承诺!文档内容仅供研究参考,付费前请自行鉴别。
3、如文档内容存在违规,或者侵犯商业秘密、侵犯著作权等,请点击“违规举报”。

碎片内容

ISOTS16949查核表1

您可能关注的文档

确认删除?
VIP
微信客服
  • 扫码咨询
会员Q群
  • 会员专属群点击这里加入QQ群
客服邮箱
回到顶部