电脑桌面
添加小米粒文库到电脑桌面
安装后可以在桌面快捷访问

风管系统安装检验批质量验收记录表1ⅠVIP免费

风管系统安装检验批质量验收记录表1Ⅰ_第1页
1/2
风管系统安装检验批质量验收记录表1Ⅰ_第2页
2/2
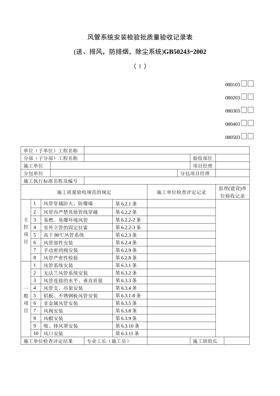
风管系统安装检验批质量验收记录表(送、排风,防排烟,除尘系统)GB50243-2002(Ⅰ)080103080203080303080403080503单位(子单位)工程名称分部(子分部)工程名称验收部位施工单位项目经理分包单位分包项目经理施工执行标准名称及编号施工质量验收规范的规定施工单位检查评定记录监理(建设)单位验收记录主控项目1风管穿越防火、防爆墙第6.2.1条2风管内严禁其他管线穿越第6.2.2条3易燃、易爆环境风管第6.2.2-2条4室外立管的固定拉索第6.2.2-3条5高于80℃风管系统第6.2.3条6风管部件安装第6.2.4条7手动密闭阀安装第6.2.9条8风管严密性检验第6.2.8条一般项目1风管系统安装第6.3.1条2无法兰风管系统安装第6.3.2条3风管连接的水平、垂直质量第6.3.3条4风管支、吊架安装第6.3.4条5铝板、不锈钢板风管安装第6.3.1-8条6非金属风管安装第6.3.5条7风阀安装第6.3.8条8风帽安装第6.3.9条9吸、排风罩安装第6.3.10条10风口安装第6.3.11条施工单位检查评定结果专业工长(施工员)施工班组长项目专业质量检查员:年月日监理(建设)单位验收结论专业监理工程师:(建设单位项目专业技术负责人):年月日

1、当您付费下载文档后,您只拥有了使用权限,并不意味着购买了版权,文档只能用于自身使用,不得用于其他商业用途(如 [转卖]进行直接盈利或[编辑后售卖]进行间接盈利)。
2、本站所有内容均由合作方或网友上传,本站不对文档的完整性、权威性及其观点立场正确性做任何保证或承诺!文档内容仅供研究参考,付费前请自行鉴别。
3、如文档内容存在违规,或者侵犯商业秘密、侵犯著作权等,请点击“违规举报”。

碎片内容

风管系统安装检验批质量验收记录表1Ⅰ

文泉书屋+ 关注
实名认证
内容提供者

热爱教学事业,对互联网知识分享很感兴趣

确认删除?
VIP
微信客服
  • 扫码咨询
会员Q群
  • 会员专属群点击这里加入QQ群
客服邮箱
回到顶部