电脑桌面
添加小米粒文库到电脑桌面
安装后可以在桌面快捷访问

通风机安装检验批质量验收记录表VIP免费

通风机安装检验批质量验收记录表_第1页
1/20
通风机安装检验批质量验收记录表_第2页
2/20
通风机安装检验批质量验收记录表_第3页
3/20
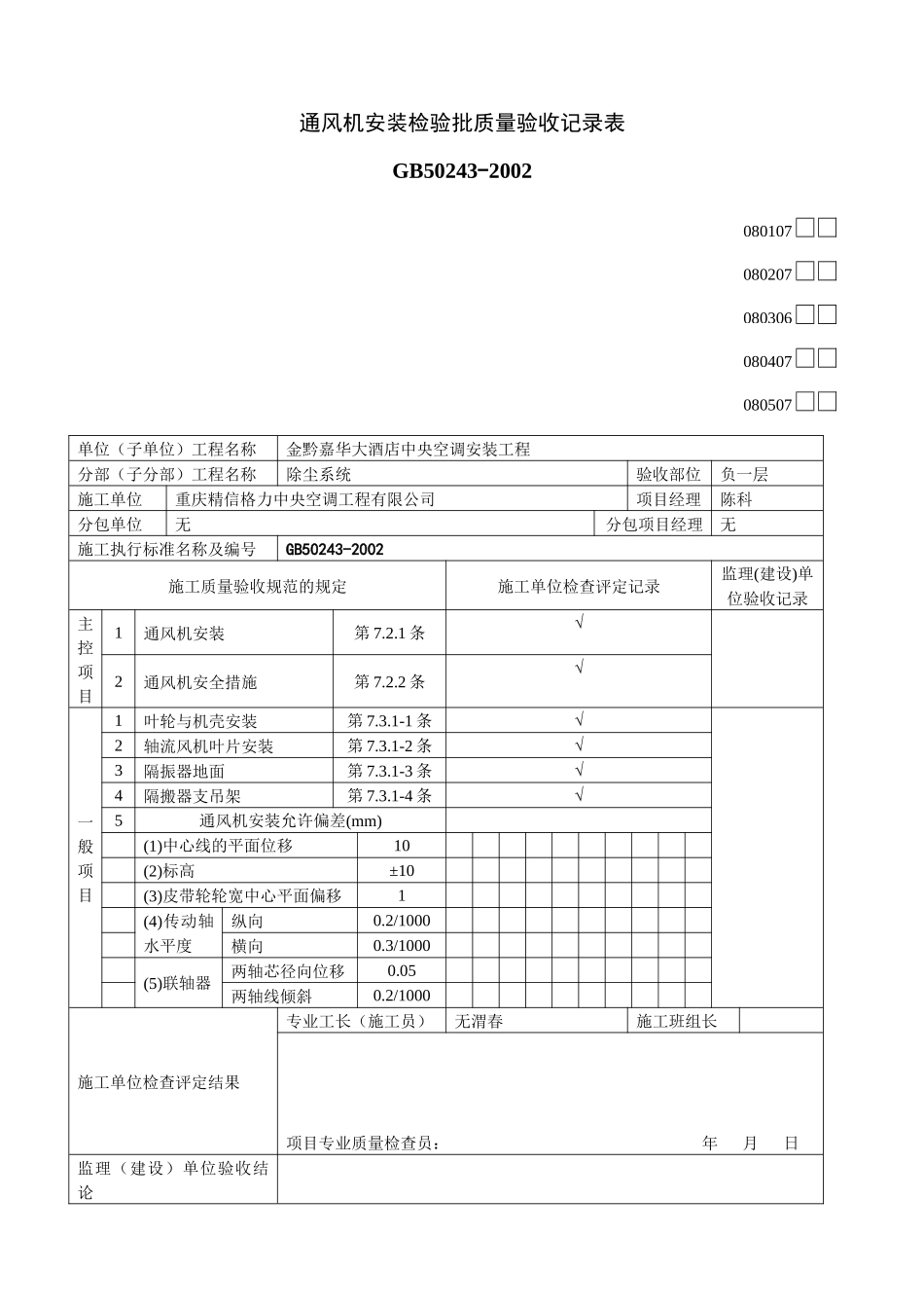
通风机安装检验批质量验收记录表GB50243-2002080107080207080306080407080507单位(子单位)工程名称金黔嘉华大酒店中央空调安装工程分部(子分部)工程名称除尘系统验收部位负一层施工单位重庆精信格力中央空调工程有限公司项目经理陈科分包单位无分包项目经理无施工执行标准名称及编号GB50243-2002施工质量验收规范的规定施工单位检查评定记录监理(建设)单位验收记录主控项目1通风机安装第7.2.1条√2通风机安全措施第7.2.2条√一般项目1叶轮与机壳安装第7.3.1-1条√2轴流风机叶片安装第7.3.1-2条√3隔振器地面第7.3.1-3条√4隔搬器支吊架第7.3.1-4条√5通风机安装允许偏差(mm)(1)中心线的平面位移10(2)标高±10(3)皮带轮轮宽中心平面偏移1(4)传动轴水平度纵向0.2/1000横向0.3/1000(5)联轴器两轴芯径向位移0.05两轴线倾斜0.2/1000施工单位检查评定结果专业工长(施工员)无渭春施工班组长项目专业质量检查员:年月日监理(建设)单位验收结论专业监理工程师:(建设单位项目专业技术负责人):年月日通风机安装检验批质量验收记录表GB50243-2002080107080207080306080407080507单位(子单位)工程名称金黔嘉华大酒店中央空调安装工程分部(子分部)工程名称除尘系统验收部位一层施工单位重庆精信格力中央空调工程有限公司项目经理陈科分包单位无分包项目经理无施工执行标准名称及编号GB50243-2002施工质量验收规范的规定施工单位检查评定记录监理(建设)单位验收记录主控项目1通风机安装第7.2.1条√2通风机安全措施第7.2.2条√一般项目1叶轮与机壳安装第7.3.1-1条√2轴流风机叶片安装第7.3.1-2条√3隔振器地面第7.3.1-3条√4隔搬器支吊架第7.3.1-4条√5通风机安装允许偏差(mm)(1)中心线的平面位移10(2)标高±10(3)皮带轮轮宽中心平面偏移1(4)传动轴水平度纵向0.2/1000横向0.3/1000(5)联轴器两轴芯径向位移0.05两轴线倾斜0.2/1000施工单位检查评定结果专业工长(施工员)无渭春施工班组长项目专业质量检查员:年月日监理(建设)单位验收结论专业监理工程师:(建设单位项目专业技术负责人):年月日通风机安装检验批质量验收记录表GB50243-2002080107080207080306080407080507单位(子单位)工程名称金黔嘉华大酒店中央空调安装工程分部(子分部)工程名称除尘系统验收部位二层施工单位重庆精信格力中央空调工程有限公司项目经理陈科分包单位无分包项目经理无施工执行标准名称及编号GB50243-2002施工质量验收规范的规定施工单位检查评定记录监理(建设)单位验收记录主控项目1通风机安装第7.2.1条√2通风机安全措施第7.2.2条√一般项目1叶轮与机壳安装第7.3.1-1条√2轴流风机叶片安装第7.3.1-2条√3隔振器地面第7.3.1-3条√4隔搬器支吊架第7.3.1-4条√5通风机安装允许偏差(mm)(1)中心线的平面位移10(2)标高±10(3)皮带轮轮宽中心平面偏移1(4)传动轴水平度纵向0.2/1000横向0.3/1000(5)联轴器两轴芯径向位移0.05两轴线倾斜0.2/1000施工单位检查评定结果专业工长(施工员)无渭春施工班组长项目专业质量检查员:年月日监理(建设)单位验收结论专业监理工程师:(建设单位项目专业技术负责人):年月日通风机安装检验批质量验收记录表GB50243-2002080107080207080306080407080507单位(子单位)工程名称金黔嘉华大酒店中央空调安装工程分部(子分部)工程名称除尘系统验收部位三层施工单位重庆精信格力中央空调工程有限公司项目经理陈科分包单位无分包项目经理无施工执行标准名称及编号GB50243-2002施工质量验收规范的规定施工单位检查评定记录监理(建设)单位验收记录主控项1通风机安装第7.2.1条√2通风机安全措施第7.2.2条√目一般项目1叶轮与机壳安装第7.3.1-1条√2轴流风机叶片安装第7.3.1-2条√3隔振器地面第7.3.1-3条√4隔搬器支吊架第7.3.1-4条√5通风机安装允许偏差(mm)(1)中心线的平面位移10(2)标高±10(3)皮带轮轮宽中心平面偏移1(4)传动轴水平度纵向0.2/1000横向0.3/1000(5)联轴器两轴芯径向位移0.05两轴线倾斜0.2/1000施工单位检查评定结果专业工长(施工员)无渭春施工班组长项目专业质量检查员:年月日监理(建设)单位验收结论专业监理工程师:(建设单位项目专业技术负责...

1、当您付费下载文档后,您只拥有了使用权限,并不意味着购买了版权,文档只能用于自身使用,不得用于其他商业用途(如 [转卖]进行直接盈利或[编辑后售卖]进行间接盈利)。
2、本站所有内容均由合作方或网友上传,本站不对文档的完整性、权威性及其观点立场正确性做任何保证或承诺!文档内容仅供研究参考,付费前请自行鉴别。
3、如文档内容存在违规,或者侵犯商业秘密、侵犯著作权等,请点击“违规举报”。

碎片内容

通风机安装检验批质量验收记录表

确认删除?
VIP
微信客服
  • 扫码咨询
会员Q群
  • 会员专属群点击这里加入QQ群
客服邮箱
回到顶部