电脑桌面
添加小米粒文库到电脑桌面
安装后可以在桌面快捷访问

设计成果质量手册VIP免费

设计成果质量手册_第1页
1/24
设计成果质量手册_第2页
2/24
设计成果质量手册_第3页
3/24
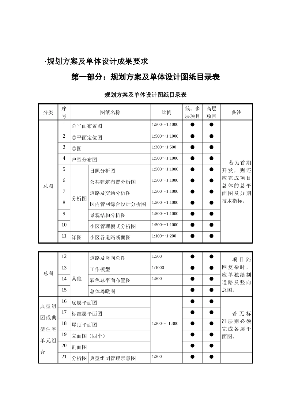
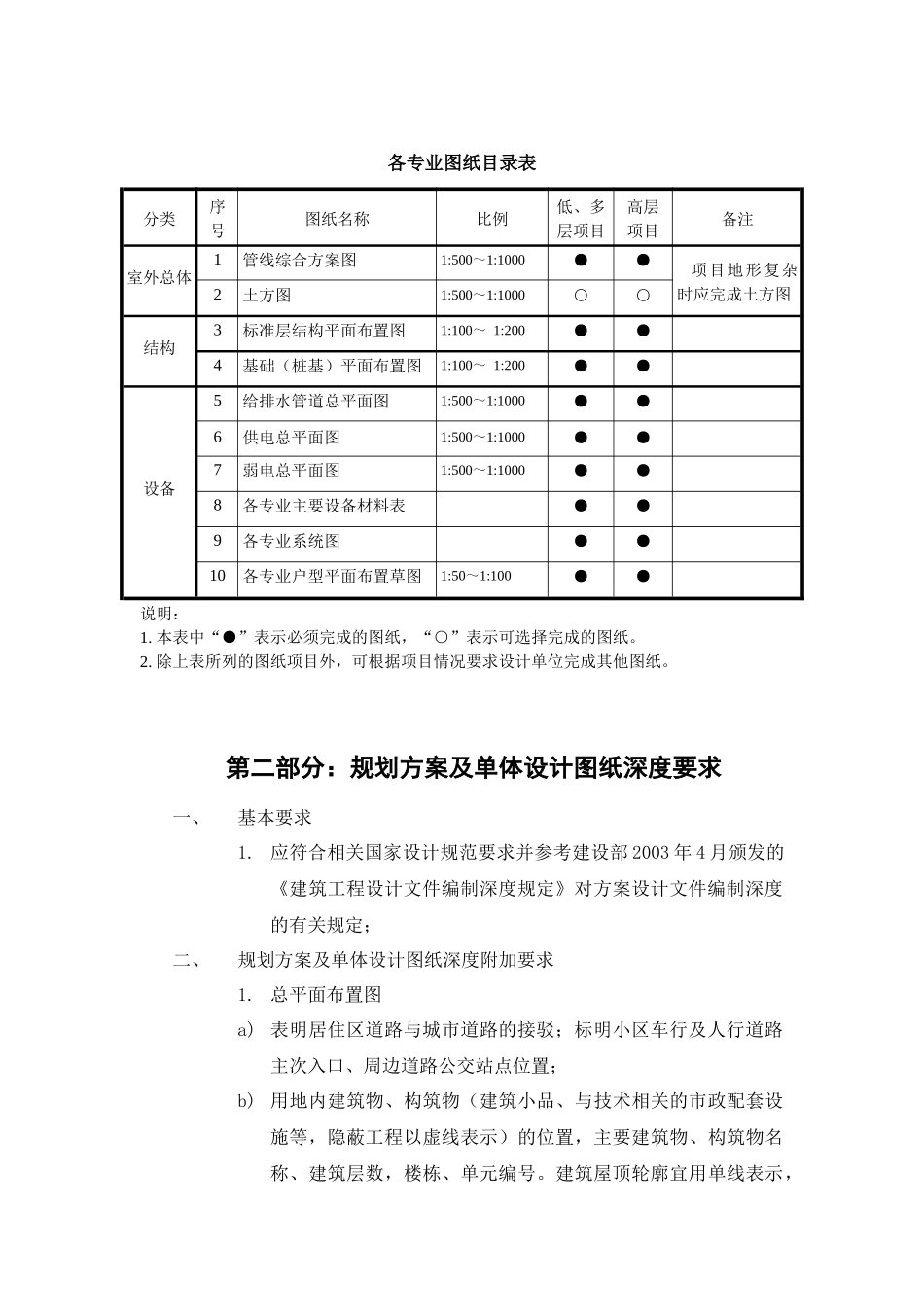
·规划方案及单体设计成果要求第一部分:规划方案及单体设计图纸目录表规划方案及单体设计图纸目录表分类序号图纸名称比例低、多层项目高层项目备注总图1总平面布置图1:500~1:1000●●若为首期开发,则还应完成项目总体的总平面图及分期技术指标。2总平面定位图1:500~1:1000●●3总图1:300~1:500●●4户型分布图1:500~1:1000●●5分析图日照分析图1:500~1:1000●●6公共建筑布置分析图1:500~1:1000●●7道路及交通分析图1:500~1:1000●●8区内管网综合设计分析图1:500~1:1000●●9景观结构分析图1:500~1:1000●●10小区管理模式分析图1:500~1:1000●●11详图小区各道路断面图1:100~1:200●●总图12其他道路及竖向总图1:500●●项目路网复杂时,应单独绘制道路及竖向总图。13工作模型1:1000●●14彩色总平面布置图1:500●●15总体鸟瞰图●●典型组团或典型住宅单元组合16底层平面图1:200~1:300●●若无标准层则必须完成各层平面图。17标准层平面图●●18屋顶平面图●●19立面图(四个)●●20剖面图●●21分析图典型组团管理示意图1:300●●22典型组团交通分析图1:300●●23其他工作模型1:100~1:300●●24效果图(二个立面方向)●●低、多层住宅单元/高层住宅单体25多层住宅单体地下及裙房各层平面图1:50●低、多层若无标准层则必须完成各层平面图。高层若无裙房则必须完成一层平面图及有差异的各层平面图。26高层住宅单体地下及裙房各层平面图1:100~1:200●27标准层平面图低、多层1:50高层1:100~1:200●●28屋顶平面图●●29立面图(四个)●●30剖面图●●31其他单体入口放大平面图1:30●●立面特殊效果或大量出现的部分可作1:20模型或1:1现场模型32户型放大平面图1:50●●33立面细部节点放大图(平立剖面)1:50●●34模型1:50或1:100●●35效果图●●主要公共建筑(独立商业建筑、会所、幼儿园或学校)36总平面图1:500●●布置在低、多层住宅底层的商业服务部分直接在典型组团图中表达;布置在高层单体中的商业服务部分无须另外表达。37各层平面图1:200●●38立面图(四个)●●39剖面图●●40其他幼儿园标准单元平面布置图1:100●●41学校教室平面布置图1:100●●42工作模型1:100●●43效果图●●说明:1.上表中“●”表示必须完成的图纸,“○”表示可选择完成的图纸。2.除上表所列的图纸项目外,可根据项目情况要求设计单位完成其他图纸。各专业初步深化的图纸目录各专业图纸目录表分类序号图纸名称比例低、多层项目高层项目备注室外总体1管线综合方案图1:500~1:1000●●项目地形复杂时应完成土方图2土方图1:500~1:1000○○结构3标准层结构平面布置图1:100~1:200●●4基础(桩基)平面布置图1:100~1:200●●设备5给排水管道总平面图1:500~1:1000●●6供电总平面图1:500~1:1000●●7弱电总平面图1:500~1:1000●●8各专业主要设备材料表●●9各专业系统图●●10各专业户型平面布置草图1:50~1:100●●说明:1.本表中“●”表示必须完成的图纸,“○”表示可选择完成的图纸。2.除上表所列的图纸项目外,可根据项目情况要求设计单位完成其他图纸。第二部分:规划方案及单体设计图纸深度要求一、基本要求1.应符合相关国家设计规范要求并参考建设部2003年4月颁发的《建筑工程设计文件编制深度规定》对方案设计文件编制深度的有关规定;二、规划方案及单体设计图纸深度附加要求1.总平面布置图a)表明居住区道路与城市道路的接驳;标明小区车行及人行道路主次入口、周边道路公交站点位置;b)用地内建筑物、构筑物(建筑小品、与技术相关的市政配套设施等,隐蔽工程以虚线表示)的位置,主要建筑物、构筑物名称、建筑层数,楼栋、单元编号。建筑屋顶轮廓宜用单线表示,坡屋面应表明屋脊线位置。2.平面定位图用地内建筑物、构筑物的位置,主要建筑物、构筑物名称楼栋、单元编号及相互关系尺寸、组团尺寸、建筑层数、檐口高度。3.总图a)表明建筑人行出入口层平面(通常为底层)、室外台阶、架空层与道路的高差关系-道路平面须表明道路中心线、车行道、人行道、道路绿化及停车位(场)位置、道路尺寸、组团级以上道路转弯半径以及不同级别道路的交接;b)须表明物业管...

1、当您付费下载文档后,您只拥有了使用权限,并不意味着购买了版权,文档只能用于自身使用,不得用于其他商业用途(如 [转卖]进行直接盈利或[编辑后售卖]进行间接盈利)。
2、本站所有内容均由合作方或网友上传,本站不对文档的完整性、权威性及其观点立场正确性做任何保证或承诺!文档内容仅供研究参考,付费前请自行鉴别。
3、如文档内容存在违规,或者侵犯商业秘密、侵犯著作权等,请点击“违规举报”。

碎片内容

设计成果质量手册

您可能关注的文档

文泉书屋+ 关注
实名认证
内容提供者

热爱教学事业,对互联网知识分享很感兴趣

相关文档

确认删除?
VIP
微信客服
  • 扫码咨询
会员Q群
  • 会员专属群点击这里加入QQ群
客服邮箱
回到顶部