电脑桌面
添加小米粒文库到电脑桌面
安装后可以在桌面快捷访问

纤维复合材料加固再生混凝土梁试验方案设计VIP免费

纤维复合材料加固再生混凝土梁试验方案设计_第1页
1/9
纤维复合材料加固再生混凝土梁试验方案设计_第2页
2/9
纤维复合材料加固再生混凝土梁试验方案设计_第3页
3/9
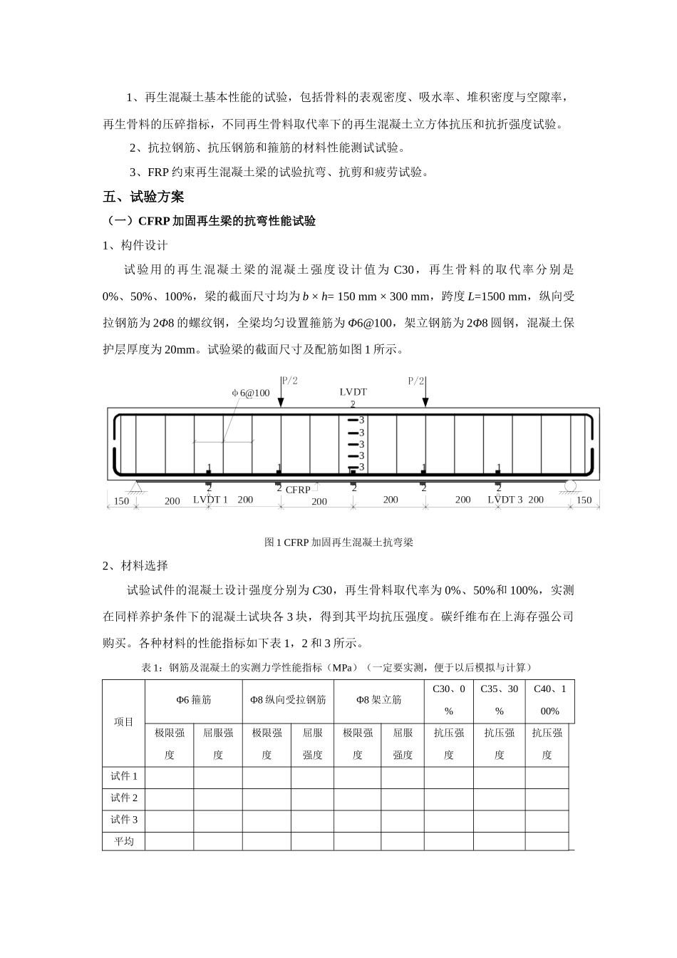
再生混凝土梁加固试验方案设计一、试验的背景及意义随着我国经济的迅猛发展,基础设施和各种建筑的修建需要的混凝土量日益增加,而旧的建筑物的拆除、改造,产生废弃混凝土的量也逐步上升,给我国的资源与环境造成了巨大的压力,给我们的可持续发展带来了挑战。目前,怎样合理的利用建筑垃圾制备再生混凝土应用到实际工程中成为了研究的热点。钢管再生混凝土、再生混凝土梁和再生混凝土柱等方面的研究已经在我国的科研院校广泛的开展起来了,并取得了一定的成果。结果显示:钢管再生混凝土、再生混凝土梁和再生混凝土柱由于其再生骨料自身性能的降低其各项力学性能均有不同程度降低。随着材料科学的发展,复合材料(碳纤维、玻璃纤维和玄武岩纤维等)的各项力学性能均有提高,同时,复合材料纤维也应用到实际的建筑和桥梁的加固工程中,提高了建筑和桥梁的抗弯及抗剪强度,进一步加强了结构抗震性及安全性,提高了结构的实用寿命。二、试验目的本实验主要利用碳纤维布加固不同替代率下(0%,50%和100%)的再生混凝土梁来研究加固后再生混凝土梁的刚度、延性、承载力、裂缝分布及其开展情况的变化,与我们前期已经完成的原生混凝土梁的试验做一对照分析,并对前期试验中没有主要到的细节加以分析,比如浇注混凝土的抗拉强度和弹性模量的测量;加固梁不同测点处应变片的响应情况(与后期的模拟作对照);裂缝在加载过程中的开裂长度与宽度的实时跟踪曲线;以及临近破坏时裂缝的变化情况和破坏形态的改变。对再生加固梁的疲劳试验力求细致,对裂缝的宽度及其走向要记录好。最后,在实验进行中要对梁的挠度和裂缝走向做实时观测记录,便于以后模拟与计算时对不同加载阶段的分析对照。三、试验设备电液伺服万能试验机(WAW-100/300/300A)、岛津疲劳试验机应变测试仪DH-3816测量相应的静态应变变化动态数字应变仪采集试验数据LVDT位移传感计、百分表电阻应变片……四、试验内容1、再生混凝土基本性能的试验,包括骨料的表观密度、吸水率、堆积密度与空隙率,再生骨料的压碎指标,不同再生骨料取代率下的再生混凝土立方体抗压和抗折强度试验。2、抗拉钢筋、抗压钢筋和箍筋的材料性能测试试验。3、FRP约束再生混凝土梁的试验抗弯、抗剪和疲劳试验。五、试验方案(一)CFRP加固再生梁的抗弯性能试验1、构件设计试验用的再生混凝土梁的混凝土强度设计值为C30,再生骨料的取代率分别是0%、50%、100%,梁的截面尺寸均为b×h=150mm×300mm,跨度L=1500mm,纵向受拉钢筋为2Φ8的螺纹钢,全梁均匀设置箍筋为Φ6@100,架立钢筋为2Φ8圆钢,混凝土保护层厚度为20mm。试验梁的截面尺寸及配筋如图1所示。图1CFRP加固再生混凝土抗弯梁2、材料选择试验试件的混凝土设计强度分别为C30,再生骨料取代率为0%、50%和100%,实测在同样养护条件下的混凝土试块各3块,得到其平均抗压强度。碳纤维布在上海存强公司购买。各种材料的性能指标如下表1,2和3所示。表1:钢筋及混凝土的实测力学性能指标(MPa)(一定要实测,便于以后模拟与计算)项目Φ6箍筋Φ8纵向受拉钢筋Φ8架立筋C30、0%C35、30%C40、100%极限强度屈服强度极限强度屈服强度极限强度屈服强度抗压强度抗压强度抗压强度试件1试件2试件3平均值表2:纤维布主要物理性能指标(买回后实测,便于计算)种类及型号面密度/(g/m2)宽度/mm厚度/mm抗拉强度/MPa弹性模量/GPa延伸率/%表3:加固胶的力学性能指标(主要做拔出试验测其抗剪性能)型号拉伸剪切强度/MPa弹性模量/MPa黏结拉伸强度/MPa压缩强度/MPa3、加固方案本次CFRP加固再生梁抗弯试验共设计了7根梁,基本情况如表4所示:表4:CFRP加固再生混凝土梁试件设计参数情况编号主筋箍筋架立筋浇注强度替代率加固层数W02Φ8Φ6@1002Φ8C300%对照W502Φ8Φ6@1002Φ8C3050%对照W50B12Φ8Φ6@1002Φ8C3050%加固1层W50B22Φ8Φ6@1002Φ8C3050%加固2层W1002Φ8Φ6@1002Φ8C30100%对照W100B12Φ8Φ6@1002Φ8C30100%加固1层W100B22Φ8Φ6@1002Φ8C30100%加固2层4、加载方案梁浇注前,在对照再生梁底部2根纵向钢筋的跨中位置及顶部架立钢筋的中间位置沿纵向各粘贴一片钢筋应变片,用于测量纵筋在加载过程中的应变。...

1、当您付费下载文档后,您只拥有了使用权限,并不意味着购买了版权,文档只能用于自身使用,不得用于其他商业用途(如 [转卖]进行直接盈利或[编辑后售卖]进行间接盈利)。
2、本站所有内容均由合作方或网友上传,本站不对文档的完整性、权威性及其观点立场正确性做任何保证或承诺!文档内容仅供研究参考,付费前请自行鉴别。
3、如文档内容存在违规,或者侵犯商业秘密、侵犯著作权等,请点击“违规举报”。

碎片内容

纤维复合材料加固再生混凝土梁试验方案设计

您可能关注的文档

确认删除?
VIP
微信客服
  • 扫码咨询
会员Q群
  • 会员专属群点击这里加入QQ群
客服邮箱
回到顶部