电脑桌面
添加小米粒文库到电脑桌面
安装后可以在桌面快捷访问

箱变基础混凝土强度评定标准检验批质量验收记录VIP免费

箱变基础混凝土强度评定标准检验批质量验收记录_第1页
1/61
箱变基础混凝土强度评定标准检验批质量验收记录_第2页
2/61
箱变基础混凝土强度评定标准检验批质量验收记录_第3页
3/61
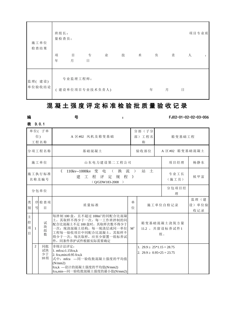
混凝土强度评定标准检验批质量验收记录编号:FJ01-01-02-02-03-006表D.0.1单位(子单位)工程名称A区#01风机及箱变基础分部(子分部)工程名称箱变基础工程分项工程名称基础混凝土验收部位A区#01箱变基础混凝土施工单位山东电力建设第二工程公司项目经理杨静东施工执行标准名称及编号《110kv--1000kv变电(换流)站土建工程评定规程》(Q/GDW183-2008)专业工长(施工员)候甲富分包单位分包项目经理类别序号检查项目质量标准单位施工单位自检记录监理(建设)单位验收记录主控项目1试块组数每拌制100盘,且不超过100m3的同配合比混凝土,其取样不得少于一次,每一工作班拌制的同配合比混凝土不足100盘时,其取样次数不得少于一次;现浇混凝土结构,每一现浇层或同一单位工程每一验收项目中同配合比混凝土,其取样不得少于一次;每次取样,应至少留置一组标养试件,同条件养护试件根据实际需要确定M3箱变基础混凝土浇筑方量11.2,共留设标养试件1组。2同批试块少于10组非统计法评定:1.mfcu≥1.15fcu,k2.fcu,min≥0.95fcu,k式中:mfcu—同一验收批混凝土强度的平均值(N/mm2)fcu,k—设计的混凝土强度的平均值(N/mm2)fcu,min—同一验收批混凝土强度的最小值(N/mm2)1.28.9≥25*1.15=28.752.28.9≥0.95×25=23.753同批试块大于或等于10组统计法:1.mfcu-λ1Sfcu≥0.9fcu,k2.fcu,min≥λ2fcu,k式中:Sfcu为n组混凝土强度标准差(N/mm2);当计算值Sfcu<0.06fcu,k时,取Sfcu=0.06fcu,k混凝土强度的合格判定系数n10~1415~24≥25λ11.701.651.60λ20.900.85注:按单位工程中强度等级相同、龄期相同以及生产工艺条件和配合比基本相同的混凝土组成一个验收批。施工单位检查结果班组长:项目专业质量检查员:项目专业技术负责人:年月日监理(建设)单位验收结论专业监理工程师:(建设单位项目专业技术负责人)年月日混凝土强度评定标准检验批质量验收记录编号:FJ02-01-02-02-03-006表D.0.1单位(子单位)工程名称A区#02风机及箱变基础分部(子分部)工程名称箱变基础工程分项工程名称基础混凝土验收部位A区#02箱变基础混凝土施工单位山东电力建设第二工程公司项目经理杨静东施工执行标准名称及编号《110kv--1000kv变电(换流)站土建工程评定规程》(Q/GDW183-2008)专业工长(施工员)候甲富分包单位分包项目经理类别序号检查项目质量标准单位施工单位自检记录监理(建设)单位验收记录主控项目1试块组数每拌制100盘,且不超过100m3的同配合比混凝土,其取样不得少于一次,每一工作班拌制的同配合比混凝土不足100盘时,其取样次数不得少于一次;现浇混凝土结构,每一现浇层或同一单位工程每一验收项目中同配合比混凝土,其取样不得少于一次;每次取样,应至少留置一组标养试件,同条件养护试件根据实际需要确定M3箱变基础混凝土浇筑方量11.2,共留设标养试件1组。2同批试块少于10组非统计法评定:1.mfcu≥1.15fcu,k2.fcu,min≥0.95fcu,k式中:mfcu—同一验收批混凝土强度的平均值(N/mm2)fcu,k—设计的混凝土强度的平均值(N/mm2)fcu,min—同一验收批混凝土强度的最小值(N/mm2)1.29.9≥25*1.15=28.752.29.9≥0.95×25=23.753同批试块大于或等于10组统计法:1.mfcu-λ1Sfcu≥0.9fcu,k2.fcu,min≥λ2fcu,k式中:Sfcu为n组混凝土强度标准差(N/mm2);当计算值Sfcu<0.06fcu,k时,取Sfcu=0.06fcu,k混凝土强度的合格判定系数n10~1415~24≥25λ11.701.651.60λ20.900.85注:按单位工程中强度等级相同、龄期相同以及生产工艺条件和配合比基本相同的混凝土组成一个验收批。施工单位检查结果班组长:项目专业质量检查员:项目专业技术负责人:年月日监理(建设)单位验收结论专业监理工程师:(建设单位项目专业技术负责人)年月日混凝土强度评定标准检验批质量验收记录编号:FJ03-01-02-02-03-006表D.0.1单位(子单位)工程名称A区#03风机及箱变基础分部(子分部)工程名称箱变基础工程分项工程名称基础混凝土验收部位A区#03箱变基础混凝土施工单位山东电力建设第二工程公司项目经理杨静东施工执行标准名称及编号《110kv--1000kv变电(换流)站土建工程评定规程》(Q/GDW183-2008)专业工长(施工员)候甲富分包...

1、当您付费下载文档后,您只拥有了使用权限,并不意味着购买了版权,文档只能用于自身使用,不得用于其他商业用途(如 [转卖]进行直接盈利或[编辑后售卖]进行间接盈利)。
2、本站所有内容均由合作方或网友上传,本站不对文档的完整性、权威性及其观点立场正确性做任何保证或承诺!文档内容仅供研究参考,付费前请自行鉴别。
3、如文档内容存在违规,或者侵犯商业秘密、侵犯著作权等,请点击“违规举报”。

碎片内容

箱变基础混凝土强度评定标准检验批质量验收记录

您可能关注的文档

确认删除?
VIP
微信客服
  • 扫码咨询
会员Q群
  • 会员专属群点击这里加入QQ群
客服邮箱
回到顶部