电脑桌面
添加小米粒文库到电脑桌面
安装后可以在桌面快捷访问

生物铁—接触氧化组合技术、处理抗生素类化学制药废水的研究VIP免费

生物铁—接触氧化组合技术、处理抗生素类化学制药废水的研究_第1页
1/7
生物铁—接触氧化组合技术、处理抗生素类化学制药废水的研究_第2页
2/7
生物铁—接触氧化组合技术、处理抗生素类化学制药废水的研究_第3页
3/7
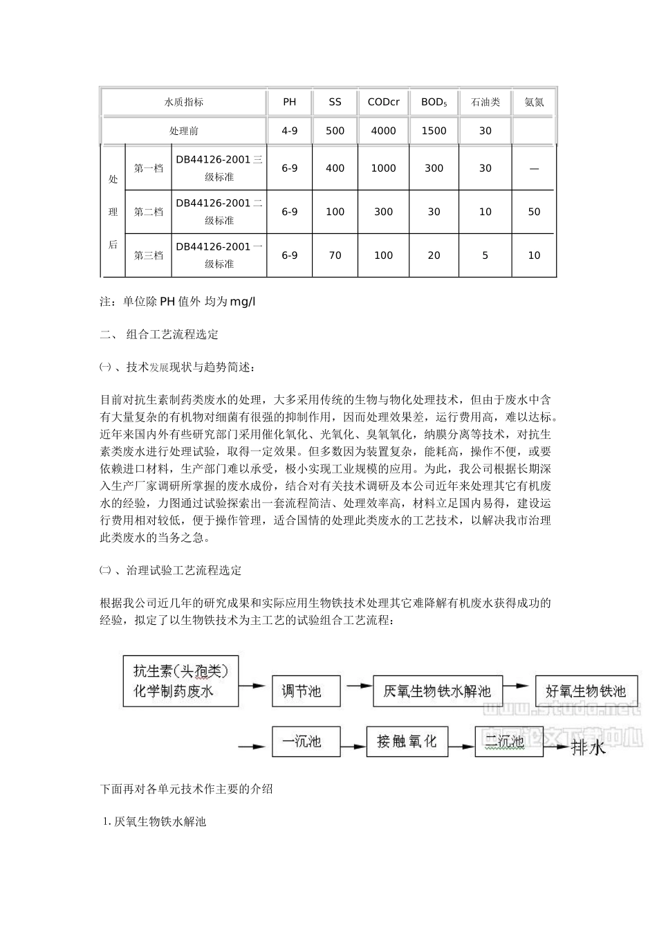
生物铁—接触氧化组合技术、处理抗生素类化学制药废水的研究来源:中国论文下载中心[06-03-0714:52:00]作者:付涛编辑:studa9ngns摘要:制药工业是广州市的支柱工业之一,抗生素化学制原料药又是制药的基础工业,其所产生的废水含大量有毒有机物,如侧链脂、石油醚、丙酮、甲醇、乙醇、二氯甲烷、甲苯和各类酸、碱物质,还带有头孢类抗生素残留物。此类废水成份复杂,有机物含量高、分子量大、水中的有毒物质和抗生素类对生化处理的菌种有很强的抑制作用,是目前国内外公认最难处理的废水之一。关键词:生物铁接触氧化组合抗生素一、研究目的:制药工业是广州市的支柱工业之一,抗生素化学制原料药又是制药的基础工业,其所产生的废水含大量有毒有机物,如侧链脂、石油醚、丙酮、甲醇、乙醇、二氯甲烷、甲苯和各类酸、碱物质,还带有头孢类抗生素残留物。此类废水成份复杂,有机物含量高、分子量大、水中的有毒物质和抗生素类对生化处理的菌种有很强的抑制作用,是目前国内外公认最难处理的废水之一。我公司受生产厂家的委托,研究治理此类废水的可靠、适用技术。2001年开始,我公司组织技术力量、深入我市唯一一家生产抗生素原料药的厂家——广州市白云山化学制药厂各车间,调查此类废水的组成、性状和排放规律。通过调研和测试,掌握了大量数据和第一手资料。在治理技术调研的基础上,决定通过实验研究,探索各单元工艺和组合工艺的治理效果、最佳的控制参数和操作条件,为拟定治理工艺路线和工程设计参数提供依据。根据深入工厂各车间进行污染源调查了解到,抗生素化学制药废水按污染物浓度范围大致可分为两种:第一种是CODcr>10万mg/l的高浓度有机废水,此类废水主要是各车间排放的离心母液,离心机酸水和釜底液等,约占全厂废水量的1.7%,此类废水我们需另行研究更特殊的处理方法,不纳入本次试验课题内容;第二类是CODcr<10万mg/l的综合废水,其来源一是各车间排放的工艺废水(CODcr数千至数万mg/l),二是各车间排放的低浓度生产废水,包括阴阳离子柱再生超滤水注、洗瓶、洗罐、洗地、一般冷却水、实验室排水和锅炉冲灰水等(CODcr100至数百mg/l)。第二类废水约占全厂废水量的98.3%,混合调节后,CODcr浓度范围在2700~3500mg/l之间。第二类废水是本课题研究处理的对象。根据上述情况,我们拟定了研究试验工作的进水水质和处理出水水质目标。鉴于此类废水处理难度大,国内尚缺乏可借鉴的经验,我们拟定的处理出水水质分为三个档次要求,详见表1。表1设计进出水水质水质指标PHSSCODcrBOD5石油类氨氮处理前4-95004000150030处理后第一档DB44126-2001三级标准6-9400100030030—第二档DB44126-2001二级标准6-9100300301050第三档DB44126-2001一级标准6-97010020510注:单位除PH值外均为mg/l二、组合工艺流程选定㈠、技术发展现状与趋势简述:目前对抗生素制药类废水的处理,大多采用传统的生物与物化处理技术,但由于废水中含有大量复杂的有机物对细菌有很强的抑制作用,因而处理效果差,运行费用高,难以达标。近年来国内外有些研究部门采用催化氧化、光氧化、臭氧氧化,纳膜分离等技术,对抗生素类废水进行处理试验,取得一定效果。但多数因为装置复杂,能耗高,操作不便,或要依赖进口材料,生产部门难以承受,极小实现工业规模的应用。为此,我公司根据长期深入生产厂家调研所掌握的废水成份,结合对有关技术调研及本公司近年来处理其它有机废水的经验,力图通过试验探索出一套流程简洁、处理效率高,材料立足国内易得,建设运行费用相对较低,便于操作管理,适合国情的处理此类废水的工艺技术,以解决我市治理此类废水的当务之急。㈡、治理试验工艺流程选定根据我公司近几年的研究成果和实际应用生物铁技术处理其它难降解有机废水获得成功的经验,拟定了以生物铁技术为主工艺的试验组合工艺流程:下面再对各单元技术作主要的介绍⒈厌氧生物铁水解池由于此类废水成份复杂,含有对生化处理有抑制作用的头孢类抗生素物质和难处理的大分子物质,经生物铁强化水解酸化处理,可改变含抗生素废水的分子结构,把难降解的大分子有机物转化为小分子有机物,降解抗生素的毒性,为下...

1、当您付费下载文档后,您只拥有了使用权限,并不意味着购买了版权,文档只能用于自身使用,不得用于其他商业用途(如 [转卖]进行直接盈利或[编辑后售卖]进行间接盈利)。
2、本站所有内容均由合作方或网友上传,本站不对文档的完整性、权威性及其观点立场正确性做任何保证或承诺!文档内容仅供研究参考,付费前请自行鉴别。
3、如文档内容存在违规,或者侵犯商业秘密、侵犯著作权等,请点击“违规举报”。

碎片内容

生物铁—接触氧化组合技术、处理抗生素类化学制药废水的研究

文泉书屋+ 关注
实名认证
内容提供者

热爱教学事业,对互联网知识分享很感兴趣

确认删除?
VIP
微信客服
  • 扫码咨询
会员Q群
  • 会员专属群点击这里加入QQ群
客服邮箱
回到顶部