电脑桌面
添加小米粒文库到电脑桌面
安装后可以在桌面快捷访问

利用信息技术加强试验室工程质量控制VIP免费

利用信息技术加强试验室工程质量控制_第1页
1/6
利用信息技术加强试验室工程质量控制_第2页
2/6
利用信息技术加强试验室工程质量控制_第3页
3/6
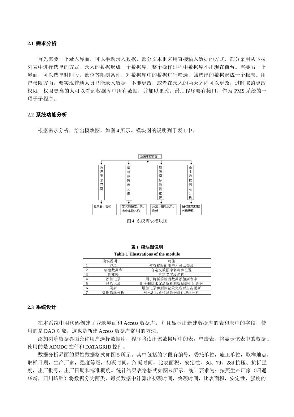
利用信息技术加强试验室工程质量控制摘要:阐述了工程质量管理中的外业和内业工作。外业现场质量控制需满足规范中的相关要求,按照一定的程序,采用相应的控制措施,保证施工质量。介绍了根据三峡发展公司试验室内业计算的需求开发的水泥品质检测分析系统。该软件的主要功能包括数据库和数据表的创建,对各个数据表的查询和维护,以及表中数据的统计分析。关键词:现场质量控制;试验室内业;水泥品质;检测;系统;数据库;统计分析工程质量管理分为外业和内业两部分。其中外业主要以现场质量控制和现场检测为主,内业以试验工作与质量检测为主。现场施工过程是质量控制的主要阶段,质量检测是质量控制的重要一环。在工程建设的过程中监理机构采取旁站监督与平行检测等手段,对施工质量进行过程监控;设置独立的检测机构,进行必要的检测。溪洛渡工程的外业质量控制实行三层次管理,即业主(三峡总公司溪洛渡工程建设部试验中心)、监理单位和施工(生产)单位。本文将主要论述监理单位在质量控制过程中所要达到的要求及采取的措施。内业试验平常需要对大量的数据进行统计分析,每次质量成果统计分析需要大量的时间,耗费大量人力,并且出错率较高。三峡总公司的管理程序PMS系统目前在三峡、溪洛渡、向家坝等与三峡总公司相关的工程项目应用,涉及的范围较宽,但主要是在工程管理方面和经济结算方面比较成熟,在质量管理方面尚处于空白状态。已有的由李丹,刘茂峰开发的试验数据处理系统由于灵活性不足,且存在一些错误,在试验室中未能得到推广应用。因此需要另外一套满足工程实际的计算分析程序,通过建立数据库的形式,使整个工程质量检测成果存储在一个数据库中,随时定义时间段、部位等即可形成统计分析报告,以便上级领导、专家审查。1施工过程的质量控制质量过程控制主要包括测量质量控制,边坡开挖质量控制,洞挖质量控制,支护施工控制,混凝土施工控制以及固结灌浆控制等。混凝土施工在工程中有其特殊的重要性,因此以混凝土质量控制为例阐述质量管理的过程。1.1质量过程控制要求和程序根据《金沙江溪洛渡水电站混凝土试验检测质量控制管理办法》的规定,从事混凝土试验检测工作的生产单位与监理单位的需按照以下要求,按照规定的流程进行质量过程控制。(1)混凝土拌和单位和监理单位应根据混凝土生产流程设置监控网点,混凝土拌和单位对混凝土生产过程监控网点实施质量控制,监理工程师进行监控,按照图1所示要求实施质量控制。图1混凝土生产质量过程控制图(2)混凝土施工配合比报请监理工程师审批后使用。施工单位的混凝土施工配料单计算后,必须由具备资质的试验员或技术人员校核,计算和校核人员必须在配料单上签字、监理工程师审签后,配料单才能使用。(3)质量检验的质量控制网由原材料质控检验、混凝土拌和及拌和物质量抽检、混凝土试件成型三道工序组成。混凝土拌和单位应严格按照相关标准、制度和办法进行混凝土生产质量的控制检测,监理工程师应对其进行监督、检查和进行平行(独立)检测。(4)混凝土生产过程各工序的质量控制及检验,应及时发现问题,并在现场及时采取有效措施进行正确处理,以满足施工工作性要求和保证施工正常进行,确保工程质量稳定。(5)监理工程师应根据混凝土拌制生产质控网点检验内容进行普查与重点检查相结合的原则,监控重点有复核混凝土生产过程中的实际水胶比、外加剂浓度、工作性等;工作性不满足施工要求时应及时查明原因进行调整;对早龄期混凝土强度偏低预计影响到后期强度的试验成果及时进行通报,并加以关注。(6)要求监理工程师通过现场值班记录的项目、对混凝土生产、试验过程进行监督检查。审核、审查为全部检查,抽查按不低于承包人10%的比例进行,重要项目可适当提高比例。其现场监控流程和独立检验流程如图2,图3所示。图2监理现场监控流程图图3监理独立(平行)检验流程1.2质量过程控制措施施工质量控制措施主要有:(1)审查施工技术措施和质量保证文件;(2)采用多种手段监督控制施工质量;(3)工序活动的跟踪动态控制;(4)设置质量控制点对工程质量进行预控;(5)严格进行施工过程的质量检查;(6)行使质量监督...

1、当您付费下载文档后,您只拥有了使用权限,并不意味着购买了版权,文档只能用于自身使用,不得用于其他商业用途(如 [转卖]进行直接盈利或[编辑后售卖]进行间接盈利)。
2、本站所有内容均由合作方或网友上传,本站不对文档的完整性、权威性及其观点立场正确性做任何保证或承诺!文档内容仅供研究参考,付费前请自行鉴别。
3、如文档内容存在违规,或者侵犯商业秘密、侵犯著作权等,请点击“违规举报”。

碎片内容

利用信息技术加强试验室工程质量控制

您可能关注的文档

教育教学文库+ 关注
实名认证
内容提供者

本店有大量的教育教学资料,课件

确认删除?
VIP
微信客服
  • 扫码咨询
会员Q群
  • 会员专属群点击这里加入QQ群
客服邮箱
回到顶部