电脑桌面
添加小米粒文库到电脑桌面
安装后可以在桌面快捷访问

水泥稳定碎石基层施工方案00146VIP免费

水泥稳定碎石基层施工方案00146_第1页
1/7
水泥稳定碎石基层施工方案00146_第2页
2/7
水泥稳定碎石基层施工方案00146_第3页
3/7
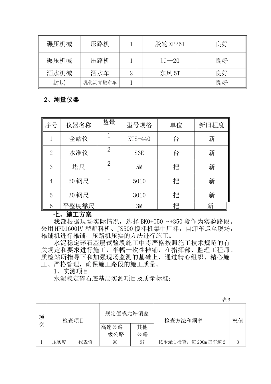
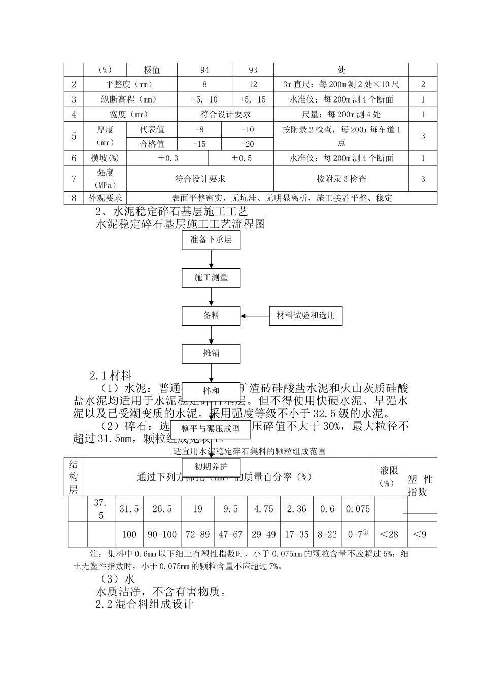
水泥稳定碎石基层施工方案一、编制依据1、根据炳三区道路工程设计文件、招投标文件及合同文件。2、《公路路面基层施工技术规范》(JTJ034-2000)。3、《公路工程质量检验评定标准》(JTGF80/1-2004)。4、《公路工程无机结合料稳定材料试验规程》(JTJ057-94)。二、开工准备本分项工程计划开工日期为2008年1月1日,完工日期为2008年2月10日,工期为40天。(注:该计划是在路基施工于2007年12月31日前全部完成,且交付我公司使用的情况下,而制定的。)1、做好施工测量和施工放样工作;施工放样内容包括现场放出路基中线、标高等,报请监理工程师检查和批准。2、做好材料的取样试验工作。3、做好施工机械的检查、保养和维修工作。4、针对试验段施工的具体情况制定施工安全、环境保护措施。三、所需试验资料(附后)1、集料筛分试验2、标准击实试验3、水泥安定性试验4、针片状含量试验5、压碎值试验颗粒分析;四、导线点、水准点布设和测量放样根据《路基断面图》用全站仪放出中、边桩,用水准仪测量出中桩、边桩标高。五、试验段人员组织机构为加施工指导和总结,我们专门成立了试验段施工小组,具体人员是:组长:陈裕利副组长:王体施工负责人:杨小强试验负责人:李银付测量负责人:杨小强质检负责人:王体机务负责人:冯勇普工:80人六、施工机械配置根据实际情况选用以下机械设备及试验和测量仪器:1、试验段机械设备配置表机械种类设备名称数量型号规格主要性能指标运输机械自卸车7东风15T良好拌和机械拌合机2JS500良好碾压机械压路机1胶轮XP261良好碾压机械压路机1LG—20良好洒水机械洒水车2东风5T良好封层乳化沥青撒布车1良好2、测量仪器序号仪器名称数量型号规格单位新旧程度1全站仪1KTS-440台新2水准仪2S3E台新3塔尺25M把新450钢尺15010把新530钢尺13010把新6平整度靠尺13M把新七、施工方案我部根据现场实际情况,选择BK0+050~+350段作为实验路段。采用HPD1600Ⅳ型配料机、JS500搅拌机集中厂拌,自卸车运至现场,摊铺机进行摊铺,压路机压实的方法进行施工。水泥稳定碎石基层试验段施工中将严格按照施工技术规范的有关规定和要求进行施工,半幅一次性摊铺,在指挥部、监理工程师、质检站所指导下和加强现场监测的基础上,通过精心组织、精心施工、严格管理,确保施工路段的施工质量。1、实测项目水泥稳定碎石底基层实测项目及质量标准:表3项次检查项目规定值或允许偏差检查方法和频率权值高速公路一级公路其他公路1压实度代表值9897按附录1检查,每200m每车道23(%)处极值94932平整度(mm)8123m直尺:每200m测2处×10尺23纵断高程(mm)+5,-10+5,-15水准仪:每200m测4个断面14宽度(mm)符合设计要求尺量:每200m测4处15厚度(mm)代表值-8-10按附录2检查,每200m每车道1点3合格值-15-206横坡(%)±0.3±0.5水准仪:每200m测4个断面17强度(MPa)符合设计要求按附录3检查38外观要求表面平整密实,无坑洼、无明显离析,施工接茬平整、稳定2、水泥稳定碎石基层施工工艺水泥稳定碎石基层施工工艺流程图2.1材料(1)水泥:普通硅酸水泥、矿渣砖硅酸盐水泥和火山灰质硅酸盐水泥均适用于水泥稳定碎石基层。但不得使用快硬水泥、早强水泥以及已受潮变质的水泥。采用强度等级不小于32.5级的水泥。(2)碎石:选用石灰岩碎石、压碎值不大于30%,最大粒径不超过31.5mm,颗粒组成见表1。适宜用水泥稳定碎石集料的颗粒组成范围结构层通过下列方筛孔(mm)的质量百分率(%)液限(%)塑性指数37.531.526.5199.54.752.360.60.07510090-10072-8947-6729-4917-358-220-7①<28<9注:集料中0.6mm以下细土有塑性指数时,小于0.075mm的颗粒含量不应超过5%;细土无塑性指数时,小于0.075mm的颗粒含量不应超过7%。(3)水水质洁净,不含有害物质。2.2混合料组成设计准备下承层施工测量备料摊铺拌和整平与碾压成型初期养护材料试验和选用(1)混合料的组成设计应符合《公路路面基层施工技术规范》(JTJ034-2000)的有关规定。(2)试验(2.1)用于基层的原材料应进行标准试验,项目见表2。水泥稳定碎石基层原材料的试验项目试验项目材料名称频度含水量碎石等集料每天使用前测2个样品颗粒...

1、当您付费下载文档后,您只拥有了使用权限,并不意味着购买了版权,文档只能用于自身使用,不得用于其他商业用途(如 [转卖]进行直接盈利或[编辑后售卖]进行间接盈利)。
2、本站所有内容均由合作方或网友上传,本站不对文档的完整性、权威性及其观点立场正确性做任何保证或承诺!文档内容仅供研究参考,付费前请自行鉴别。
3、如文档内容存在违规,或者侵犯商业秘密、侵犯著作权等,请点击“违规举报”。

碎片内容

水泥稳定碎石基层施工方案00146

您可能关注的文档

确认删除?
VIP
微信客服
  • 扫码咨询
会员Q群
  • 会员专属群点击这里加入QQ群
客服邮箱
回到顶部