电脑桌面
添加小米粒文库到电脑桌面
安装后可以在桌面快捷访问

水泥土搅拌桩地基检验批质量验收记录VIP免费

水泥土搅拌桩地基检验批质量验收记录_第1页
1/3
水泥土搅拌桩地基检验批质量验收记录_第2页
2/3
水泥土搅拌桩地基检验批质量验收记录_第3页
3/3
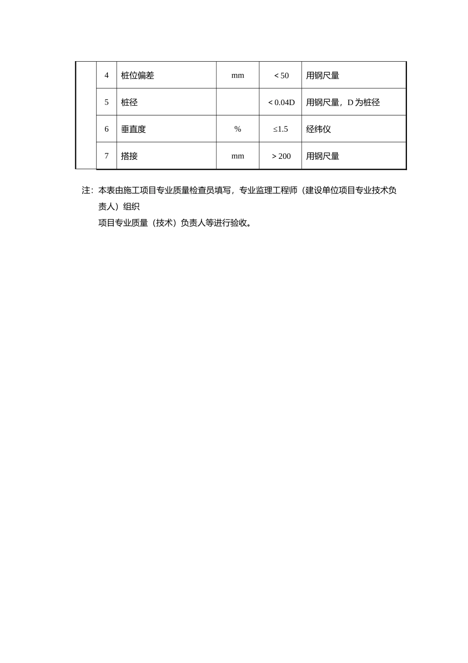
水泥土搅拌桩地基检验批质量验收记录(GB50202-2002)表4.11编号:010314□□□工程名称分项工程名称项目经理施工单位验收部位施工执行标准名称及编号专业工长(施工员)分包单位分包项目经理施工班组长质量验收规范的规定施工单位自检记录监理(建设)单位验收记录检查项目质量要求主控项目1水泥及外掺剂质量设计要求:2水泥用量参数指标:3桩体强度符合设计要求4地基承载力符合设计要求一般项目1机头提升速度偏差≤0.5m/min2桩底标高±200mm3桩顶标高+100504桩位偏差<50mm5桩径<0.04D6垂直度≤1.5%7搭接>200mm施工操作依据质量检查记录施工单位检查结果评定项目专业项目专业质量检查员:技术负责人:年月日监理(建设)单位验收结论专业监理工程师:(建设单位项目专业技术负责人)年月日010314□□□说明强制性条文4.1.6对水泥土搅拌桩复合地基、高压喷射注浆桩复合地基、砂桩地基、振冲桩复合地基、土和灰土挤密桩复合地基、水泥粉煤灰碎石桩复合地基及夯实水泥桩复合地基,其承载力检验,数量为总数的0.5%~1%,但不应少于3处。有单桩强度检验要求时,数量为总数的0.5%~1%,但不应少于3根。4.11水泥土搅拌桩地基4.11.1施工前应检查水泥及外掺剂的质量、桩位、搅拌机工作性能及各种计量设备完好程度(主要是水泥浆流量计及其他计量装置)。4.11.2施工中应检查机头提升速度、水泥浆或水泥注入量、搅拌桩的长度及标高。4.11.3施工结束后,应检查桩体强度、桩体直径及地基承载力。4.11.4进行强度检验时,对承重水泥土搅拌桩应取90d后的试件;对支护水泥土搅拌桩应取28d后的试件。4.11.5水泥土搅拌桩地基质量检验标准应符合表4.11.5的规定。表4.11.5水泥土搅拌桩地基质量检验标准项序检查项目允许偏差或允许值检查方法单位数值主控项目1水泥及外掺剂质量设计要求查产品合格证书或抽样送检2水泥用量参数指标查看流量计3桩体强度设计要求按规定办法4地基承载力设计要求按规定办法一般项目1机头提升速度m/min≤0.5量机头上升距离及时间2桩底标高mm±200测机头深度3桩顶标高mm+10050水准仪(最上部500mm不计入)4桩位偏差mm<50用钢尺量5桩径<0.04D用钢尺量,D为桩径6垂直度%≤1.5经纬仪7搭接mm>200用钢尺量注:本表由施工项目专业质量检查员填写,专业监理工程师(建设单位项目专业技术负责人)组织项目专业质量(技术)负责人等进行验收。

1、当您付费下载文档后,您只拥有了使用权限,并不意味着购买了版权,文档只能用于自身使用,不得用于其他商业用途(如 [转卖]进行直接盈利或[编辑后售卖]进行间接盈利)。
2、本站所有内容均由合作方或网友上传,本站不对文档的完整性、权威性及其观点立场正确性做任何保证或承诺!文档内容仅供研究参考,付费前请自行鉴别。
3、如文档内容存在违规,或者侵犯商业秘密、侵犯著作权等,请点击“违规举报”。

碎片内容

水泥土搅拌桩地基检验批质量验收记录

文泉书屋+ 关注
实名认证
内容提供者

热爱教学事业,对互联网知识分享很感兴趣

确认删除?
VIP
微信客服
  • 扫码咨询
会员Q群
  • 会员专属群点击这里加入QQ群
客服邮箱
回到顶部