电脑桌面
添加小米粒文库到电脑桌面
安装后可以在桌面快捷访问

机械原理-半自动化钻床设计VIP免费

机械原理-半自动化钻床设计_第1页
1/38
机械原理-半自动化钻床设计_第2页
2/38
机械原理-半自动化钻床设计_第3页
3/38
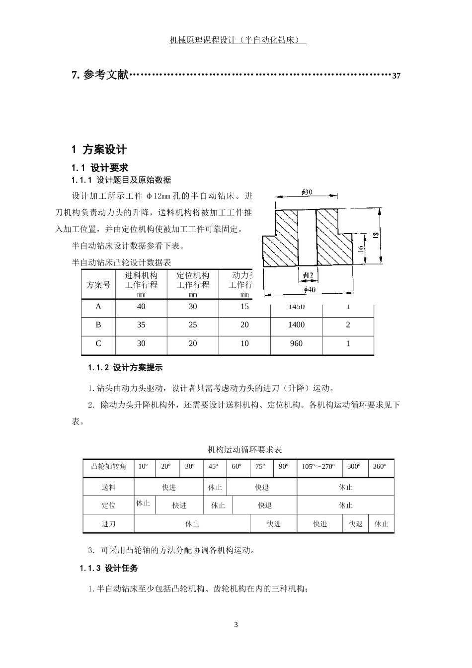
机械原理课程设计(半自动化钻床)课程设计(课程实习)机械设计与制造主题实践(一)院(系、部):机械工程学院设计题目半自动化钻床姓名:同组成员:班级:指导教师签名:1机械原理课程设计(半自动化钻床)2012年07月05日·北京目录1.方案设计……………………………………………………………31.1设计要求……………………………………………………………………31.1.1设计题目及原始数据………………………………………………………………31.1.2设计方案提示………………………………………………………………………31.1.3设计要求……………………………………………………………………………31.2工作原理……………………………………………………………………42.运动循环表和运动循环图…………………………………………53.机构设计………………………………………………………………63.1送料机构……………………………………………………………………63.1.1送料机构——曲柄滑块机构………………………………………………………63.1.2送料机构对比机构…………………………………………………………………73.2定位机构……………………………………………………………………93.2.1定位机构——凸轮-摩擦式棘轮机构………………………………………………93.2.2定位机构对比机构…………………………………………………………………103.3进刀机构……………………………………………………………………103.3.1进刀机构——平底凸轮机构………………………………………………………103.3.2进刀机构对比机构…………………………………………………………………113.4减速器机构…………………………………………………………………123.4.1减速器机构——蜗轮蜗杆机构……………………………………………………123.4.2减速器对比机构……………………………………………………………………124.运动分析……………………………………………………………134.1送料机构的运动分析………………………………………………………134.2定位机构的运动分析………………………………………………………194.3进刀机构的运动分析………………………………………………………275.动力分析……………………………………………………………315.1计算等效阻力矩Mr………………………………………………………315.2计算等效驱动力矩Md……………………………………………………325.3计算最大盈亏功……………………………………………………………325.4计算飞轮的最大转动惯量…………………………………………………335.5确定飞轮的尺寸……………………………………………………………336.设计心得……………………………………………………………362机械原理课程设计(半自动化钻床)7.参考文献……………………………………………………………371方案设计1.1设计要求1.1.1设计题目及原始数据设计加工所示工件ф12mm孔的半自动钻床。进刀机构负责动力头的升降,送料机构将被加工工件推入加工位置,并由定位机构使被加工工件可靠固定。半自动钻床设计数据参看下表。半自动钻床凸轮设计数据表方案号进料机构工作行程mm定位机构工作行程mm动力头工作行程mm电动机转速r/mm工作节拍(生产率)件/minA40301514501B35252014002C30201096011.1.2设计方案提示1.钻头由动力头驱动,设计者只需考虑动力头的进刀(升降)运动。2.除动力头升降机构外,还需要设计送料机构、定位机构。各机构运动循环要求见下表。机构运动循环要求表凸轮轴转角10º20º30º45º60º75º90º105º~270º300º360º送料快进休止快退休止定位休止快进休止快退休止进刀休止快进快进快退休止3.可采用凸轮轴的方法分配协调各机构运动。1.1.3设计任务1.半自动钻床至少包括凸轮机构、齿轮机构在内的三种机构;3机械原理课程设计(半自动化钻床)2.设计传动系统并确定其传动比分配,并在图纸上画出传动系统图;3.图纸上画出半自动钻床的机构运动方案简图和运动循环图;4.凸轮机构的设计计算。按各凸轮机构的工作要求,自选从动件的运动...

1、当您付费下载文档后,您只拥有了使用权限,并不意味着购买了版权,文档只能用于自身使用,不得用于其他商业用途(如 [转卖]进行直接盈利或[编辑后售卖]进行间接盈利)。
2、本站所有内容均由合作方或网友上传,本站不对文档的完整性、权威性及其观点立场正确性做任何保证或承诺!文档内容仅供研究参考,付费前请自行鉴别。
3、如文档内容存在违规,或者侵犯商业秘密、侵犯著作权等,请点击“违规举报”。

碎片内容

机械原理-半自动化钻床设计

您可能关注的文档

确认删除?
VIP
微信客服
  • 扫码咨询
会员Q群
  • 会员专属群点击这里加入QQ群
客服邮箱
回到顶部