电脑桌面
添加小米粒文库到电脑桌面
安装后可以在桌面快捷访问

数控技术应用专业极限配合课程教案VIP免费

数控技术应用专业极限配合课程教案_第1页
1/24
数控技术应用专业极限配合课程教案_第2页
2/24
数控技术应用专业极限配合课程教案_第3页
3/24
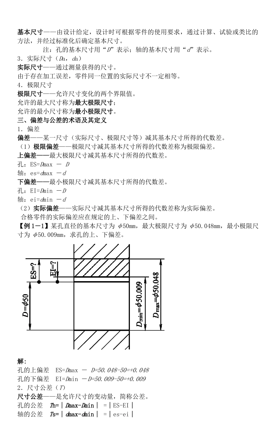
极限配合和技术测量授课教案课题:绪论教学时数:2学时授课时间:教学方法:讲授法教学目的与要求:理解互换性的概念明确本课程的任务教学重点与难点:强调本课程的地位与作用,激发学生的学习兴趣新授内容:第一章绪论一、互换性概述1.互换性的概念互换性——指机械工业中,制成的同一规格的一批零件或部件,不需作任何挑选、调整或辅助加工,就能进行装配,并能满足机械产品的使用性能要求的一种特性。互换性的优势:使用和维修方面加工和装配方面设计方面互换性包括:几何参数(如尺寸、形状等)的互换机械性能(如硬度、强度等)的互换2.几何量的误差、公差和测量零件的几何量误差——零件在加工过程中,由于机床精度、计量器具精度、操作工人技术水平及生产环境等诸多因素的影响,其加工后得到的几何参数会不可避免地偏离设计时的理想要求,而产生误差。几何量误差主要包含:尺寸误差形状误差位置误差表面微观形状误差——表面粗糙度几何参数的公差——零件几何参数允许的变动量,它包括尺寸公差、形状公差、位置公差等。只有将零件的误差控制在相应的公差内,才能保证互换性的实现。二、本课程的任务了解国家标准中有关极限与配合等方面的基本术语及其定义有关测量的基本知识形位公差的基本内容表面粗糙度的评定标准及基本的检测方法普通螺纹公差的特点熟悉或理解极限与配合标准的基本规定常用计量器具的读数原理形位公差代号的含义螺纹标记的组成及其含义掌握极限与配合方面的基本计算方法及代号的标注和识读常用计量器具的使用方法形位公差代号的标注方法表面粗糙度符号、代号的标注方法作业布置:P1一教后感:课题:光滑圆柱形结合的极限与配合教学时数:2学时授课时间:教学方法:讲授法教学目的与要求:了解基本术语及其定义教学重点与难点:理解孔和轴的概念理解和掌握有关尺寸概念及其关系理解和掌握尺寸偏差、公差的的概念及其与极限尺寸的关系理解和掌握配合的概念复习内容:互换性的概念新授内容:第二章孔、轴尺寸的极限配合§1-1基本术语及其定义一、孔和轴孔——通常指工件各种形状的内表面,包括圆柱形内表面和其它由单一尺寸形成的非圆柱形包容面。轴——通常指工件各种形状的外表面,包括圆柱形外表面和其它由单一尺寸形成的非圆柱形被包容面。二、尺寸的术语及其定义1.尺寸尺寸——用特定单位表示长度大小的数值。长度包括直径、半径、宽度、深度、高度和中心距等。尺寸由数值和特定单位两部分组成。例如30mm。注:机械图样中,尺寸单位为mm时,通常可以省略单位。2.基本尺寸(D,d)基本尺寸——由设计给定,设计时可根据零件的使用要求,通过计算、试验或类比的方法,并经过标准化后确定基本尺寸。注:孔的基本尺寸用“D”表示;轴的基本尺寸用“d”表示。3.实际尺寸(Da,da)实际尺寸——通过测量获得的尺寸。由于存在加工误差,零件同一位置的实际尺寸不一定相等。4.极限尺寸极限尺寸——允许尺寸变化的两个界限值。允许的最大尺寸称为最大极限尺寸;允许的最小尺寸称为最小极限尺寸。三、偏差与公差的术语及其定义1.偏差偏差——某一尺寸(实际尺寸、极限尺寸等)减其基本尺寸所得的代数差。(1)极限偏差——极限尺寸减其基本尺寸所得的代数差称为极限偏差。上偏差——最大极限尺寸减其基本尺寸所得的代数差。孔:ES=Dmax-D轴:es=dmax-d下偏差——最小极限尺寸减其基本尺寸所得的代数差。孔:EI=Dmin-D轴:ei=dmin-d(2)实际偏差——实际尺寸减其基本尺寸所得的代数差称为实际偏差。合格零件的实际偏差应在规定的上、下偏差之间。【例1-1】某孔直径的基本尺寸为φ50mm,最大极限尺寸为φ50.048mm,最小极限尺寸为φ50.009mm,求孔的上、下偏差。解:孔的上偏差ES=Dmax-D=50.048-50=+0.048孔的下偏差EI=Dmin-D=50.009-50=+0.0092.尺寸公差(T)尺寸公差——是允许尺寸的变动量,简称公差。孔的公差Th=│Dmax-Dmin│=│ES-EI│轴的公差Ts=│dmax-dmin│=│es-ei│四、配合的术语及其定义1.配合配合——基本尺寸相同的,相互结合的孔和轴公差带之间的关系。相互配合的孔和轴其基本尺寸应该是相同的。孔、轴...

1、当您付费下载文档后,您只拥有了使用权限,并不意味着购买了版权,文档只能用于自身使用,不得用于其他商业用途(如 [转卖]进行直接盈利或[编辑后售卖]进行间接盈利)。
2、本站所有内容均由合作方或网友上传,本站不对文档的完整性、权威性及其观点立场正确性做任何保证或承诺!文档内容仅供研究参考,付费前请自行鉴别。
3、如文档内容存在违规,或者侵犯商业秘密、侵犯著作权等,请点击“违规举报”。

碎片内容

数控技术应用专业极限配合课程教案

您可能关注的文档

确认删除?
VIP
微信客服
  • 扫码咨询
会员Q群
  • 会员专属群点击这里加入QQ群
客服邮箱
回到顶部