电脑桌面
添加小米粒文库到电脑桌面
安装后可以在桌面快捷访问

数字信号处理课设+语音信号的数字滤波VIP免费

数字信号处理课设+语音信号的数字滤波_第1页
1/9
数字信号处理课设+语音信号的数字滤波_第2页
2/9
数字信号处理课设+语音信号的数字滤波_第3页
3/9
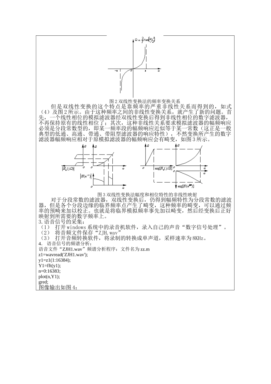
语音信号的数字滤波——利用双线性变换法实现IIR数字滤波器的设计一.课程设计的目的通过对常用数字滤波器的设计和实现,掌握数字信号处理的工作原理及设计方法;熟悉用双线性变换法设计IIR数字滤波器的原理与方法,掌握利用数字滤波器对信号进行滤波的方法,掌握数字滤波器的计算机仿真方法,并能够对设计结果加以分析。二.设计方案论证1.IIR数字滤波器设计方法IIR数字滤波器是一种离散时间系统,其系统函数为假设M≤N,当M>N时,系统函数可以看作一个IIR的子系统和一个(M-N)的FIR子系统的级联。IIR数字滤波器的设计实际上是求解滤波器的系数和,它是数学上的一种逼近问题,即在规定意义上(通常采用最小均方误差准则)去逼近系统的特性。如果在S平面上去逼近,就得到模拟滤波器;如果在z平面上去逼近,就得到数字滤波器。2.用双线性变换法设计IIR数字滤波器脉冲响应不变法的主要缺点是产生频率响应的混叠失真。这是因为从S平面到Z平面是多值的映射关系所造成的。为了克服这一缺点,可以采用非线性频率压缩方法,将整个频率轴上的频率范围压缩到-π/T~π/T之间,再用z=esT转换到Z平面上。也就是说,第一步先将整个S平面压缩映射到S1平面的-π/T~π/T一条横带里;第二步再通过标准变换关系z=es1T将此横带变换到整个Z平面上去。这样就使S平面与Z平面建立了一一对应的单值关系,消除了多值变换性,也就消除了频谱混叠现象,映射关系如图1所示。图1双线性变换的映射关系为了将S平面的整个虚轴jΩ压缩到S1平面jΩ1轴上的-π/T到π/T段上,可以通过以下的正切变换实现(1)式中,T仍是采样间隔。当Ω1由-π/T经过0变化到π/T时,Ω由-∞经过0变化到+∞,也即映射了整个jΩ轴。将式(1)写成将此关系解析延拓到整个S平面和S1平面,令jΩ=s,jΩ1=s1,则得再将S1平面通过以下标准变换关系映射到Z平面z=es1T从而得到S平面和Z平面的单值映射关系为:(2)(3)式(2)与式(3)是S平面与Z平面之间的单值映射关系,这种变换都是两个线性函数之比,因此称为双线性变换式(1)与式(2)的双线性变换符合映射变换应满足的两点要求。首先,把z=ejω,可得(4)即S平面的虚轴映射到Z平面的单位圆。其次,将s=σ+jΩ代入式(4),得因此由此看出,当σ<0时,|z|<1;当σ>0时,|z|>1。也就是说,S平面的左半平面映射到Z平面的单位圆内,S平面的右半平面映射到Z平面的单位圆外,S平面的虚轴映射到Z平面的单位圆上。因此,稳定的模拟滤波器经双线性变换后所得的数字滤波器也一定是稳定的。双线性变换法优缺点双线性变换法与脉冲响应不变法相比,其主要的优点是避免了频率响应的混叠现象。这是因为S平面与Z平面是单值的一一对应关系。S平面整个jΩ轴单值地对应于Z平面单位圆一周,即频率轴是单值变换关系。这个关系如式(4)所示,重写如下:上式表明,S平面上Ω与Z平面的ω成非线性的正切关系,如图2所示。由图2看出,在零频率附近,模拟角频率Ω与数字频率ω之间的变换关系接近于线性关系;但当Ω进一步增加时,ω增长得越来越慢,最后当Ω→∞时,ω终止在折叠频率ω=π处,因而双线性变换就不会出现由于高频部分超过折叠频率而混淆到低频部分去的现象,从而消除了频率混叠现象。图2双线性变换法的频率变换关系但是双线性变换的这个特点是靠频率的严重非线性关系而得到的,如式(4)及图2所示。由于这种频率之间的非线性变换关系,就产生了新的问题。首先,一个线性相位的模拟滤波器经双线性变换后得到非线性相位的数字滤波器,不再保持原有的线性相位了;其次,这种非线性关系要求模拟滤波器的幅频响应必须是分段常数型的,即某一频率段的幅频响应近似等于某一常数(这正是一般典型的低通、高通、带通、带阻型滤波器的响应特性),不然变换所产生的数字滤波器幅频响应相对于原模拟滤波器的幅频响应会有畸变,如图3所示。图3双线性变换法幅度和相位特性的非线性映射对于分段常数的滤波器,双线性变换后,仍得到幅频特性为分段常数的滤波器,但是各个分段边缘的临界频率点产生了畸变,这种频率的畸变,可以通过频率的预畸来加以校正。也就是将临界模拟频率事先加以畸变,然后经变换后正好映射到所需要的数...

1、当您付费下载文档后,您只拥有了使用权限,并不意味着购买了版权,文档只能用于自身使用,不得用于其他商业用途(如 [转卖]进行直接盈利或[编辑后售卖]进行间接盈利)。
2、本站所有内容均由合作方或网友上传,本站不对文档的完整性、权威性及其观点立场正确性做任何保证或承诺!文档内容仅供研究参考,付费前请自行鉴别。
3、如文档内容存在违规,或者侵犯商业秘密、侵犯著作权等,请点击“违规举报”。

碎片内容

数字信号处理课设+语音信号的数字滤波

文泉书屋+ 关注
实名认证
内容提供者

热爱教学事业,对互联网知识分享很感兴趣

确认删除?
VIP
微信客服
  • 扫码咨询
会员Q群
  • 会员专属群点击这里加入QQ群
客服邮箱
回到顶部