电脑桌面
添加小米粒文库到电脑桌面
安装后可以在桌面快捷访问

《机械制造工艺与装备Ⅱ》期末试卷(B)VIP专享VIP免费

《机械制造工艺与装备Ⅱ》期末试卷(B)_第1页
1/5
《机械制造工艺与装备Ⅱ》期末试卷(B)_第2页
2/5
《机械制造工艺与装备Ⅱ》期末试卷(B)_第3页
3/5
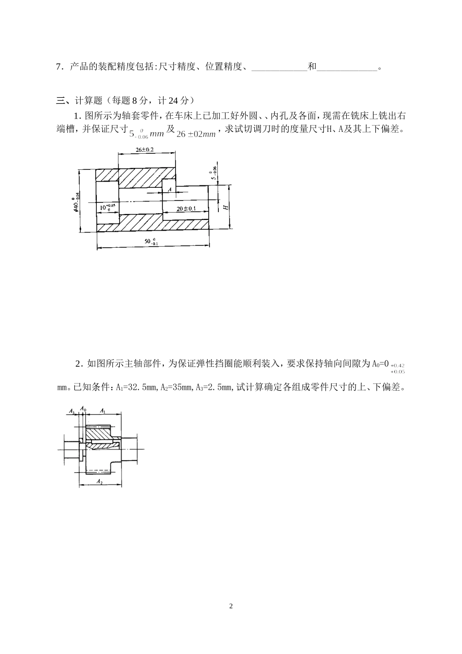
《机械制造工艺与装备Ⅱ》期末试卷(B)班级学号姓名成绩一、判断题(24分)1.外圆磨削时,为消除表面烧伤可适应降低工件转速。……………………………()2.以工件回转方式钻孔,孔轴线的直线度精度较高;以麻花钻回转方式钻孔,则孔的尺寸精度较高。………………………………………………()3.珩磨加工可提高孔的位置精度。……………………()4.砂轮粒度号越大,则颗粒越小。……………………………………()5.磨削硬材料应选择高硬度的砂轮。……………………………………()6.铸铁油缸,在大批量生产中,可采用生产率较高的滚压加工。………………()7.在淬火后的工件上通过刮研可以获得较高的形状和位置精度。………………()8.回转式镗套只适宜在低速的情况下工作。…………………………………………()9.用盘铣刀铣削齿轮是一种成形法齿形加工。…………………………()10.分组装配法一般用于组成环较少,而配合精度要求较高的场合。……………()11.调整装配法与修配法的区别是调整装配法不是靠去除金属,而是靠改变补偿件的位置或更换补偿件的方法。……………………………………………………………()12.协调环(相依环)的作用是为保证装配精度,因此其上下偏差应根据装配精度来确定的。………………………………………()二、填空题(20分)1.平面磨削的方式有和两种。2.超精加工大致有四个阶段,它们是、、、。3.盖板式钻模一般多用于加工工件上的。因夹具在使用过程中要经常搬动,故其质量不宜超过。4.铣削用量四要素为____________、____________、____________和____________。5.剃齿加工可修正齿轮运动精度中的,但不能修正运动精度中的。6.剃齿刀精度有A级、级和级,可分别加工出6级,和级齿轮。17.产品的装配精度包括:尺寸精度、位置精度、____________和_____________。三、计算题(每题8分,计24分)1.图所示为轴套零件,在车床上已加工好外圆、、内孔及各面,现需在铣床上铣出右端槽,并保证尺寸及,求试切调刀时的度量尺寸H、A及其上下偏差。2.如图所示主轴部件,为保证弹性挡圈能顺利装入,要求保持轴向间隙为A0=0mm。已知条件:A1=32.5mm,A2=35mm,A3=2.5mm,试计算确定各组成零件尺寸的上、下偏差。23.图所示为键槽与键的装配尺寸结构。其尺寸是:A1=20mm,A2=20mm,A0=0mm。1)当大批量生产时,采用完全互换法装配,试求各组成零件尺寸的上下偏差。2)当小批量生产时,采用修配法装配;试确定修配的零件并求出各有关零件尺寸的公差。四、如图(a)所示铣36±02.mm的工序简图、(b)为铣夹具简图,在夹具简图上标出影响加工精度的三类尺寸及偏差。(10分)3五、编制下列双联齿轮的机械加工工艺规程。材料40Cr。生产批量:大批生产。写出工序号、工序内容、定位基准、设备名称。(10分)4六、六、试分析图示回转式车夹具,要求:1.指出各定位元件和安装元件;2.指出影响加工精度的二类尺寸;(12分)5

1、当您付费下载文档后,您只拥有了使用权限,并不意味着购买了版权,文档只能用于自身使用,不得用于其他商业用途(如 [转卖]进行直接盈利或[编辑后售卖]进行间接盈利)。
2、本站所有内容均由合作方或网友上传,本站不对文档的完整性、权威性及其观点立场正确性做任何保证或承诺!文档内容仅供研究参考,付费前请自行鉴别。
3、如文档内容存在违规,或者侵犯商业秘密、侵犯著作权等,请点击“违规举报”。

碎片内容

《机械制造工艺与装备Ⅱ》期末试卷(B)

您可能关注的文档

确认删除?
VIP
微信客服
  • 扫码咨询
会员Q群
  • 会员专属群点击这里加入QQ群
客服邮箱
回到顶部