电脑桌面
添加小米粒文库到电脑桌面
安装后可以在桌面快捷访问

制造业通用品质手冊(1)VIP专享VIP免费

制造业通用品质手冊(1)_第1页
1/34
制造业通用品质手冊(1)_第2页
2/34
制造业通用品质手冊(1)_第3页
3/34
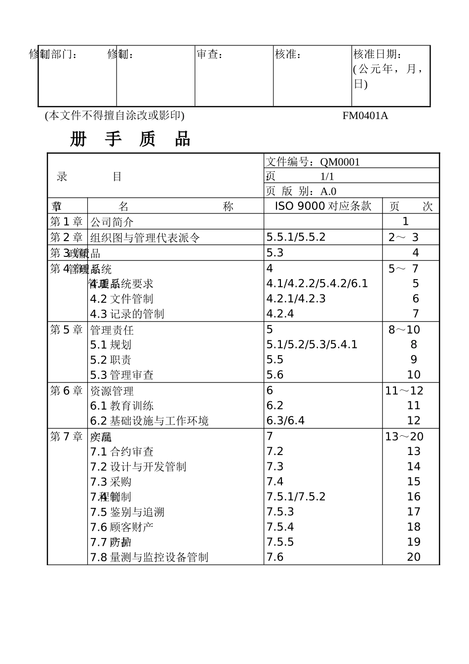
品质手册︵制造业范例︶○○股份有限公司文件制修订记录书品质手册文件编号:QM0001页次:1/1页版别A.0文件类别:QM制修订记录文件版别制修订日期制修订页次制修订摘要(增、减、改、项目)A全册新订页版别目录页次123456789101112131415161718192021222324页版000000000000000000000000页次2526272829303132333435363738394041424344目录附件1附件2附件3页版000000分发单位:正本:文件管制中心制修订部门:制修订:审查:核准:核准日期:(公元年,月,日)(本文件不得擅自涂改或影印)FM0401A品质手册目录文件编号:QM0001页次:1/1页版别:A.0章节名称ISO9000对应条款页次第1章公司简介1第2章组织图与管理代表派令5.5.1/5.5.22~3第3章品质政策5.34第4章品质管理系统4.1品质管理系统要求4.2文件管制4.3记录的管制44.1/4.2.2/5.4.2/6.14.2.1/4.2.34.2.45~7567第5章管理责任5.1规划5.2职责5.3管理审查55.1/5.2/5.3/5.4.15.55.68~108910第6章资源管理6.1教育训练6.2基础设施与工作环境66.26.3/6.411~121112第7章产品实现7.1合约审查7.2设计与开发管制7.3采购7.4制程管制7.5鉴别与追溯7.6顾客财产7.7产品防护7.8量测与监控设备管制77.27.37.47.5.1/7.5.27.5.37.5.47.5.57.613~201314151617181920第8章量测分析与改善8.1顾客满意度8.2内部稽核8.3过程量测与监控8.4产品量测与监控8.5不符合产品管制8.6统计、分析、改善与矫正预防88.2.18.2.28.2.38.2.48.38.4/8.521~26212223242526附件1系统文件总览表4.2.26页附件2品质保证体系图4.2.22页附件3品质管理系统互动关系图4.2.21页(本文件不得擅自涂改或影印)品质手册第1章公司简介文件编号:QM0001页次:1/26页版别:A.01.1公司简介:1.1.1成立成间:1.1.2资本额:1.1.3董事长:1.1.4总经理:1.1.5主要产品:1.1.6公司地址:1.2沿革:1998年04月1999年04月1999年10月1999年11月2000年03月2000年12月2000年12月2001年02月1.3经营哲学:良心、永续、诚信、踏实(本文件不得擅自涂改或影印)FM0402A品质手册第2章组织图及管理代表派令文件编号:QM0001页次:2/26页版别:A.02.1组织图:(本文件不得擅自涂改或影印)FM0402A董事长总经理总经理室股务室制造处品保部生产部制程技术部工程设备部项目部光机工程部伺服机构技术部电控技术部光学技术部资材部采购部行政部工安室业务部财会部信息部研发处管理处品质手册第2章组织图及管理代表派令文件编号:QM0001页次:3/26页版别:A.02.2管理代表派令:兹遣派○○○为本公司ISO9000国际品质管理系统之管理代表,负责建立、执行与维持系统,并向管理阶层提出品质管理系统执行成效及待改进事项报告,确保全员皆能了解顾客需求与法令要求,为品质管理系统之对外发言及联络人。总经理:○○○日期:年月日(本文件不得擅自涂改或影印)FM0402A品质手册第3章品质政策文件编号:QM0001页次:4/26页版别:A.0研发QCES经营PDCA产品研发,须是经过品质(Quality)、成本(Cost)、工程设计(Engineering)、专业(Specialize)审慎考量与精心设计的结晶;经营管理,务必做到规划(Plan)、执行(Do)、查检(Check)、修正行动(Action)之持续不断改善。提升品质、降低价格、增加产品附加价值,赢得顾客信赖与满意,提高获利与福利。(本文件不得擅自涂改或影印)FM0402A品质手册第4章品质管理系统文件编号:QM0001页次:5/26页版别:A.04.1品质管理系统要求4.1.1本公司之品质活动由顾客订单、采购、生产、检验与测试、包装与储存、交货、顾客服务…等构成之,相关品质管理系统运作原则之基本文件以「品质手册」为依据。而各部门为达成品质目标及系统运作,应制订相关程序书或过程规划书以为依据。另为执行品质手册或程序书或过程规划书所规定之作业、技术等,应制订指导书为依据。所有系统层级程序及有关参考资料以「系统文件总览表」为架构,其相互关系则以「品质管理系统互动关系图」为依据。4.1.2为确保产品于设计开发、制造与售后各阶段品质之一致性,制订「品质保证体系图」以为品质管制之依据。4.1.3因应顾客之特殊需求或项目之要求,亦应制订相关管制计划(QC工程表),以做为管制之依据。4.1.4品质系统运作之...

1、当您付费下载文档后,您只拥有了使用权限,并不意味着购买了版权,文档只能用于自身使用,不得用于其他商业用途(如 [转卖]进行直接盈利或[编辑后售卖]进行间接盈利)。
2、本站所有内容均由合作方或网友上传,本站不对文档的完整性、权威性及其观点立场正确性做任何保证或承诺!文档内容仅供研究参考,付费前请自行鉴别。
3、如文档内容存在违规,或者侵犯商业秘密、侵犯著作权等,请点击“违规举报”。

碎片内容

制造业通用品质手冊(1)

确认删除?
VIP
微信客服
  • 扫码咨询
会员Q群
  • 会员专属群点击这里加入QQ群
客服邮箱
回到顶部