电脑桌面
添加小米粒文库到电脑桌面
安装后可以在桌面快捷访问

住宅工程质量分户验收记录表格套装VIP免费

住宅工程质量分户验收记录表格套装_第1页
1/31
住宅工程质量分户验收记录表格套装_第2页
2/31
住宅工程质量分户验收记录表格套装_第3页
3/31
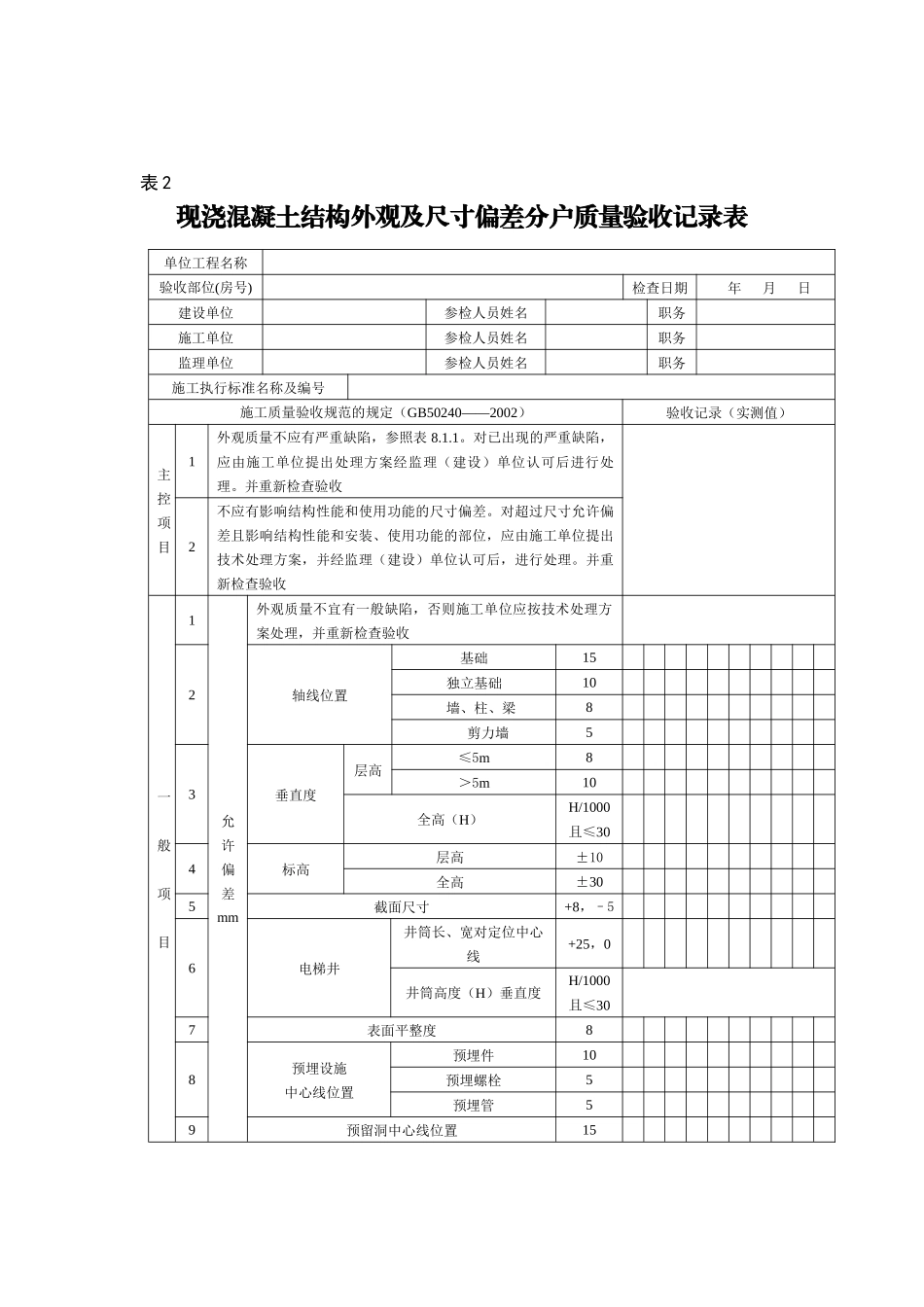
表1住宅工程质量分户验收记录工程名称房号楼单元号建设单位施工单位监理单位开工日期物业单位竣工日期序号验收内容验收结论1建筑结构外观及尺寸偏差2门窗安装质量3墙面、地面和顶棚面层质量4防水工程质量5采暖系统安装质量6给水、排水系统安装质量7室内电气工程安装质量8节能工程质量9其它规定、标准中要求分户检查的内容综合验收结论验收单位建设单位施工单位监理单位(验收专用章)单位(项目)负责人年月日(验收专用章)单位负责人年月日(验收专用章)总监理工程师年月日表2现浇混凝土结构外观及尺寸偏差分户质量验收记录表单位工程名称验收部位(房号)检查日期年月日建设单位参检人员姓名职务施工单位参检人员姓名职务监理单位参检人员姓名职务施工执行标准名称及编号施工质量验收规范的规定(GB50240——2002)验收记录(实测值)主控项目1外观质量不应有严重缺陷,参照表8.1.1。对已出现的严重缺陷,应由施工单位提出处理方案经监理(建设)单位认可后进行处理。并重新检查验收2不应有影响结构性能和使用功能的尺寸偏差。对超过尺寸允许偏差且影响结构性能和安装、使用功能的部位,应由施工单位提出技术处理方案,并经监理(建设)单位认可后,进行处理。并重新检查验收一般项目1允许偏差mm外观质量不宜有一般缺陷,否则施工单位应按技术处理方案处理,并重新检查验收2轴线位置基础15独立基础10墙、柱、梁8剪力墙53垂直度层高≤5m8>5m10全高(H)H/1000且≤304标高层高±10全高±305截面尺寸+8,–56电梯井井筒长、宽对定位中心线+25,0井筒高度(H)垂直度H/1000且≤307表面平整度88预埋设施中心线位置预埋件10预埋螺栓5预埋管59预留洞中心线位置15复查记录监理工程师(签章)年月日建设单位专业技术负责人(签章)年月日施工单位检查评定结果施工单位质量检查员(签章)年月日监理单位验收结果监理工程师(签章)年月日建设单位验收结果建设单位专业技术负责人(签章)年月日表3砖砌体工程质量分户验收记录表表4单位工程名称验收部位(房号)检查日期年月日建设单位参检人员姓名职务施工单位参检人员姓名职务监理单位参检人员姓名职务施工执行标准名称及编号施工质量验收规范的规定(GB50203——2002)验收记录(实测值)主控项目1砖强度等级应符合设计要求MU2砂浆强度等级应符合设计要求M3水平灰缝砂浆饱满度应≥80%4砖砌体的转角处和交接处应同时砌筑,严禁无可靠措施的内外墙分砌施工。对不能同时砌筑而又必须留置的临时间断处应砌成斜槎,斜槎水平投影长度不应小于高度的2/3。5抗震设防6度、7度地区除转角外可留置直槎,必须做成凸槎,并加设拉接筋,数量为每120mm墙厚放1¢6,间距沿墙高不超过500mm,埋入长度从留槎处每边不小于1000mm,末端有90°弯钩6轴线位移≤10mm7垂直度≤5mm一般项目1组砌方法应正确,上、下错缝,内外搭砌,砖柱不得有包心砌2允许偏差mm水平灰缝厚度10mm±23基础底面、楼面标高±154表面平整度清水墙、柱5混水墙、柱85门窗洞口高、宽(后塞口)±56外墙上下窗口偏移207水平灰缝平直度清水墙7混水墙108清水墙游丁走缝209防潮层配比及施工应符合设计要求复查记录监理工程师(签章)年月日建设单位专业技术负责人(签章)年月日施工单位检查评定结果施工单位质量检查员(签章)年月日监理单位验收结果监理工程师(签章)年月日建设单位验收结果建设单位专业技术负责人(签章)年月日金属门窗安装工程分户质量验收记录表单位工程名称验收部位(房号)检查日期年月日建设单位参检人员姓名职务总包单位参检人员姓名职务分包单位参检人员姓名职务监理单位参检人员姓名职务施工执行标准名称及编号施工质量验收规范的规定(GB50210——2001)验收记录主控项目1金属门窗的品种、类型、规格、尺寸、性能、开启方向、安装位置、连接方式及铝合金门窗的型材壁后应符合设计要求。金属门窗的防腐处理及填嵌、密封处理应符合设计要求2金属门窗框和副框的安装必须牢固。预埋件的数量、位置、埋设方式、与框的连接方式必须符合设计要求3金属门窗扇必须安装牢固,并应开关灵活、关闭严密、无倒翘。推拉门窗扇必须有防脱落措施4金属门窗配件的型号、规格、数量应...

1、当您付费下载文档后,您只拥有了使用权限,并不意味着购买了版权,文档只能用于自身使用,不得用于其他商业用途(如 [转卖]进行直接盈利或[编辑后售卖]进行间接盈利)。
2、本站所有内容均由合作方或网友上传,本站不对文档的完整性、权威性及其观点立场正确性做任何保证或承诺!文档内容仅供研究参考,付费前请自行鉴别。
3、如文档内容存在违规,或者侵犯商业秘密、侵犯著作权等,请点击“违规举报”。

碎片内容

住宅工程质量分户验收记录表格套装

黄金阁书苑+ 关注
实名认证
内容提供者

热爱教学事业,对互联网知识分享很感兴趣

确认删除?
VIP
微信客服
  • 扫码咨询
会员Q群
  • 会员专属群点击这里加入QQ群
客服邮箱
回到顶部