电脑桌面
添加小米粒文库到电脑桌面
安装后可以在桌面快捷访问

发动机机械部分的结构与维修VIP免费

发动机机械部分的结构与维修_第1页
1/35
发动机机械部分的结构与维修_第2页
2/35
发动机机械部分的结构与维修_第3页
3/35
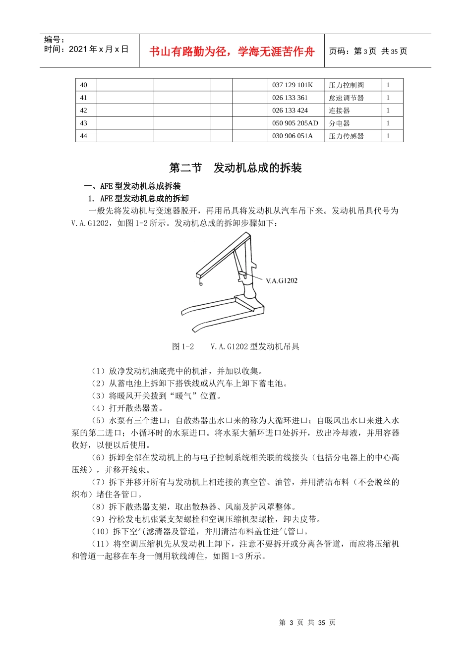
第1页共35页编号:时间:2021年x月x日书山有路勤为径,学海无涯苦作舟页码:第1页共35页第一章发动机机械部分的结构与维修第一节发动机的总体结构上海桑塔纳2000系列轿车发动机为四冲程、四缸直列、自然吸气、火花塞点燃、二气门、电子控制喷射系统(2000GLi、2000GSi型)水冷式发动机。上海桑塔纳2000GLi轿车的发动机为采用λ闭环控制的M1.5.4P版本电控多点汽油喷射系统的AFE型发动机,桑塔纳2000Gsi轿车(时代超人)则采用M3.8.2版本电控多点汽油喷射系统的AJR型发动机。两种发动机在很多系统上的结构变化不大,通用零部件也较多。AJR型发动机与AFE型发动机相比主要增加零件和取消零件如表1-1所示。桑塔纳2000GSi型轿车装用的是AJR型发动机,是一种二气门、横流扫气的汽油发动机。AJR型发动机总成正视剖面图如图1-1所示。图1-1AJR型发动机总成正面剖视图1-空调压缩机2-张紧装置3-交流发电机4-导向轮5-锯齿形皮带6-动力转向盘7-曲轴皮带轮表1-1AJR型发动机和AFE型发动机主要增加件和取消零件表序号增加件备注取消件零件号名称每台数量零件号名称每台数量106A103021E气缸体1051103021气缸体1206B103373B气缸盖1048103373B气缸盖1306B103373B气缸垫1330103383气缸垫1406A103384A气缸盖螺栓10049103385C气缸盖螺栓10506A105101曲轴1026105101F曲轴1606A107103A活塞4026107103AE活塞4第2页共35页第1页共35页编号:时间:2021年x月x日书山有路勤为径,学海无涯苦作舟页码:第2页共35页7050109101B凸轮轴1048109101F凸轮轴1806A115105机油泵组件1068115109A机油泵组件1906A119111A水泵轴承1属于06A121011E026119111水泵轴承11006A121017A水封1属于06A121011E051121017水封111050121113C节温器1056121113D节温器112330129607空气滤清器组件1330133837空气滤清器113058133063H节气门体1026133061节气门体114051133517AKF控制阀11506B133551A喷油器4026133025喷油器4161HD201801C活性碳罐1AKF1706B253033A排气歧管1049129591R排气歧管118037253039D排气密封垫1037253039排气密封垫119330253209C前消声器组件1330253209A前消声器组件120330253409A中消声器组件1323253409A中消声器组件121330253609C主消声器组件1330253609A主消声器组件122330422155B动力转向油泵组件1330442155A动力转向油泵123330442371转向储油器组件1325422371-1转向储油器124330820830B压缩机组件1330820803A压缩机组件125058903016E交流发电机126032905106高压静电态分配器12706A905161B霍尔传感器128054905377A爆震传感器129058905379水温传感器130030906265BC氧传感器Lamda探头1330906265氧传感器Lamda探头13106A906433F脉冲传感器13206A906461空气流量器133330907404电控单元1330907311A电控单元134191919369A热敏开关1053919369A温度开关135357919501A进气温度传感器1049919501进气温度传感器136357919506A风扇控制器1371HD959142空调继电器138330959455A电动冷却风扇2330959455电动冷却风扇239056115019B中间螺母1第3页共35页第2页共35页编号:时间:2021年x月x日书山有路勤为径,学海无涯苦作舟页码:第3页共35页40037129101K压力控制阀141026133361怠速调节器142026133424连接器143050905205AD分电器144030906051A压力传感器1第二节发动机总成的拆装一、AFE型发动机总成拆装1.AFE型发动机总成的拆卸一般先将发动机与变速器脱开,再用吊具将发动机从汽车吊下来。发动机吊具代号为V.A.G1202,如图1-2所示。发动机总成的拆卸步骤如下:图1-2V.A.G1202型发动机吊具(l)放净发动机油底壳中的机油,并加以收集。(2)从蓄电池上拆卸下搭铁线或从汽车上卸下蓄电池。(3)将暖风开关拨到“暖气”位置。(4)打开散热器盖。(5)水泵有三个进口:自散热器出水口来的称为大循环进口;自暖风出水口来进入水泵的第二进口;小循环时的水泵进口。将水泵大循环进口处拆开,放出冷却液,并用容器收好,以便以后使用。(6)拆卸全部在发动机上的与电子控制系统相关联的线接头(包括分电器上的中心高压线),并移开线束。(7)拆下并移开所有与发动机上相连接的真空管、油管,并用清洁布料(不会脱丝的织布)堵住各管口。(8)拆...

1、当您付费下载文档后,您只拥有了使用权限,并不意味着购买了版权,文档只能用于自身使用,不得用于其他商业用途(如 [转卖]进行直接盈利或[编辑后售卖]进行间接盈利)。
2、本站所有内容均由合作方或网友上传,本站不对文档的完整性、权威性及其观点立场正确性做任何保证或承诺!文档内容仅供研究参考,付费前请自行鉴别。
3、如文档内容存在违规,或者侵犯商业秘密、侵犯著作权等,请点击“违规举报”。

碎片内容

发动机机械部分的结构与维修

您可能关注的文档

中小学教育精品资料+ 关注
实名认证
内容提供者

中小学教育资料,优质文档创作者

相关文档

确认删除?
VIP
微信客服
  • 扫码咨询
会员Q群
  • 会员专属群点击这里加入QQ群
客服邮箱
回到顶部