电脑桌面
添加小米粒文库到电脑桌面
安装后可以在桌面快捷访问

建筑给排水工程VIP免费

建筑给排水工程_第1页
1/7
建筑给排水工程_第2页
2/7
建筑给排水工程_第3页
3/7
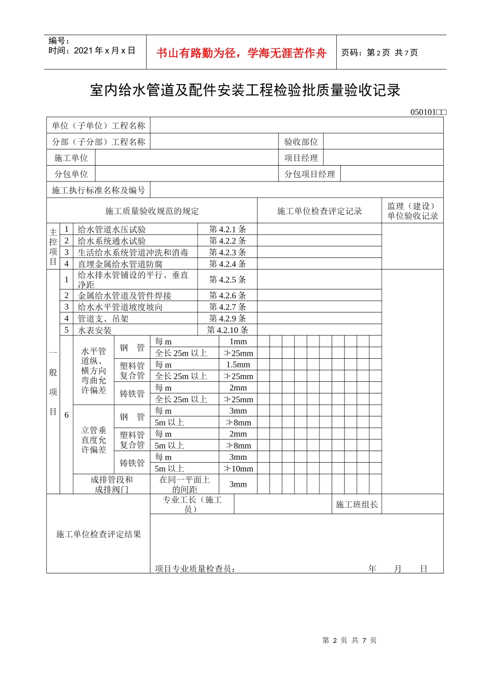
第1页共7页编号:时间:2021年x月x日书山有路勤为径,学海无涯苦作舟页码:第1页共7页报验申请表工程名称:编号:致:(监理公司)我单位已完成了工作,现报上该工程报验申请表,请予以审查和验收。附:承包单位(章):项目经理:日期:审查意见:项目监理机构(章):总/专业监理工程师:日期:第2页共7页第1页共7页编号:时间:2021年x月x日书山有路勤为径,学海无涯苦作舟页码:第2页共7页室内给水管道及配件安装工程检验批质量验收记录050101□□单位(子单位)工程名称分部(子分部)工程名称验收部位施工单位项目经理分包单位分包项目经理施工执行标准名称及编号施工质量验收规范的规定施工单位检查评定记录监理(建设)单位验收记录主控项目1给水管道水压试验第4.2.1条2给水系统通水试验第4.2.2条3生活给水系统管道冲洗和消毒第4.2.3条4直埋金属给水管道防腐第4.2.4条一般项目1给水排水管铺设的平行、垂直净距第4.2.5条2金属给水管道及管件焊接第4.2.6条3给水水平管道坡度坡向第4.2.7条4管道支、吊架第4.2.9条5水表安装第4.2.10条6水平管道纵、横方向弯曲允许偏差钢管每m1mm全长25m以上≯25mm塑料管复合管每m1.5mm全长25m以上≯25mm铸铁管每m2mm全长25m以上≯25mm立管垂直度允许偏差钢管每m3mm5m以上≯8mm塑料管复合管每m2mm5m以上≯8mm铸铁管每m3mm5m以上≯10mm成排管段和成排阀门在同一平面上的间距3mm施工单位检查评定结果专业工长(施工员)施工班组长项目专业质量检查员:年月日第3页共7页第2页共7页编号:时间:2021年x月x日书山有路勤为径,学海无涯苦作舟页码:第3页共7页监理(建设)单位验收结论专业监理工程师:(建设单位项目专业技术负责人)年月日报验申请表致:(监理公司)我单位已完成了工作,现报上该工程报验申请表,请予以审查和验收。附:承包单位(章):项目经理:日期:审查意见:项目监理机构(章):第4页共7页第3页共7页编号:时间:2021年x月x日书山有路勤为径,学海无涯苦作舟页码:第4页共7页工程名称:编号:室内排水管道及配件安装工程检验批质量验收记录050201□□单位(子单位)工程名称分部(子分部)工程名称验收部位施工单位项目经理分包单位分包项目经理施工执行标准名称及编号施工质量验收规范的规定施工单位检查评定记录监理(建设)单位验收记录主控项目1排水管道灌水试验第5.2.1条2生活污水铸铁管,塑料管坡度第5.2.2、5.2.3条3排水塑料管安装伸缩节第5.2.4条4排水主立管及水平干管通球试验第5.2.5条一般项目1生活污水管道上设检查口和清扫口第5.2.6、5.2.7条2金属和塑料管支、吊架安装第5.2.8、5.2.9条3排水通气管安装第5.2.10条4医院污水和饮食业工艺排水第5.2.11、5.2.12条5室内排水管道安装第5.2.13、5.2.14、5.2.15条6排水管安装允许偏差坐标15mm标高±15mm横管纵横方向弯曲铸管铁每1m≯1mm全长(25m以上)≯25mm钢管每1m管径≤100mm1mm管径>100mm1.5mm全长(25m以上)管径≤100mm≯25mm管径>100mm≯38mm塑料管每1m1.5mm全长(25m以上)≯38mm钢筋砼管每1m3mm全长(25m以上)≯75mm立管垂直度铸铁管每1m3mm全长(5m以上)≯15mm钢管每1m3mm全长(5m以上)≯10mm塑料管每1m3mm全长(5m以上)≯15mm总/专业监理工程师:日期:第5页共7页第4页共7页编号:时间:2021年x月x日书山有路勤为径,学海无涯苦作舟页码:第5页共7页施工单位检查评定结果专业工长(施工员)施工班组长项目专业质量检查员:年月日监理(建设)单位验收结论专业监理工程师:(建设单位项目专业技术负责人)年月日报验申请表致:(监理公司)我单位已完成了工作,现报上该工程报验申请表,请予以审查和验收。附:承包单位(章):项目经理:日期:审查意见:第6页共7页第5页共7页编号:时间:2021年x月x日书山有路勤为径,学海无涯苦作舟页码:第6页共7页工程名称:编号:雨水管道及配件安装工程检验批质量验收记录050202□□单位(子单位)工程名称分部(子分部)工程名称验收部位施工单位项目经理分包单位分包项目经理施工执行标准名称及编号施工质量验收规范的规定施工单位检查评定记录监理(建设)单位验收记录主控项目1室内雨水管道灌水试验第5.3.1...

1、当您付费下载文档后,您只拥有了使用权限,并不意味着购买了版权,文档只能用于自身使用,不得用于其他商业用途(如 [转卖]进行直接盈利或[编辑后售卖]进行间接盈利)。
2、本站所有内容均由合作方或网友上传,本站不对文档的完整性、权威性及其观点立场正确性做任何保证或承诺!文档内容仅供研究参考,付费前请自行鉴别。
3、如文档内容存在违规,或者侵犯商业秘密、侵犯著作权等,请点击“违规举报”。

碎片内容

建筑给排水工程

中小学教育精品资料+ 关注
实名认证
内容提供者

中小学教育资料,优质文档创作者

确认删除?
VIP
微信客服
  • 扫码咨询
会员Q群
  • 会员专属群点击这里加入QQ群
客服邮箱
回到顶部