电脑桌面
添加小米粒文库到电脑桌面
安装后可以在桌面快捷访问

国家标准-机械工程CAD制图规则VIP免费

国家标准-机械工程CAD制图规则_第1页
1/11
国家标准-机械工程CAD制图规则_第2页
2/11
国家标准-机械工程CAD制图规则_第3页
3/11
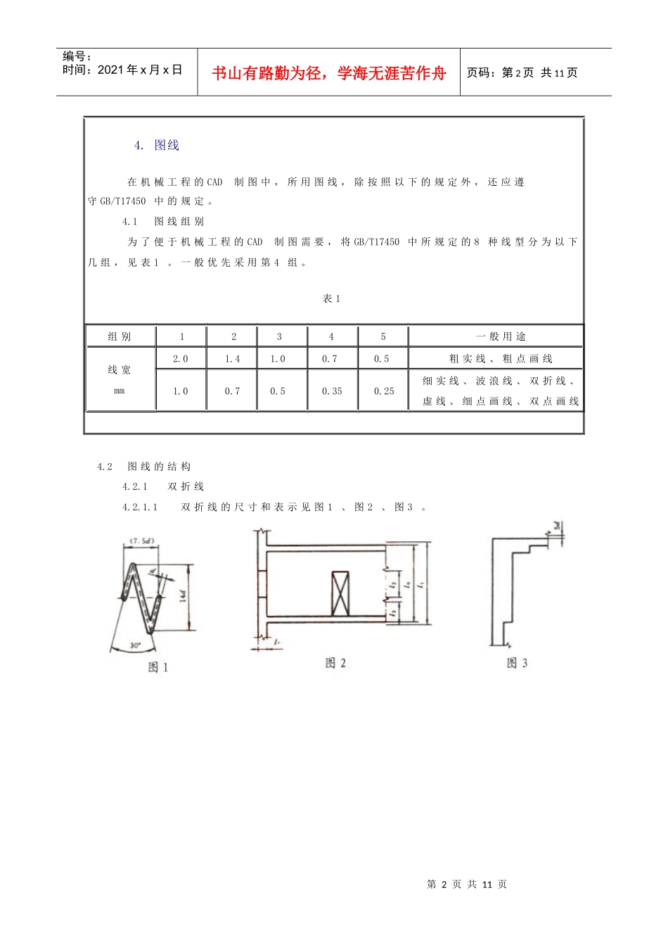
第1页共11页编号:时间:2021年x月x日书山有路勤为径,学海无涯苦作舟页码:第1页共11页中华人民共和国国家标准机械工程CAD制图规则MechanicalengineeringdrawingsrulesofCADGB/T14665-1998代替GB/T14665-931.范围本标准规定了机械工程中用计算机辅助设计(以下简称CAD)时的制图规则。本标准适用于在计算机及其处围设备中进行显示、绘制、打印的机械工程图样及有关技术文件。2.引用标准下列标准所包含的条文,通过在本标准中引用而构成为本标准的条文。本标准出版时,所示版本均为有效。所有标准都会被修订,使用本标准的各方应探讨使用下列标准最新版本的可能性。GB/T4458.4-84机械制图尺寸注法GB/T10609.4-89技术制图对缩微复制原件的要求GB/T13362.4-92机械制图用计算机信息交换常用长仿宋矢量字体、代(符)号GB/T13362.5-92机械制图用计算机信息交换常用长仿宋矢量字体、代(符)号数据集GB/T14691-93技术制图字体GB/T17450-1998技术制图图线3.基本原则3.1凡在计算机及其外围设备中绘制机械工程图样时,如涉及本标准中未规定的内容,应符合有关标准和规定。3.2在机械工程制图中用CAD绘制的机械工程图样,首先应考虑表达准确,看图方便。在完整、清晰、准确地表达机件各部分形状的前提下,力求制图简便。3.3用CAD绘制机械图样时,尽量采用CAD新技术。第2页共11页第1页共11页编号:时间:2021年x月x日书山有路勤为径,学海无涯苦作舟页码:第2页共11页4.图线在机械工程的CAD制图中,所用图线,除按照以下的规定外,还应遵守GB/T17450中的规定。4.1图线组别为了便于机械工程的CAD制图需要,将GB/T17450中所规定的8种线型分为以下几组,见表1。一般优先采用第4组。表1组别12345一般用途线宽mm2.01.41.00.70.5粗实线、粗点画线1.00.70.50.350.25细实线、波浪线、双折线、虚线、细点画线、双点画线4.2图线的结构4.2.1双折线4.2.1.1双折线的尺寸和表示见图1、图2、图3。第3页共11页第2页共11页编号:时间:2021年x月x日书山有路勤为径,学海无涯苦作舟页码:第3页共11页4.2.1.2计算双折线各部分尺寸的公式双折线的完整长度:l1=l0+10d在一条双折线内Z形的数目:n=l1/80+1(一般圆整,l1<40n=1)两个Z形之间的线段长度:l2=l1/n-7.5d在线的两端的线段长:当有两个或多个Z形时l3=l2/2当只有一个Z形时l3=(l1-7.5d)/2l0<=10d,Z形的配置如图3所示。4.2.1.3举例l0=125,d=0.25l1=125+2.5=127.5n=127.5/80+1=2.594(圆整为3)l2=127.5/3-(7.5*0.25)=40.625l3=40.625/2=20.3134.2.2虚线(F型线)4.2.2.1虚线的尺寸和表示见图4、图5。4.2.2.2计算虚线各部分尺寸的公式虚线的全长:l1=l0第4页共11页第3页共11页编号:时间:2021年x月x日书山有路勤为径,学海无涯苦作舟页码:第4页共11页一条虚线内短画数目:n=(l0-12d)/15d(一般圆整)短画的长度:l2=(l1-3dn)/(n+1)虚线的最小长度:l1min=l0min=27d(2条短画12,1个间隔3d)如果在画虚线时长度小于l1=27d,可以采用将各部分尺寸放大的形式。4.2.2.3举例l1=125,d=0.35n=(125-4.2)/5.25=23.01(圆整为23)l2=(125-24.15)/24=4.202允许按固定的短画(12d)画线,此时线的一端可能是较短或较长的短画。4.2.3点画线(G型线、J型线)4.2.3.1点画线的尺寸和表示见图6、图7。第5页共11页第4页共11页编号:时间:2021年x月x日书山有路勤为径,学海无涯苦作舟页码:第5页共11页4.2.3.2计算点画线各部分尺寸的公式点画线的全长:l1=l0+24d(在可见轮廓的两端线条要延伸出来)在点画线全长内点画线段的数目:n=(l1-24d)/30.5d(一般圆整)长画的长度:l3=(l1-6.5dn)/(n+1)点画线的最小长度:l1min=54.5d4.2.3.3举例l0=125,d=0.25l1=125+6=131n=(131-6)/7.625=16.393(圆整为16)l3=(131-26)/17=6.176点画线小于l1min=35.5d时,可画成细实线。4.2.4双点画线(K型线)4.2.4.1双点画线的尺寸和表示见图8、图9。第6页共11页第5页共11页编号:时间:2021年x月x日书山有路勤为径,学海无涯苦作舟页码:第6页共11页4.2.4.2计算双点画线各部分尺寸的公式双点画线的长度:l1=l0-x一条双点画线内双点画线段的数目:n=(l1-24d)/34d(一般圆整)长画的长度:...

1、当您付费下载文档后,您只拥有了使用权限,并不意味着购买了版权,文档只能用于自身使用,不得用于其他商业用途(如 [转卖]进行直接盈利或[编辑后售卖]进行间接盈利)。
2、本站所有内容均由合作方或网友上传,本站不对文档的完整性、权威性及其观点立场正确性做任何保证或承诺!文档内容仅供研究参考,付费前请自行鉴别。
3、如文档内容存在违规,或者侵犯商业秘密、侵犯著作权等,请点击“违规举报”。

碎片内容

国家标准-机械工程CAD制图规则

中小学教育精品资料+ 关注
实名认证
内容提供者

中小学教育资料,优质文档创作者

相关文档

确认删除?
VIP
微信客服
  • 扫码咨询
会员Q群
  • 会员专属群点击这里加入QQ群
客服邮箱
回到顶部