电脑桌面
添加小米粒文库到电脑桌面
安装后可以在桌面快捷访问

大楼装修及改造工程结构补强、加固施工组织设计方案(DOC14页)VIP免费

大楼装修及改造工程结构补强、加固施工组织设计方案(DOC14页)_第1页
1/9
大楼装修及改造工程结构补强、加固施工组织设计方案(DOC14页)_第2页
2/9
大楼装修及改造工程结构补强、加固施工组织设计方案(DOC14页)_第3页
3/9
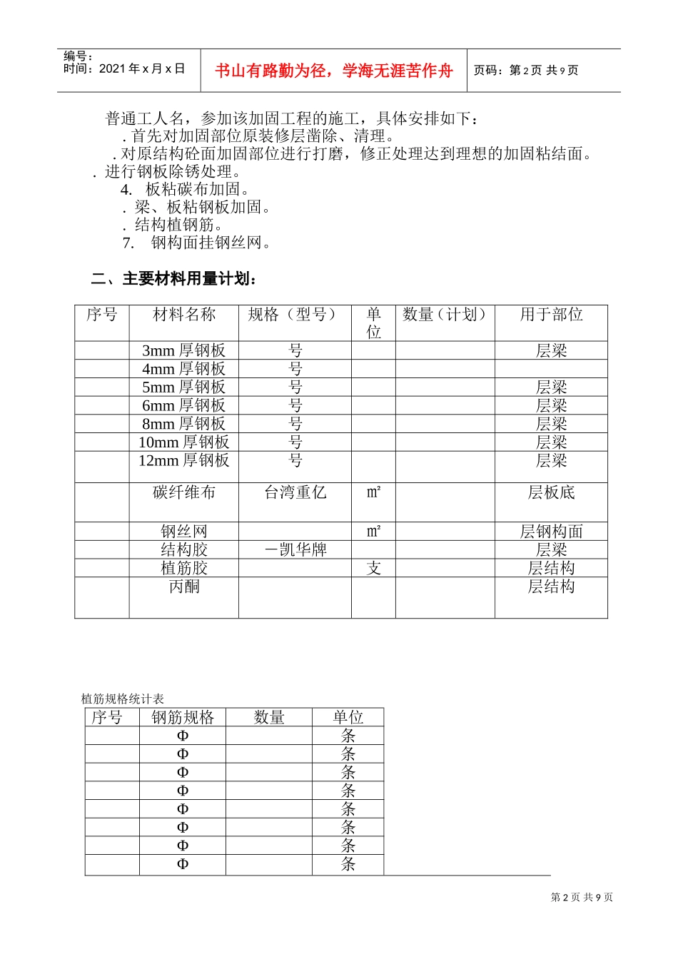
目录第一章总体概述.建筑设计概况.结构设计概况.现场施工条件.施工项目管理架构第二章施工进度计划安排和保证措施.施工进度计划安排.施工工期保证措施第三章劳动力和主要材料投入计划.劳动力安排.主要材料用量计划第四章机械设备投入计划第五章关键施工技术工艺及工程项目实施的重点难点和解决方法.钢板加固施工工艺及要求.碳纤维布加固施工工艺及要求.植筋施工工艺及要求第六章防腐工程第七章安全文明施工措施.工程项目部安全管理体系.安全保证措施第八章工程验收附表、附图××××大楼装修及改造工程结构补强、加固施工组织设计第一章总体概述×××大楼装修及改造工程—结构补强、加固位于×××,由于建设单位在使用功能上的改变至使部份结构承载力不能满足要求,经设×××计院设计出该楼加固施工图纸,我司针对该楼加固施工图纸,编制该施工组织设计,组织施工。一、建筑设计概况:该楼外墙已装修完毕,为玻璃幕墙;内墙未装修。地下室层高为,首层层高为,二~五层层高为,六层层高为,七~九层层高为;开间跨度主要为、、和,进深跨度主要为、、和整个建筑物处于半装修未使用状态。第1页共9页编号:时间:2021年x月x日书山有路勤为径,学海无涯苦作舟页码:第1页共9页二、结构设计概况(加固范围):该楼为九层混凝土框架结构,-层~九层结构采用补强、加固方法有:构件外粘钢加固,构件外粘碳纤维布加固以及结构植筋加固方法。三、现场施工条件:该楼现已进入室内装修阶段,施工用水、电已经接入现场,具备现场施工条件;室内加固部分未装修,有充分的加固工作面,具备开工条件;提升机垂直运输设备(由总包方提供)已经安装就位可以使用,具备垂直运输条件。整个现场施工条件具备,可以组织施工。四、施工项目管理架构:根据该加固工程的现场作业情况,以及工作量的大小定出以下管理架构及流程:第二章施工进度计划安排和保证措施一、施工进度计划安排:(总工期天)1.开工后,首先用天时间对结构粘钢、粘碳纤维布部位进行基层修复,打磨处理(同时粘结材料送检)。2.植筋工作同步进行(加大截面部份)。3.材料检测报告出具合格后(一般天)开始粘贴钢板或碳纤维布加固,打磨组,继续同步进行(计划用天时间)。4.在粘钢过程中,随后挂钢丝网与粘钢交错搭接进行,计划粘钢完成后天完成。5.进行现场工作场地清理工作及综合验收,计划用天时间。二、施工工期保证措施:.配备相应充分的劳动力,配备相应充分的施工管理人员,跟踪进度管理,控制在每工作段上的施工时间,以确保工程工期。.编制施工进度控制计划(见附表):.配备相应充分的材料、设备,以确保加固工程顺利进行,从而保证工期。.调整协调各工序之间的相互交叉、搭接时间。第三章劳动力和主要材料投入计划一、劳动力安排:根据该加固改造工程的规模,以及合同工期的约定,配备技术工人名,公司(×××)项目负责人(×××)质安员(×××)施工员(×××)施工班组技术负责人(×××)施工班组第2页共9页编号:时间:2021年x月x日书山有路勤为径,学海无涯苦作舟页码:第2页共9页普通工人名,参加该加固工程的施工,具体安排如下:.首先对加固部位原装修层凿除、清理。.对原结构砼面加固部位进行打磨,修正处理达到理想的加固粘结面。.进行钢板除锈处理。4.板粘碳布加固。.梁、板粘钢板加固。.结构植钢筋。7.钢构面挂钢丝网。二、主要材料用量计划:序号材料名称规格(型号)单位数量(计划)用于部位3mm厚钢板号层梁4mm厚钢板号5mm厚钢板号层梁6mm厚钢板号层梁8mm厚钢板号层梁10mm厚钢板号层梁12mm厚钢板号层梁碳纤维布台湾重亿㎡层板底钢丝网㎡层钢构面结构胶-凯华牌层梁植筋胶支层结构丙酮层结构植筋规格统计表序号钢筋规格数量单位Φ条Φ条Φ条Φ条Φ条Φ条Φ条Φ条第3页共9页编号:时间:2021年x月x日书山有路勤为径,学海无涯苦作舟页码:第3页共9页Φ条Φ条第四章机械设备投入计划序号设备及机具名称单位数量备注打磨机台冲击钻台切割机台钢板开孔机台电线电箱个配有漏电保护装置电焊机台空压机台风割套第五章关键施工技术工艺及工程项目实施的重点难点和解决方法一、钢板加固施工工艺...

1、当您付费下载文档后,您只拥有了使用权限,并不意味着购买了版权,文档只能用于自身使用,不得用于其他商业用途(如 [转卖]进行直接盈利或[编辑后售卖]进行间接盈利)。
2、本站所有内容均由合作方或网友上传,本站不对文档的完整性、权威性及其观点立场正确性做任何保证或承诺!文档内容仅供研究参考,付费前请自行鉴别。
3、如文档内容存在违规,或者侵犯商业秘密、侵犯著作权等,请点击“违规举报”。

碎片内容

大楼装修及改造工程结构补强、加固施工组织设计方案(DOC14页)

您可能关注的文档

确认删除?
VIP
微信客服
  • 扫码咨询
会员Q群
  • 会员专属群点击这里加入QQ群
客服邮箱
回到顶部