电脑桌面
添加小米粒文库到电脑桌面
安装后可以在桌面快捷访问

建筑项目工程管理表格VIP专享VIP免费

建筑项目工程管理表格_第1页
1/52
建筑项目工程管理表格_第2页
2/52
建筑项目工程管理表格_第3页
3/52
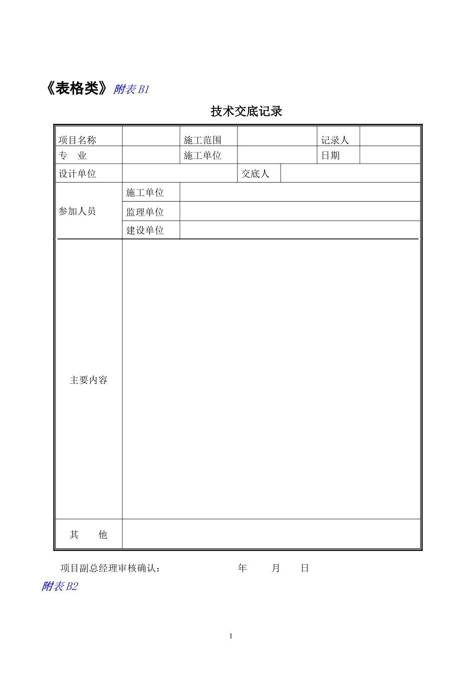
《表格类》附表B1技术交底记录项目名称施工范围记录人专业施工单位日期设计单位交底人参加人员施工单位监理单位建设单位主要内容其他项目副总经理审核确认:年月日附表B21图纸会审记录项目名称:编号:项目-专业-流水号栋号/标段建筑面积层数结构类型会审专业会审日期会审地点设计单位序号图号图纸问题图纸问题交底参会人员建设单位(项目)副总经理(签字、盖公章)年月日专业监理工程师(签字、盖公章)年月日设计负责人(签字、盖公章)年月日施工单位项目技术负责人(签字、盖公章)年月日本表由施工单位整理、汇总,建设单位、监理单位、设计单位、施工单位各保存一份。2施工组织设计(方案)审批表工程名称:编号:项目-类别-流水号致贵州朝顺房地产开发有限公司项目部:现报上工程详细说明和图表见附件,请予审查和批准。施工单位:日期:项目监理总监审查意见:项目部专业工程师审查意见:项目部副总经理审查意见:公司总工办审查意见(施工组织设计):项目总经理审查意见:年月日公司执行副总经理(重大施工方案):年月日3备注:此表壹式三份,项目监理部、项目部、施工单位各一份。4工程开工报审表工程名称:编号:项目-类别-流水号致:(监理机构)我方承担的工程,已完成了以下各项工作,具备了开工条件,特此申请施工,请核查并签发开工指令。1.施工许可证;2.施工组织设计已审查,现场管理人员已到位,专职管理人员和特种作业人员已取得资格证、上岗证;3.施工测量放线;4.施工现场质量管理检查记录已经检查认可;5.进场道路及水、电、通信等已满足开工要求;6.质量、安全、技术管理制度已建立、组织机构已落实。附件:1.开工报告;2.相关证明材料。施工单位(盖公章):项目经理:年月日项目监理机构意见:监理单位(盖公章):总监理工程师:年月日项目部意见:项目副总经理:项目总经理:年月日本表由施工单位填报,经项目监理机构审查签认后,建设单位、监理单位、施工单位各存一份。工程复工报审表工程名称:编号:项目-类别-流水号5致:(监理机构)鉴于工程按第号工程暂停令已进行整改,经检查后具备复工条件,请核查并签发复工指令。附件:具备复工条件的情况说明施工单位(盖公章):项目经理:年月日项目监理机构意见:监理单位(盖公章):总监理工程师:年月日业主项目部意见:项目副总经理:项目总经理:年月日本表由施工单位填报,经项目监理机构审查签认后,建设单位、监理单位、施工单位各存一份。施工进度年度计划报审表工程名称:编号:项目-类别-流水号致:贵州朝顺房地产开发有限公司项目部:兹上报年工程施工进度计划,审查批准。附件:施工进度计划(包括形象进度、工程量、工作量、机械、劳动力计划)6施工单位(盖公章):项目经理:年月日项目监理总监意见:年月日专业工程师意见:年月日项目副总意见年月日运营经理意见年月日项目总经理意见项目部盖章年月日本表由施工单位填写,经项目监理机构审查签认后,建设单位、监理单位、施工单位各存一份。工程月报表——施工方致:贵州朝顺房地产有限公司项目名称:承包商:日期:年月日至年月日第月1、上月工作完成情况序号上月计划工作内容完成情况7与总进度计划的偏差情况:2、下月工作计划序号本周工作计划/部位/分部分项工程/工作内容计划完成时间3、本月工程质量完成情况序号按照“建筑工程质量检查评分表”内容综合评定及改进措施4、本月工程安全完成情况序号按照“建筑施工安全文明检查评分表”内容综合评定及改进措施5、需业主解决和协调的问题序号事项责任人要求时间6、监理审核意见:81、上月工作计划共项,其中完全完成项,执行效率为%;2、本月进度进展基本情况为:月进度情况与总进度计划的整体偏差情况为:承包商需提前准备周报表,并于每月x日之前报送监理公司、监理公司需审核,审核后报送给业主工程师备案;工程周报表——施工方致:贵州朝顺房地产有限公司项目名称:承包商:日期:年月日至年月日第周1、上周工作完成情况序号上周计划工作内容计划完成时间实际完成时间实际完成量原因及措施2、下周工作计划序号本周工作计划/部位/分部分项工程/工作内...

1、当您付费下载文档后,您只拥有了使用权限,并不意味着购买了版权,文档只能用于自身使用,不得用于其他商业用途(如 [转卖]进行直接盈利或[编辑后售卖]进行间接盈利)。
2、本站所有内容均由合作方或网友上传,本站不对文档的完整性、权威性及其观点立场正确性做任何保证或承诺!文档内容仅供研究参考,付费前请自行鉴别。
3、如文档内容存在违规,或者侵犯商业秘密、侵犯著作权等,请点击“违规举报”。

碎片内容

建筑项目工程管理表格

确认删除?
VIP
微信客服
  • 扫码咨询
会员Q群
  • 会员专属群点击这里加入QQ群
客服邮箱
回到顶部