电脑桌面
添加小米粒文库到电脑桌面
安装后可以在桌面快捷访问

275kV真空断路器安装调整工艺VIP专享VIP免费

275kV真空断路器安装调整工艺_第1页
1/6
275kV真空断路器安装调整工艺_第2页
2/6
275kV真空断路器安装调整工艺_第3页
3/6
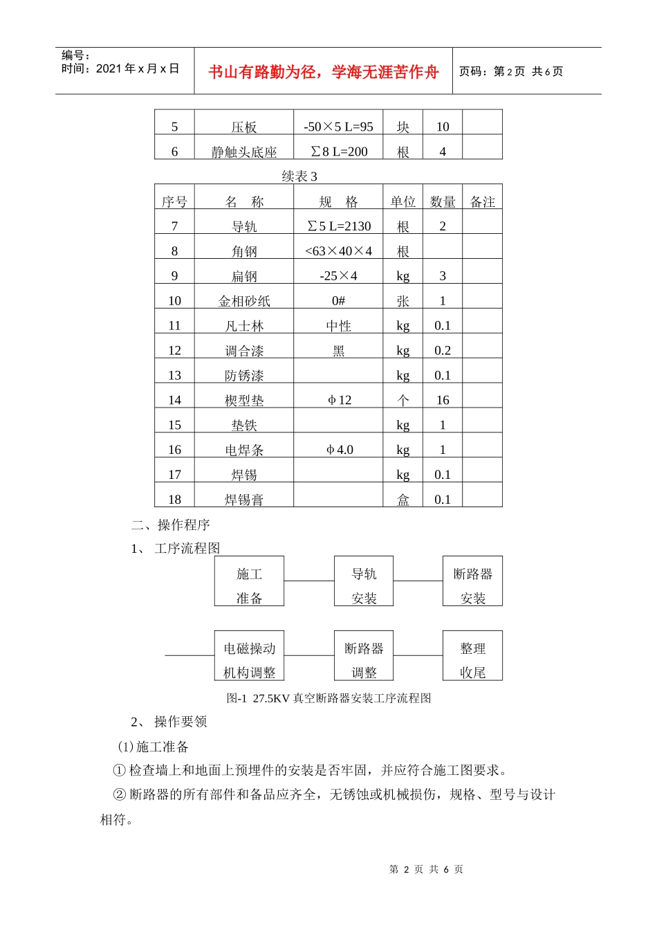
第1页共6页编号:时间:2021年x月x日书山有路勤为径,学海无涯苦作舟页码:第1页共6页27.5KV真空断路器安装调整工艺一、施工准备1、劳动组织表1序号项目单位数量备注1施工负责人人12安装工人2含电焊工1名2、工机具表2序号名称规格单位数量备注1电焊机BX-160台12钢锯把13手锤1.5kg把14线坠0.5kg把15板手300把16操作手炳ф32L=600根1自制7扁油刷25把18水平尺500把19游标卡尺125把110校线灯个211电烙铁把13、材料表3序号名称规格单位数量备注1镀锌螺栓带帽M10×30套2镀锌螺栓带帽M12×50套13镀锌螺栓带帽M12×40套84镀锌螺栓带帽M10×25套第2页共6页第1页共6页编号:时间:2021年x月x日书山有路勤为径,学海无涯苦作舟页码:第2页共6页5压板-50×5L=95块106静触头底座∑8L=200根4续表3序号名称规格单位数量备注7导轨∑5L=2130根28角钢<63×40×4根9扁钢-25×4kg310金相砂纸0#张111凡士林中性kg0.112调合漆黑kg0.213防锈漆kg0.114楔型垫φ12个1615垫铁kg116电焊条φ4.0kg117焊锡kg0.118焊锡膏盒0.1二、操作程序1、工序流程图施工准备导轨安装断路器安装电磁操动机构调整断路器调整整理收尾图-127.5KV真空断路器安装工序流程图2、操作要领(1)施工准备①检查墙上和地面上预埋件的安装是否牢固,并应符合施工图要求。②断路器的所有部件和备品应齐全,无锈蚀或机械损伤,规格、型号与设计相符。第3页共6页第2页共6页编号:时间:2021年x月x日书山有路勤为径,学海无涯苦作舟页码:第3页共6页(2)导轨安装①用线坠延长墙上静触头测量中心线至地面上一点,在过该点的地面上作垂直于墙面的延长线,该延长线即为导轨的中心线。②以导轨中心线为基准,在地面预埋钢板上焊接导轨固定螺栓,螺栓焊接必须牢固、垂直,焊接面应连续且封闭。③用导轨压板压紧导轨,然后用水平尺检查两根导轨应在同一水平面上。调整水平时可在导轨和预埋钢板间加入垫铁,并与预埋钢板焊成一体。④前止轮器定位、打孔、安装。(3)断路器安装①在墙上安装的两根静触头底座槽钢应水平;固定绝缘子的两根槽钢应垂直安装,长孔在绝缘子侧,以便调整绝缘子上下位置。②将静触头绝缘子固定在底座槽钢上,绝缘子的轴线应在过导轨中心线的垂直平面上,轴线要成水平;两个静触头外伸长度相等,触头插接面呈水平。如不合要求,可在墙面与底座槽钢间加垫铁调整。垫铁应与底座槽钢焊成一体。③将断路器推上导轨,装上后止轮器,推动断路器使动触头缓慢接近静触头。调整两个静触头绝缘子的高度,使其与断路器触指中心高度一致。检查触头与触指中心的偏移量应不大于10mm,如超过,应适当调整导轨的位置。④缓慢推合断路器,使静触头距内档板间隙为2~3mm。达不到要求时,应松开导轨压板,前后调整导轨。⑤安装联锁装置,位置应准确。断路器在工作或试验位置时,联锁杆向下运动应无卡阻,并能可靠闭锁。⑥接地弓固定螺栓的安装位置要准确,焊接要牢固。接地弓装配高度要合适。断路器推进后,接地触头与接地弓的接触要密贴。(4)电磁操动机构调整①在操动机构处于分闸位置时,两分闸连板应基本保持在一条直线上,检查合闸顶杆和滚轮的间隙,应符合产品的技术规定。②作业人员操作手动把柄,使机构慢慢合闸,当合闸至终点时,检查托架和合闸滚轮的间隙应为1~2mm且符合产品的技术规定。如有问题,可通过调整合闸顶杆的高度来达到。③手动慢慢合闸,用校线灯观察辅助开关的各对接点的分、合位置切换是第4页共6页第3页共6页编号:时间:2021年x月x日书山有路勤为径,学海无涯苦作舟页码:第4页共6页否正确。若接点过早或过晚断开,反复调整辅助开关与主轴间的拉杆长度来达到要求。④手动合闸时,当合闸顶杆没能顶住合闸滚轮向上运动,或是铁芯顶着滚轮上升到终点位置时,滚轮从合闸顶杆上滑下,合闸不成功时,调整支持螺钉的位置,重新试验,直到能可靠合闸为止。⑤手顶分闸顶杆使其向上冲击分闸连板,分闸连板带动销轴向上运动而脱扣分闸。手动操作机构分、合闸,动作灵活、无卡阻。图-2电磁操动机构调整示意图(a)分闸位置;(b)合闸位置1-合闸顶杆;2-滚轮;3-托架;4-连板;5-分闸顶杆;6-支持螺钉;⑥在操动机构各转动部位涂以适合...

1、当您付费下载文档后,您只拥有了使用权限,并不意味着购买了版权,文档只能用于自身使用,不得用于其他商业用途(如 [转卖]进行直接盈利或[编辑后售卖]进行间接盈利)。
2、本站所有内容均由合作方或网友上传,本站不对文档的完整性、权威性及其观点立场正确性做任何保证或承诺!文档内容仅供研究参考,付费前请自行鉴别。
3、如文档内容存在违规,或者侵犯商业秘密、侵犯著作权等,请点击“违规举报”。

碎片内容

275kV真空断路器安装调整工艺

确认删除?
VIP
微信客服
  • 扫码咨询
会员Q群
  • 会员专属群点击这里加入QQ群
客服邮箱
回到顶部