电脑桌面
添加小米粒文库到电脑桌面
安装后可以在桌面快捷访问

复方黄连素片前提取工艺操作规程VIP免费

复方黄连素片前提取工艺操作规程_第1页
1/5
复方黄连素片前提取工艺操作规程_第2页
2/5
复方黄连素片前提取工艺操作规程_第3页
3/5
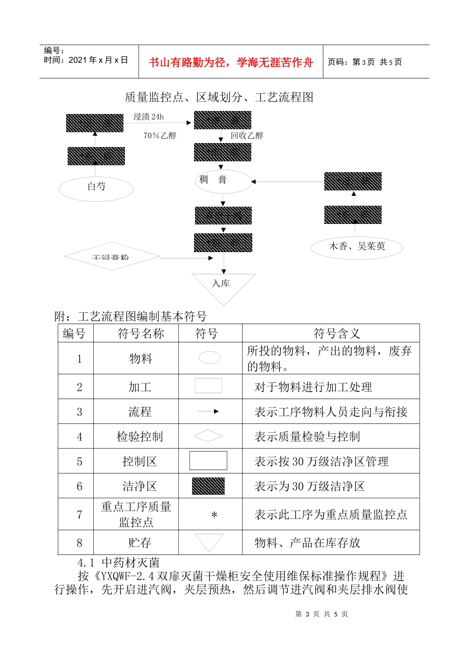
第1页共5页编号:时间:2021年x月x日书山有路勤为径,学海无涯苦作舟页码:第1页共5页制药有限公司企业标准文件名称复方黄连素片前处理工艺规程文件编号02-16-065替代文件编号————————起草人起草日期年月日审核人审核日期年月日批准人批准日期年月日执行日期年月日颁发部门质量管理部版本号01印数分发单位分发数量目的规范复方黄连素片前处理生产全过程的工艺操作,确保生产出质量合格、稳定的产品。范围本公司复方黄连素片剂前处理的生产。责任生产技术部、前处理车间、质量管理部负责执行。内容1产品概述1.1产品名称1.1.1中文名称:复方黄连素片1.1.2汉语拼音FufanghuangliansuPian2批处方(100万片)物料名称用量物料名称用量盐酸小檗碱17kg木香114kg白芍160kg吴茱萸40kg制成100万片3前处理工艺过程及操作要点3.1中药前处理3.1.1原药材的整理炮制第2页共5页第1页共5页编号:时间:2021年x月x日书山有路勤为径,学海无涯苦作舟页码:第2页共5页3.1.2整理炮制依据《中华人民共和国药典》(2005年版一部)3.1.3整理炮制方法和制作过程(见下步操作)3.2生产操作过程及工艺条件3.2.1人员净化不同区域的工作人员按不同区域的人员净化标准操作规程净化。净化后方可进入相应生产工作室。3.2.2生产前准备3.2.2.1卫生检查与清场、清洁、消毒工作人员进入岗位后,应检查环境、设备、用具、设施等是否符合生产工艺卫生要求。若不合格或时间间隔超过规定时间(一般生产区4天,30万级控制区2天)则应按照该岗位的清场标准操作规程及设备、器具的清洁消毒标准操作规程进行清场和清洁消毒,填写清场记录及清洁消毒记录。经QA检查员检查合格后,凭下发的“清场合格证”正本进行本次生产操作。若卫生合格且时间间隔在规定范围内则可凭“清场合格证”副本直接进行本次生产操作。3.2.2.2设备的空载试车生产操作前按不同设备的安全使用维保标准操作规程进行空载试车数秒钟,确认正常后方可进行生产操作。否则应及时通知维修等人员维修至正常。3.2.2.3更换状态标志摘下“清场合格证副本”状态标志,挂上“生产运行中”状态标志。3.2.3药材炮制3.2.3.1领料按生产指令单填写领料单。领料时对照实物,核对品名、规格、产地、供货单位、重量等内容。称量时应按《称量岗位标准操作规程》,对衡器进行检查与校正,一人称量,另一人校对核准。无误后办理领料手续。领回的各种药材按其加工的方法分别由不同的物净室按不同的物料净化标准操作规程,放入相应的生产区。3.2.3.2炮制依据《中华人民共和国药典》(2005版一部)。3.2.3.2.1木香取本品,称重,拆件,除去杂质,洗净,润透,切厚片,干燥,装入净料袋,称重,系物料标签,入净料库。3.2.3.2.2白芍取本品,称重,拆件,除去杂质,洗净,润透,切薄片,干燥,装入净料袋,称重,系物料标签,入净料库。3.2.3.2.3吴茱萸取本品,称重,拆件,除去杂质,装入净料袋,系物料标签,入净料库。4前提取工艺流程图第3页共5页第2页共5页编号:时间:2021年x月x日书山有路勤为径,学海无涯苦作舟页码:第3页共5页质量监控点、区域划分、工艺流程图浸渍24h70%乙醇回收乙醇附:工艺流程图编制基本符号编号符号名称符号符号含义1物料所投的物料,产出的物料,废弃的物料。2加工对于物料进行加工处理3流程表示工序物料人员走向与衔接4检验控制表示质量检验与控制5控制区表示按30万级洁净区管理6洁净区表示为30万级洁净区7重点工序质量监控点*表示此工序为重点质量监控点8贮存物料、产品在库存放4.1中药材灭菌按《YXQWF-2.4双扉灭菌干燥柜安全使用维保标准操作规程》进行操作,先开启进汽阀,夹层预热,然后调节进汽阀和夹层排水阀使稠膏真空干燥*粉碎*粉碎*过筛木香、吴茱萸白芍*浸渍*渗漉*浓缩*粉碎干浸膏粉入库第4页共5页第3页共5页编号:时间:2021年x月x日书山有路勤为径,学海无涯苦作舟页码:第4页共5页夹层压力保持恒定,放置被消毒物品,关上消毒器大门,顺时针旋转手轮将大门锁紧,关闭内室排水阀,打开电源开关,开启消毒阀,调节消毒阀和内室排水阀使内室温度恒定在消毒温度(115.5℃;68.65kPa;30min),消毒计时结束,达到消毒目的后,关闭消毒阀,开...

1、当您付费下载文档后,您只拥有了使用权限,并不意味着购买了版权,文档只能用于自身使用,不得用于其他商业用途(如 [转卖]进行直接盈利或[编辑后售卖]进行间接盈利)。
2、本站所有内容均由合作方或网友上传,本站不对文档的完整性、权威性及其观点立场正确性做任何保证或承诺!文档内容仅供研究参考,付费前请自行鉴别。
3、如文档内容存在违规,或者侵犯商业秘密、侵犯著作权等,请点击“违规举报”。

碎片内容

复方黄连素片前提取工艺操作规程

中小学教育精品资料+ 关注
实名认证
内容提供者

中小学教育资料,优质文档创作者

确认删除?
VIP
微信客服
  • 扫码咨询
会员Q群
  • 会员专属群点击这里加入QQ群
客服邮箱
回到顶部