电脑桌面
添加小米粒文库到电脑桌面
安装后可以在桌面快捷访问

砼管沟施工工艺及方法VIP免费

砼管沟施工工艺及方法_第1页
1/6
砼管沟施工工艺及方法_第2页
2/6
砼管沟施工工艺及方法_第3页
3/6
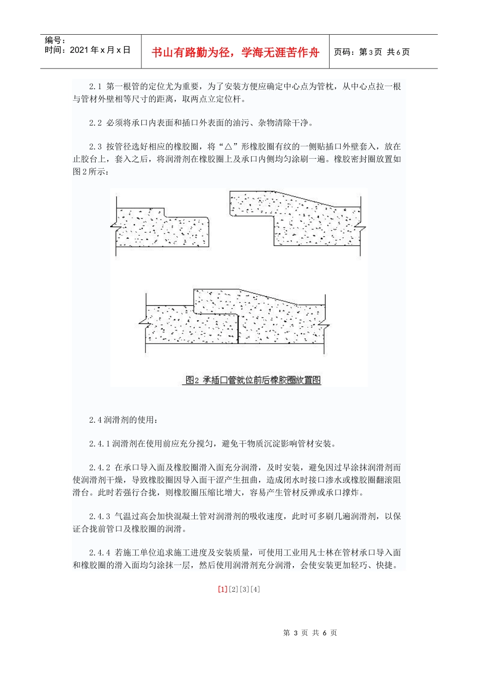
第1页共6页编号:时间:2021年x月x日书山有路勤为径,学海无涯苦作舟页码:第1页共6页砼管沟施工工艺及方法一、概况在顺义地区的排水管道工程中,多年来一直采用传统工艺生产的平(企)口钢筋混凝土管,通过浇筑平基、管座、套环混凝土进行铺设。我单位在顺义区财政局培训中心西侧路雨水管道工程和顺义区站前南北街污水管道工程中,经过设计同意,大胆采用砂基础、承插式钢筋混凝土管进行施工。通过多方面比较论证,得出结论:砂基础铺设承插式钢筋砼排水管比传统的混凝土基础铺设平(企)口钢筋混凝土管技术先进、性能可靠、降低了成本、提高了生产效率和工程质量、减少了环境污染、改善了劳动条件,经济、社会效益显著,应该在我区广泛的进行推广和应用。二、新管材承插式钢筋砼排水管采用立式芯模振动成型的生产工艺和技术,区别于国内传统的离心式和悬辊式工艺。生产流程采用数控操作,自动点焊制网、机器人布网、振动挤压成型和即时脱模全自动化作业,在产品的质量、生产效率和安装工艺等方面,与国内传统工艺的同类产品相比,具有明显优势。承插式钢筋砼排水管优点:1、采用“△”形断面、滑动式橡胶圈止水,具有优良的密封性能。2、采用柔性接口,安装转角大,可有效地防止由于地基沉降、地震等引起的管接头漏水问题。3、施工方便,可靠快捷。三、新工艺(一)、新工艺1、承插式钢筋混凝土管安装,采用新工艺砂基础进行管道铺设,施工工序如下:挖槽――砂基础――安管――检查井砌筑――回填。砂基础铺管断面见图1第2页共6页第1页共6页编号:时间:2021年x月x日书山有路勤为径,学海无涯苦作舟页码:第2页共6页该种方法对沟槽和基础的要求低,只要对槽底作简单的找平处理即可进行砂基础铺垫,然后安管,可以边挖槽边安管,随即进行检查井砌筑,闭水试验,回填。该方法工艺简单,安装方便,施工快捷,工期短,费用低。工艺简单的砂基础铺设承插式钢筋砼管2、施工中应注意的几点问题:第3页共6页第2页共6页编号:时间:2021年x月x日书山有路勤为径,学海无涯苦作舟页码:第3页共6页2.1第一根管的定位尤为重要,为了安装方便应确定中心点为管枕,从中心点拉一根与管材外壁相等尺寸的距离,取两点立定位杆。2.2必须将承口内表面和插口外表面的油污、杂物清除干净。2.3按管径选好相应的橡胶圈,将“△”形橡胶圈有纹的一侧贴插口外壁套入,放在止胶台上,套入之后,将润滑剂在橡胶圈上及承口内侧均匀涂刷一遍。橡胶密封圈放置如图2所示:2.4润滑剂的使用:2.4.1润滑剂在使用前应充分搅匀,避免干物质沉淀影响管材安装。2.4.2在承口导入面及橡胶圈滑入面充分润滑,及时安装,避免因过早涂抹润滑剂而使润滑剂干燥,导致橡胶圈因导入面干涩产生扭曲,造成闭水时接口渗水或橡胶圈翻滚阻滑台。此时若强行合拢,则橡胶圈压缩比增大,容易产生管材反弹或承口撑炸。2.4.3气温过高会加快混凝土管对润滑剂的吸收速度,此时可多刷几遍润滑剂,以保证合拢前管口及橡胶圈的润滑。2.4.4若施工单位追求施工进度及安装质量,可使用工业用凡士林在管材承口导入面和橡胶圈的滑入面均匀涂抹一层,然后使用润滑剂充分润滑,会使安装更加轻巧、快捷。[1][2][3][4]第4页共6页第3页共6页编号:时间:2021年x月x日书山有路勤为径,学海无涯苦作舟页码:第4页共6页免责声明:本资料(文章/新闻)仅代表作者个人观点,与天工网无关。其原创性以及文中陈述文字和内容未经本站证实,对本文以及其中全部或者部分内容、文字的真实性、完整性、及时性本站不作任何保证或承诺,请读者仅作参考,并请自行核实相关内容。”如果用户发现该资料侵犯了自己的知识产权,请和我们联系,我们会在接到投诉的第一时间内删除涉嫌侵权的资料,并核实产权归属问题,请投诉人提供身份证明及版权证明。如所发布资料确属侵权,我们会永久删除此资料。2.5排管时要从下游排向上游,插口向下游,承口向上游。因井段距离所限需要排列安放半节管时,半节管排在窨井进出水两侧,带承口的半节管排在窨井的出水方向。2.6用手扳倒链合拢管节时,手扳倒链一端用钢丝绳和方木,另一端作为固定反力端(或方木固定)。管节合拢时两只手扳倒链应放置...

1、当您付费下载文档后,您只拥有了使用权限,并不意味着购买了版权,文档只能用于自身使用,不得用于其他商业用途(如 [转卖]进行直接盈利或[编辑后售卖]进行间接盈利)。
2、本站所有内容均由合作方或网友上传,本站不对文档的完整性、权威性及其观点立场正确性做任何保证或承诺!文档内容仅供研究参考,付费前请自行鉴别。
3、如文档内容存在违规,或者侵犯商业秘密、侵犯著作权等,请点击“违规举报”。

碎片内容

砼管沟施工工艺及方法

您可能关注的文档

确认删除?
VIP
微信客服
  • 扫码咨询
会员Q群
  • 会员专属群点击这里加入QQ群
客服邮箱
回到顶部