电脑桌面
添加小米粒文库到电脑桌面
安装后可以在桌面快捷访问

晋中市成品油安全大检查VIP免费

晋中市成品油安全大检查_第1页
1/8
晋中市成品油安全大检查_第2页
2/8
晋中市成品油安全大检查_第3页
3/8
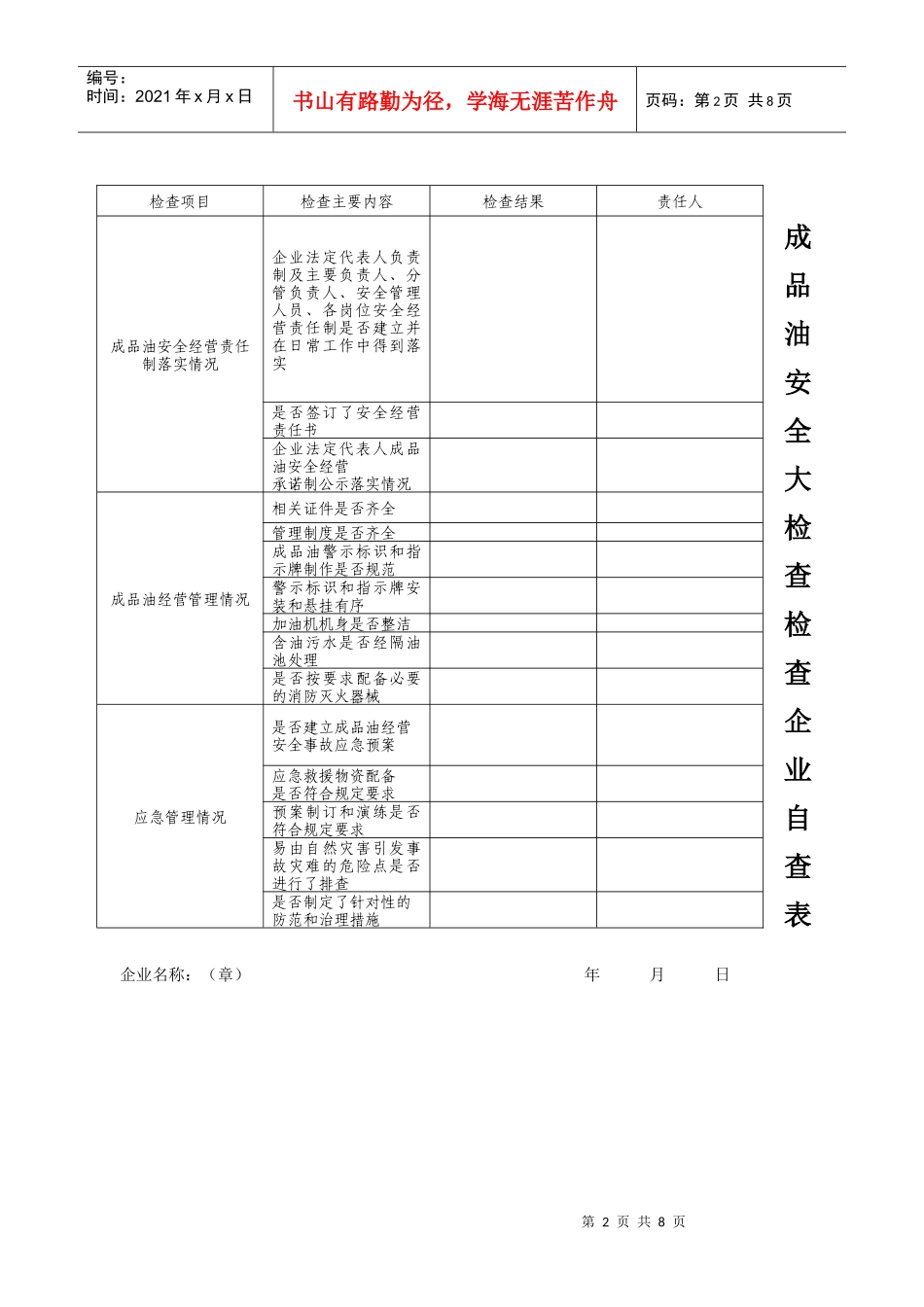
第1页共8页编号:时间:2021年x月x日书山有路勤为径,学海无涯苦作舟页码:第1页共8页晋中市成品油安全大检查台账二Ο一Ο年四月第2页共8页第1页共8页编号:时间:2021年x月x日书山有路勤为径,学海无涯苦作舟页码:第2页共8页成品油安全大检查检查企业自查表企业名称:(章)年月日检查项目检查主要内容检查结果责任人成品油安全经营责任制落实情况企业法定代表人负责制及主要负责人、分管负责人、安全管理人员、各岗位安全经营责任制是否建立并在日常工作中得到落实是否签订了安全经营责任书企业法定代表人成品油安全经营承诺制公示落实情况成品油经营管理情况相关证件是否齐全管理制度是否齐全成品油警示标识和指示牌制作是否规范警示标识和指示牌安装和悬挂有序加油机机身是否整洁含油污水是否经隔油池处理是否按要求配备必要的消防灭火器械应急管理情况是否建立成品油经营安全事故应急预案应急救援物资配备是否符合规定要求预案制订和演练是否符合规定要求易由自然灾害引发事故灾难的危险点是否进行了排查是否制定了针对性的防范和治理措施第3页共8页第2页共8页编号:时间:2021年x月x日书山有路勤为径,学海无涯苦作舟页码:第3页共8页企业负责人签字:第4页共8页第3页共8页编号:时间:2021年x月x日书山有路勤为径,学海无涯苦作舟页码:第4页共8页加油站安全大检查表单位名称:检查时间:项目要素安全标准检查方式责任人企业负责人县(区、市)主管部1岗位安全责任制站长(经理)安全职责查询岗位设置情况及责任制的内容安全员安全职责加油岗位安全职责卸油岗位安全职责计量岗位安全职责2安全管理制度安全例会制度检查制度及先关台账记录安全教育培训制度安全检查制度安全用火(动火)管理制度电气管理制度重大危险源管理制度安全用电管理制度消防安全管理制度交接班安全管理制度劳动保护用品发放制度油品购销存安全管理制度事故应急救援预案演练制度事故隐患排查治理制度3岗位操作规程加油安全操作规程查阅操作规程、询问作业人员卸油安全操作规程计量操作规程配电设备运行操作规程发电机操作规程4从业人员要求有安全管理机构或配备专职安全管理人员,其中加油站应确定一名安全负责人,全面负责加油站的安全管理工作查阅各种记录及相关证书单位主要负责人和安全管理人员取得《安全资格证书》其他从业人员经本单位专业培训或委托专业培训,并经考核合格,取得上岗资格特种作业人员经有关监督管理部门考核合格,取得上岗资格第5页共8页第4页共8页编号:时间:2021年x月x日书山有路勤为径,学海无涯苦作舟页码:第5页共8页项目要素安全标准检查方式责任人企业负责人县(区、市)主管部5安全标志可能产生静电会导致火灾爆炸危险场所,选用“禁止穿化纤服”、“禁止穿带钉鞋”标志。现场查看加油作业场所,选用“注意安全”、“当心爆炸”、“当心火灾”、“当心车辆”标志;“禁放易燃品”、“禁止烟火”、“禁止使用手机”标志;加油站出入口放置“进口”、“出口”标志;设置进站须知标志牌。加油站内的各类建筑、设施应有明确的功能用途标识6劳动保护进加油站区域内各类作业人员上岗时应穿防静电工作服,防静电工作鞋、袜;严禁穿带铁钉的鞋。实际查看7购销管理成品油、甲醇燃料零售企业应当从具有成品油、甲醇燃料批发经营资格的企业购进成品油、甲醇燃料。查阅台帐资料加油站汽油、柴油、甲醇燃料零售仅限于加油机销售。应建立成品油、甲醇燃料进、存的管理台帐(如《日销售油品台帐》、《成品油购销存数量明细表》等),8安全检查全面检查,企业统一组织,定期进行有计划地检查,作好记录,每年不少于2次查阅有关资料记录经常性检查,每周检查1次,并作好记录专业检查,委托各专业管理部门组织并作记录。各专业检查每年不少于2次节假日安全检查,企业统一组织,并作好记录第6页共8页第5页共8页编号:时间:2021年x月x日书山有路勤为径,学海无涯苦作舟页码:第6页共8页项目要素安全标准检查方式责任人企业负责人县(区、市)主管部整改:列出整改计划,确定整改单位或责任人,规定整改时间,并检查核实整改落实情况,并作好记录,各种检查及整改情况均记入安全检查台账9重...

1、当您付费下载文档后,您只拥有了使用权限,并不意味着购买了版权,文档只能用于自身使用,不得用于其他商业用途(如 [转卖]进行直接盈利或[编辑后售卖]进行间接盈利)。
2、本站所有内容均由合作方或网友上传,本站不对文档的完整性、权威性及其观点立场正确性做任何保证或承诺!文档内容仅供研究参考,付费前请自行鉴别。
3、如文档内容存在违规,或者侵犯商业秘密、侵犯著作权等,请点击“违规举报”。

碎片内容

晋中市成品油安全大检查

确认删除?
VIP
微信客服
  • 扫码咨询
会员Q群
  • 会员专属群点击这里加入QQ群
客服邮箱
回到顶部