电脑桌面
添加小米粒文库到电脑桌面
安装后可以在桌面快捷访问

天津经济技术开发区能源收费标准(二八年)VIP免费

天津经济技术开发区能源收费标准(二八年)_第1页
1/7
天津经济技术开发区能源收费标准(二八年)_第2页
2/7
天津经济技术开发区能源收费标准(二八年)_第3页
3/7
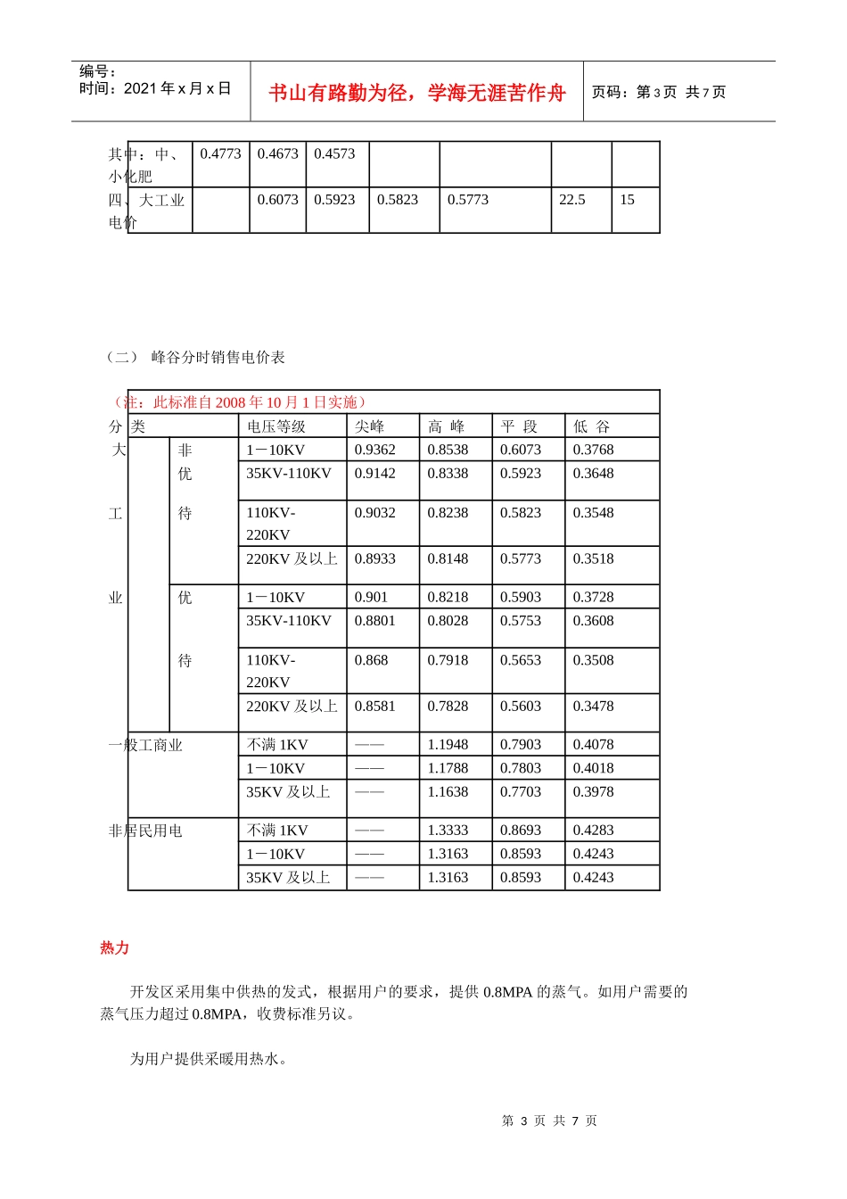
第1页共7页编号:时间:2021年x月x日书山有路勤为径,学海无涯苦作舟页码:第1页共7页天津经济技术开发区能源收费标准(二○○八年)一、能源种类及费用标准东区电力开发区向用户提供35千伏及其以下的动力、照明用电。根据国家供电规则,用电负荷100千伏安及其以上用户,以10千伏或35千伏电压受电。用电户交纳下列费用;(一)基本电费:除居民、小型商业、办公、照明用电以外的用户每月要按照供电合同规定的负荷容量交纳基本电费,其标准是:每千伏安交基本电费15元/月。(二)电度电费:用户每月要按电度表指数交纳电度电费,其标准是:(注:此标准自2008年10月1日实施)用电类别0.90以上0.89-0.800.79-0.700.69-0.600.60以下基本电价380伏受电,三班制0.73430.73930.74430.74930.754315元/千伏安/月380伏受电,一班制0.74430.74930.75430.75930.764310千伏,35千伏受电,三班制0.63830.64330.64830.67330.698310千伏,35千伏受电,一班制0.65830.66330.66830.69330.7183施工用电0.8623大型商业、办公、照明用电0.7303小型商业、办公、照明用电(注)0.7503居民用电0.49(自2008年10月1日起执行至)注:合同用电负荷在100千伏安/月以下的小型商业、办公、照明用电(不含100千伏安)注:合同用电负荷在100千伏安/月以下的为小型商业、办公、照明用电(不含100千伏安)。(三)峰、谷、分时电价第2页共7页第1页共7页编号:时间:2021年x月x日书山有路勤为径,学海无涯苦作舟页码:第2页共7页(注:此标准自2008年10月1日实施)工业用电分类电压等级高峰非峰谷低谷基本电价不满1KV1.14080.74430.369815元/千伏安/月1-10KV0.88580.62330.378835KV及以上0.88380.62130.3768大型商业办公照明1.12380.73030.3578(受电变压器容量在100KVA及以上)注:高峰时期(7、8、9月)尖峰价格按当年公布文件执行奖惩因数:功率因数自0.90每下降0.01则加收基本电费和峰、谷、平电费的1.5‰;(四)、线变损收费计费电度表应装在产权分界处,如未装在分界处,变压器的有功、无功损耗和线路损失,由产权所有者负担。对高压供电用户,应在高压侧计量,竟双方协商同意,可在低压侧计量,但应加计变压器损失,具体运做应按有关规定强化计量指标核定管理工作。西区电力(一)分类电价(注:此标准自2008年10月1日实施)用电分类电度电价基本电价不满1千伏1—10千伏35-110千伏以下110-220千伏以下220千伏及以上最大需量元/千瓦/月变压器容量元/伏安/月一、居民生活电价0.49000.48000.4800二、非居民照明电价0.86930.85930.8593三、一般工商业电价0.79030.78030.7703第3页共7页第2页共7页编号:时间:2021年x月x日书山有路勤为径,学海无涯苦作舟页码:第3页共7页其中:中、小化肥0.47730.46730.4573四、大工业电价0.60730.59230.58230.577322.515(二)峰谷分时销售电价表(注:此标准自2008年10月1日实施)分类电压等级尖峰高峰平段低谷大非1-10KV0.93620.85380.60730.3768优35KV-110KV0.91420.83380.59230.3648工待110KV-220KV0.90320.82380.58230.3548220KV及以上0.89330.81480.57730.3518业优1-10KV0.9010.82180.59030.372835KV-110KV0.88010.80280.57530.3608待110KV-220KV0.8680.79180.56530.3508220KV及以上0.85810.78280.56030.3478一般工商业不满1KV——1.19480.79030.40781-10KV——1.17880.78030.401835KV及以上——1.16380.77030.3978非居民用电不满1KV——1.33330.86930.42831-10KV——1.31630.85930.424335KV及以上——1.31630.85930.4243热力开发区采用集中供热的发式,根据用户的要求,提供0.8MPA的蒸气。如用户需要的蒸气压力超过0.8MPA,收费标准另议。为用户提供采暖用热水。第4页共7页第3页共7页编号:时间:2021年x月x日书山有路勤为径,学海无涯苦作舟页码:第4页共7页部分区域可提供50度热水(入户口)以上的洗浴用地热水。用热户交纳下列费用:、计量热力费:用户每月按照用量交纳计量热力费,其标准是:注:此标准自2008年10月1日起执行用热方式热力标准生产、商业、办公用蒸气(按计量表指数)170元/吨非居民采暖(按采暖面积收费)9.35元/平方米/月非居民采暖(两部制计量热价)...

1、当您付费下载文档后,您只拥有了使用权限,并不意味着购买了版权,文档只能用于自身使用,不得用于其他商业用途(如 [转卖]进行直接盈利或[编辑后售卖]进行间接盈利)。
2、本站所有内容均由合作方或网友上传,本站不对文档的完整性、权威性及其观点立场正确性做任何保证或承诺!文档内容仅供研究参考,付费前请自行鉴别。
3、如文档内容存在违规,或者侵犯商业秘密、侵犯著作权等,请点击“违规举报”。

碎片内容

天津经济技术开发区能源收费标准(二八年)

中小学教育精品资料+ 关注
实名认证
内容提供者

中小学教育资料,优质文档创作者

确认删除?
VIP
微信客服
  • 扫码咨询
会员Q群
  • 会员专属群点击这里加入QQ群
客服邮箱
回到顶部