电脑桌面
添加小米粒文库到电脑桌面
安装后可以在桌面快捷访问

浅析设备技术要求VIP免费

浅析设备技术要求_第1页
1/9
浅析设备技术要求_第2页
2/9
浅析设备技术要求_第3页
3/9
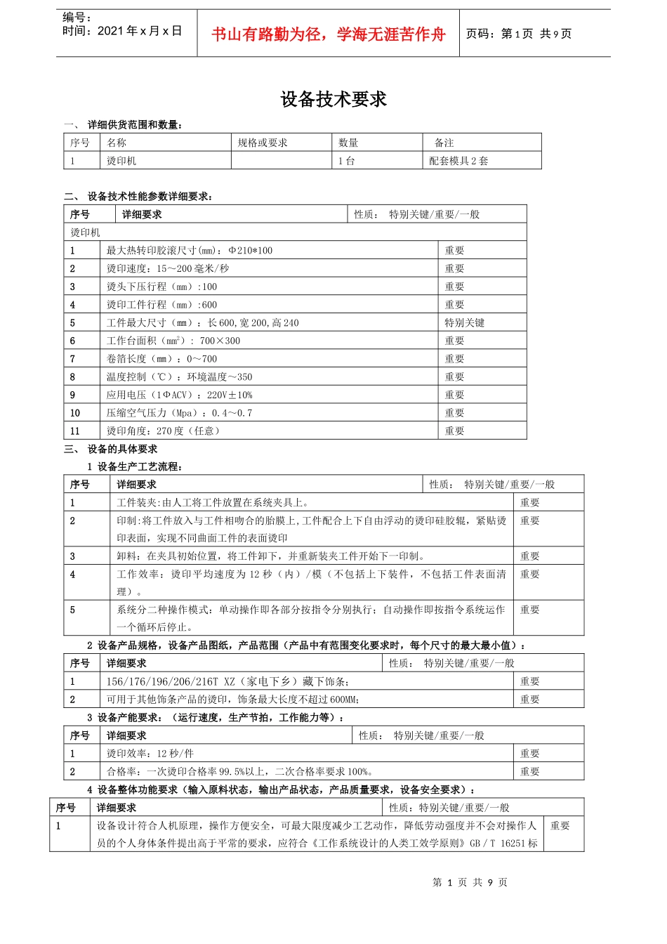
第1页共9页编号:时间:2021年x月x日书山有路勤为径,学海无涯苦作舟页码:第1页共9页设备技术要求一、详细供货范围和数量:序号名称规格或要求数量备注1烫印机1台配套模具2套二、设备技术性能参数详细要求:序号详细要求性质:特别关键/重要/一般烫印机1最大热转印胶滚尺寸(mm):Φ210*100重要2烫印速度:15~200毫米/秒重要3烫头下压行程(mm):100重要4烫印工件行程(mm):600重要5工件最大尺寸(㎜):长600,宽200,高240特别关键6工作台面积(mm2):700×300重要7卷箔长度(㎜):0~700重要8温度控制(℃):环境温度~350重要9应用电压(1ФACV):220V±10%重要10压缩空气压力(Mpa):0.4~0.7重要11烫印角度:270度(任意)重要三、设备的具体要求1设备生产工艺流程:序号详细要求性质:特别关键/重要/一般1工件装夹:由人工将工件放置在系统夹具上。重要2印制:将工件放入与工件相吻合的胎膜上,工件配合上下自由浮动的烫印硅胶辊,紧贴烫印表面,实现不同曲面工件的表面烫印重要3卸料:在夹具初始位置,将工件卸下,并重新装夹工件开始下一印制。重要4工作效率:烫印平均速度为12秒(内)/模(不包括上下装件,不包括工件表面清理)。重要5系统分二种操作模式:单动操作即各部分按指令分别执行;自动操作即按指令系统运作一个循环后停止。重要2设备产品规格,设备产品图纸,产品范围(产品中有范围变化要求时,每个尺寸的最大最小值):序号详细要求性质:特别关键/重要/一般1156/176/196/206/216TXZ(家电下乡)藏下饰条;重要2可用于其他饰条产品的烫印,饰条最大长度不超过600MM;重要3设备产能要求:(运行速度,生产节拍,工作能力等):序号详细要求性质:特别关键/重要/一般1烫印效率:12秒/件重要2合格率:一次烫印合格率99.5%以上,二次合格率要求100%。重要4设备整体功能要求(输入原料状态,输出产品状态,产品质量要求,设备安全要求):序号详细要求性质:特别关键/重要/一般1设备设计符合人机原理,操作方便安全,可最大限度减少工艺动作,降低劳动强度并不会对操作人员的个人身体条件提出高于平常的要求,应符合《工作系统设计的人类工效学原则》GB/T16251标重要第2页共9页第1页共9页编号:时间:2021年x月x日书山有路勤为径,学海无涯苦作舟页码:第2页共9页准。2充分考虑设备的运行可靠性和无维修设计,设备运行稳定,故障率低,易于维修维护。设备安装、调整、换模、移位方便可靠。因发生以上工作时,设备不得出现因结构不合理引起的变形或破坏。重要3设备设计制造充分考虑了产品质量的稳定性和品种适应性,有开放性结构方便后来的品种、型号变换和设备技术的升级换代。设备整体设计和安装质量符合国家有关规范,设备外型美观,结构工艺性合理并按规范工艺安装到位。设备元器件齐全完整,动作灵敏可靠;安全防护装置设计周到,防护合理。重要4设计充分考虑了工艺操作和安全生产所需要的分控制、启停、急停、连动、品保护等,可最大程度保证生产连续、流畅、均衡进行,可最大限度减少设备急开紧停、系统等待等原因引发的效率损失。重要5设备运行过程中无异常声音,振动、无异常气味、温升符合标准;压力在允许范围之内。润滑装置、气、油等过滤装置齐全有效,系统工作良好能耗正常。设备在相对运动部位具有良好的润滑条件,采用集中或自动润滑方式,在关键润滑部位配置了检测和保护装置,油杯等储油器有油位量化标示。无跑,冒,滴,漏现象。重要6设备原材料和部件选择必须选择国产或国际知名品牌的优质产品,原材料和部件无设计缺陷和明显的加工缺陷,连续启停动作10次以上无任何失效和过度磨损现象。设备制造厂家不得人为地填加控制系统和软件加密措施,设备设计应充分考虑部件的标准化和通用性,一般不得采用技术独享性质的元器件,而应自国内和国际知名的供应商处选取。重要7该设备的设计加工是建立在对海尔产品、工艺、工位操作排布、使用条件和环境完全了解的基础上并与之相适应。重要5设备各部分的功能和动作要求,设备各部分的生产步骤(过程)要求:序号详细要求性质:特别关键/重要/一般1生产的产品符合冰箱工艺要求;重要2不能由于设备的原因...

1、当您付费下载文档后,您只拥有了使用权限,并不意味着购买了版权,文档只能用于自身使用,不得用于其他商业用途(如 [转卖]进行直接盈利或[编辑后售卖]进行间接盈利)。
2、本站所有内容均由合作方或网友上传,本站不对文档的完整性、权威性及其观点立场正确性做任何保证或承诺!文档内容仅供研究参考,付费前请自行鉴别。
3、如文档内容存在违规,或者侵犯商业秘密、侵犯著作权等,请点击“违规举报”。

碎片内容

浅析设备技术要求

中小学教育精品资料+ 关注
实名认证
内容提供者

中小学教育资料,优质文档创作者

确认删除?
VIP
微信客服
  • 扫码咨询
会员Q群
  • 会员专属群点击这里加入QQ群
客服邮箱
回到顶部