电脑桌面
添加小米粒文库到电脑桌面
安装后可以在桌面快捷访问

仓库管理控制程序(1)VIP免费

仓库管理控制程序(1)_第1页
1/12
仓库管理控制程序(1)_第2页
2/12
仓库管理控制程序(1)_第3页
3/12
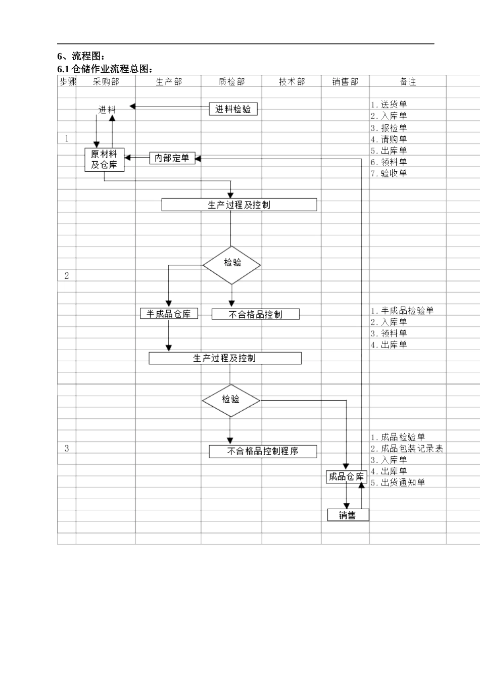
仓库管理控制程序1、目的2、适用范围3、职责4、定义5、相关文件6、流程图7、流程图说明8、相关表单9、附件1、目的:使公司仓储收发、存放等作业明确,以使帐物相符,并有效予以控制,优化库存,防止仓储物变异,进而维护产品质量。2、适用范围:本程序适用于公司所有仓储物品的贮存管理。3、职责:3.1原材料及配件仓库负责原材料及配件的储存管理及料号编制。3.2半成品仓库负责对已检验合格的半成品进行储存管理。3.3成品仓库负责对已检验合格的成品进行储存管理。4、定义:4.1原材料:各类化工原料4.2配件:各类五金材料,机器配件,包装材料及杂物。4.3半成品:已加工成型,但未完成所有工序的产品。4.4成品:已加工好的各种产品。5.相关文件:《搬运、储存、包装与防护的控制程序》《服务控制程序》《不合格品的控制》《仓储管理制度总则》《原材料安全库存表》《配件安全库存表》6、流程图:6.1仓储作业流程总图:6.3配件仓库作业流程图:6.4半成品仓库作业流程图:6.5成品仓库作业流程图:部门内容步骤生产部销售部备注部门内容步骤生产部备注1.2.3.4.5.1.半成品检验单1.入库单1.半成品安全库存表1.申请单2.出库单接收入库特殊半成品记录标识堆放盘点实物盘点周期盘点生成货签出库1.2.3.4.5.6.1.成品检验单2.成品包装记录表1.入库单1.出货通知单2.出库单7、流程图说明:7.1仓储作业流程总图说明:无7.2原材料仓库作业流程图说明:作业流程作业流程说明上工序接收入库特殊成品记录标识堆放盘点实物盘点周期盘点出库生成货签1.产生采购请求由生产部根据生产计划及原材料的现有库存量,填写《请购单》申报给采购部,安排供应商及时出货。2.供应商采购部根据供应商提供的发运资讯通知仓管员准备好堆放场地。3.接收原材料进厂后,验收员应核对供方交付单证,并负责查验到货的包装、标记、规格、型号和数量。填写《报检单》,通知质检部门进行检验。对未检原材料加以醒目的标识,并合理堆放。4.入库1.经质检合格的原材料应更换合格标识,并填写《入库单》。2.如因生产急需或特殊情况,原材料来不及检验或验证而放行时,应对该项物资予以明确标识并做好记录,且留有一定数量的样品,一旦对留样检验或验证不符合要求时,应立即追回。3.对质检不合格但经评估后仍可使用的原材料,需有关部门出具的相关证明,再入库。5.定义物料按照物品的特性,在适当的温湿度的环境中进行合理堆放。有些物资应适当进行库存控制,使其在有效期内使用完毕。如在平时发现已超过有效期的物资,应按相关法规或条例处理。详见<<危险化学物品安全技术说明书>>。对原材料进行库存控制,以节约资源,详见附录1<<原材料安全库存表>>。6.计划和盘点1.对库存卡上记录的物资数量、规格、型号、品名加以核查。2.用ABC分析法对所有的原材料进行分析,确认。在周期盘点中,计算原材料的库存周转率,以便各部门做分析检讨。7.发料1.生产部根据生产计划,通知原材料仓库准备发料。2.由需料部门填写《领料单》向仓管员办理领料手续,仓管员应根据核准的申请单进行送料作业,并填写《出库单》。实行先进先出的作业流程。8.配料无9.下工序无第9页共12页编号:时间:2021年x月x日书山有路勤为径,学海无涯苦作舟页码:第9页共12页7.3配件仓库作业流程图说明:作业流程作业流程说明1.采购请求由设备部根据实际需求,向采购部提交《申购单》,由采购部安排进行采购。2.供应商无3.接收仓管员依据送货单,对配件名称、数量、规格、外观质量进行核查并进行外观检验,检验合格后签字确认并留存。4.验收进行外观检验,看有无破损、残缺,如有不合格品,要求经办人员更换,并补货。5.入库经检验合格后的配件填写《入库单》,并登记入册。并按各类用途分类堆放,并进行标识,以便存取。6.主要配件对价值贵重的配件进行库存控制,以节约资源。详见附录2《配件安全库存表》。7.计划和盘点1.对库存卡上记录的配件数量、规格型号、品名加以核查。2.用ABC分析法对所有的配件进行分类。在周期盘点中,计算配件的库存周转率,以便各部门做分析检讨。8.出库由设备部填写《领料单》向仓管员办理领料手续,仓管员应根据核准的《领料单》发放配件,并进...

1、当您付费下载文档后,您只拥有了使用权限,并不意味着购买了版权,文档只能用于自身使用,不得用于其他商业用途(如 [转卖]进行直接盈利或[编辑后售卖]进行间接盈利)。
2、本站所有内容均由合作方或网友上传,本站不对文档的完整性、权威性及其观点立场正确性做任何保证或承诺!文档内容仅供研究参考,付费前请自行鉴别。
3、如文档内容存在违规,或者侵犯商业秘密、侵犯著作权等,请点击“违规举报”。

碎片内容

仓库管理控制程序(1)

确认删除?
VIP
微信客服
  • 扫码咨询
会员Q群
  • 会员专属群点击这里加入QQ群
客服邮箱
回到顶部