电脑桌面
添加小米粒文库到电脑桌面
安装后可以在桌面快捷访问

设备备件库存结构及备件管理构想(1)VIP免费

设备备件库存结构及备件管理构想(1)_第1页
1/11
设备备件库存结构及备件管理构想(1)_第2页
2/11
设备备件库存结构及备件管理构想(1)_第3页
3/11
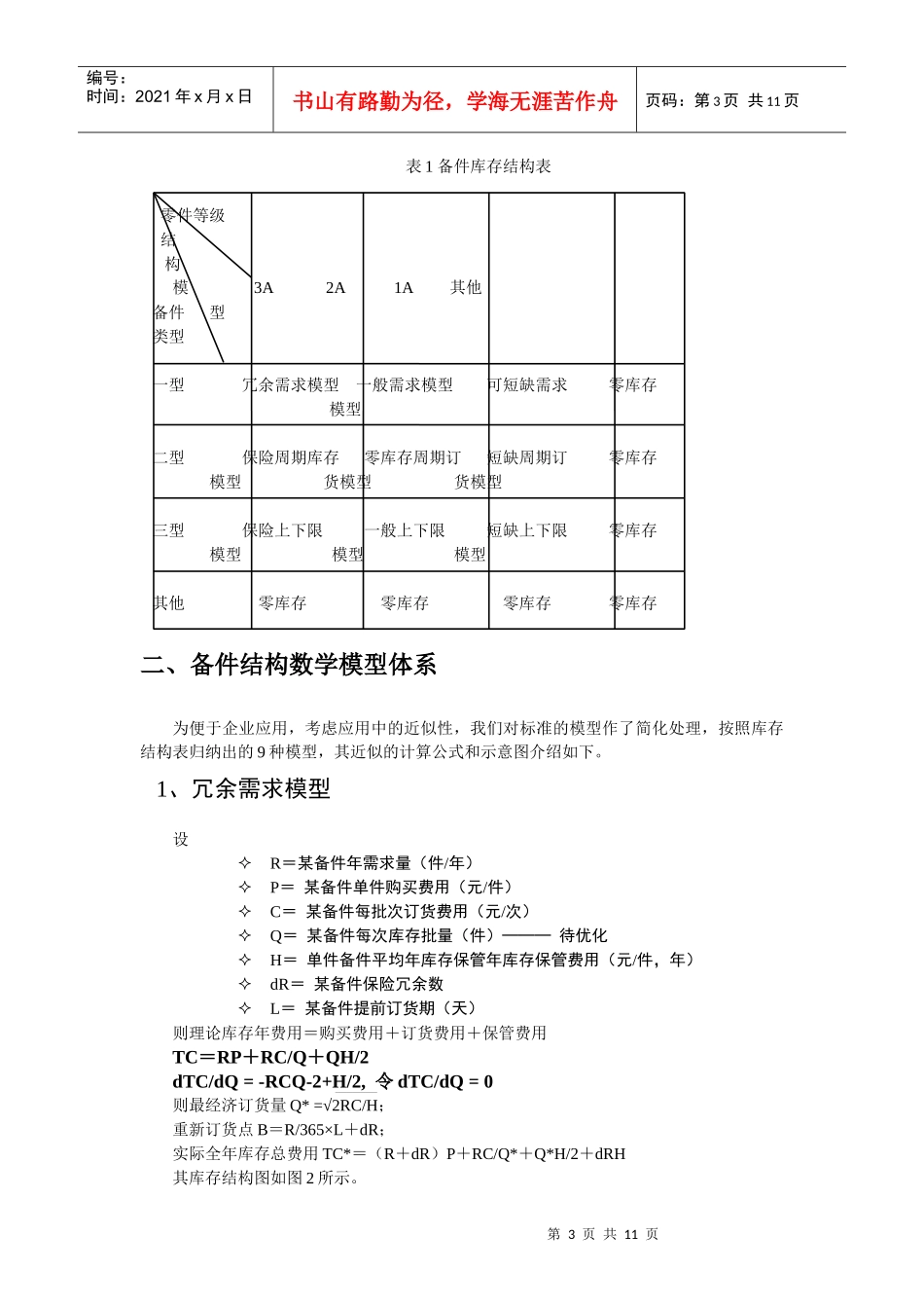
第1页共11页编号:时间:2021年x月x日书山有路勤为径,学海无涯苦作舟页码:第1页共11页设备备件库存结构及备件管理构想李葆文摘要企业备件库存是维修成本的重要构成。当代企业实施维修成本战略管理,做好备件库存优化十分必要。合理适当的备件库存,又是生产流畅运行的保障。随着社会化服务体系的不断完善,企业的备件供应更多依赖于备件信息管理、厂外备件库和社会虚拟备件库来完成。在新的环境下,企业内部的备件管理模式应不断创新并做适应性调整。本文试图探索新形势下的备件分类管理、编码规则、库存优化模型、计划的生成及条码管理的应用。文中还论述了备件管理计算机信息系统框架。关键字:备件库存优化目前企业普遍存在因为库存结构不合理而造成库存积压、资金浪费的现象,但库存管理又是一个十分烦琐复杂的问题。在库存管理中,我们既不希望占有过多的流动资金,又不希望备件短缺,影响设备的及时修复。由于我们对备件的损坏规律和订货规律不能及时和准确地掌握,这也就给合理库存结构模型的设计带来困难。一般设备管理软件中的备件管理,实际上仅仅是出、入库的数据库管理,可以完成统计、表格生成和掌握库存状况,但对这种库存结构是否经济合理,就不能回答也无能为力了。为了把备件库存真正纳入管理的过程,我们结合企业备件管理现状,本着边调研、边摸清规律、边进入模型的思路,使备件结构逐渐由黑箱变成灰箱,再逐渐透明。其实,整个备件管理的过程也就是备件损坏规律、订货规律逐渐透明化,库存结构逐渐经济合理化的过程。一、备件的3A管理思路为了区别备件的轻重缓急,我们对设备进行ABC分类,然后再对部件(总成)作ABC分类,最后对零件作ABC分类。需要说明的是,设备的ABC分类与传统的分类方法有所不同。传统的分类注重设备的精密、大型、稀有、贵重和关键,我们新的分类思路,更加重视设备在生产流程中的作用,注重设备停机对生产的影响,造成的后果。1、设备的ABC分类A类设备:主流程上,对生产直接影响、影响很大的设备;B类设备:非主流程上,但对生产影响较大的设备,如能源、气体供应设备;或虽在主流程上,但不构成很大影响的设备等等;C类设备:非主流程上,对生产影响不大,故障后可以等待修复的设备。2、部件的ABC分类:A类部件:设备的核心、主要负载部位,对设备生产运行影响直接,影响重要,发生故障后果严重、停机损失严重;B类部件:设备的较重要部位,发生故障影响设备功能、产品质量、生产效率和安全环保,但不会造成严重停机损失;C类部件:设备的辅助部位,发生故障暂不会对设备功能、产品质量、生产效率和安全环保产生即时的影响。第2页共11页第1页共11页编号:时间:2021年x月x日书山有路勤为径,学海无涯苦作舟页码:第2页共11页3、零件的ABC分类:A类零件:部件的核心、主要负载部位,对设备生产运行影响直接,影响重要,发生故障后果严重、停机损失严重;B类零件:部件的较重要部位,发生故障影响设备功能、产品质量、生产效率和安全环保,但不会造成严重停机损失;C类零件:部件的辅助部位,发生故障暂不会对设备功能、产品质量、生产效率和安全环保产生即时的影响。我们可以由设备、部件和零件的ABC分类派生出从AAA,到CCC共27种零件类别。然而,为了压缩库存,仅有若干类纳入库存结构模型管理范畴,其余类均作零库存处理,也就是说,当领用部门提出申请,才去订货、采购,平时不作储备。纳入备件库存结构模型管理范畴的备件又被分成四级。为了便于分析,我们可以用一个三维正方形来表示备件库存结构,正方形在原点的顶点代表AAA,即最重要备件,远离原点的顶点代表CCC,即最不重要的备件。我们以靠近原点的远近来区分重要程度,以两个垂直AAA-CCC对角线的三角形为分界面,如图1所示。这样得到四个不同的级别。第一级:AAA,BAA,ABA,AAB;即靠近三维坐标系原点小三角形里的四个点,代表了最重要,需要做冗余库存的零件。第二级:ABB,ACA,BCA,ACB,ABC,AAC,BAC,BBA,CAB,CBA,BAB,CAA,BBB;即夹在靠近原点小三角形和中间大三角形之间的点,代表了较重要,可以做一般库存的零件。第三级:ACC,BCB,CCA,CBB,CAC,BBC;即...

1、当您付费下载文档后,您只拥有了使用权限,并不意味着购买了版权,文档只能用于自身使用,不得用于其他商业用途(如 [转卖]进行直接盈利或[编辑后售卖]进行间接盈利)。
2、本站所有内容均由合作方或网友上传,本站不对文档的完整性、权威性及其观点立场正确性做任何保证或承诺!文档内容仅供研究参考,付费前请自行鉴别。
3、如文档内容存在违规,或者侵犯商业秘密、侵犯著作权等,请点击“违规举报”。

碎片内容

设备备件库存结构及备件管理构想(1)

中小学教育精品资料+ 关注
实名认证
内容提供者

中小学教育资料,优质文档创作者

确认删除?
VIP
微信客服
  • 扫码咨询
会员Q群
  • 会员专属群点击这里加入QQ群
客服邮箱
回到顶部