电脑桌面
添加小米粒文库到电脑桌面
安装后可以在桌面快捷访问

生产现场检查表VIP免费

生产现场检查表_第1页
1/11
生产现场检查表_第2页
2/11
生产现场检查表_第3页
3/11
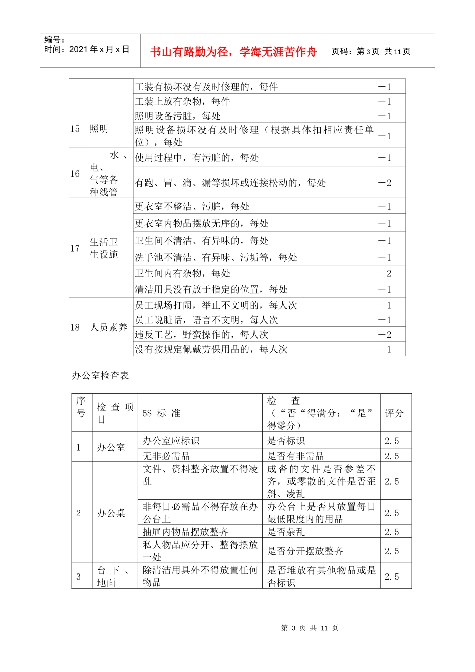
第1页共11页编号:时间:2021年x月x日书山有路勤为径,学海无涯苦作舟页码:第1页共11页生产现场检查表序号检查项目检查内容评分1地面标识地面通道没有标识,每处-1地面通道标识不明确,每处-1地面涂层有人为损坏,每处扣责任部门-12工位器具工位器具上有灰尘、油污、垃圾等,每个扣相关部门-1工位器具上存放的零件与工位器具不符合,每个-1现场有工位器具损坏没有及时报修(或负责修理部门没及时给予修理),每个扣相应责任部门-2工位器具上存放的零件数与工位器具设计存放零件数不符,每个扣相应责任部门-1工位器具上存放的零件没按存放要求存放,每个扣相应责任部门-1工位器具摆放乱,每处-13零件零件有工位器具不放,而直接放于地面,每个-1非工位上的零件的检验状态无标识,每种-1工位上的不合格件无明显标识,每处-2生产车间现场的不合格件在3日内没有处理(若相关部门没有及时办理手续,则扣相关部门),每种-2应拆包装上线的零件没有拆包装上线,每有一种扣采购部-14工作角班组园地内的桌椅不清洁,每处-1工作角内物品摆放乱,每处-1工作角内的物品损坏没有及时修理,每件-1班组园地使用的桌椅放于工作角之外的地方,每处-15目视板班组无目视板,每少1块-1目视板表面脏(如灰尘、污垢、擦拭不干净),每处-2目视板损坏,每块-3目视板牌面乱,塑料袋破损,未更换,每处-1目视板有栏目,但内容空白,每处-1目视板牌面过时和信息过时,每处-1目视板无责任人,每块-1目视板未定置或未放在规定位置,每块-1部门及车间无目视板台帐-56工具箱工具箱不清洁,每个-1工具箱上或下放有杂物,每个-1工具箱内没有物品清单或物单不符,每个-1箱中物品摆放乱,取用不便,每个-1工具箱损坏没有及时修理,每个-1第2页共11页第1页共11页编号:时间:2021年x月x日书山有路勤为径,学海无涯苦作舟页码:第2页共11页7厂房内空间窗台、窗户玻璃脏(灰尘、蛛网等),每处-1厂房墙壁、立柱上有乱贴、乱画或陈旧标语痕迹,每处-1厂房四壁有积灰,每处-1厂房内有漏雨或渗水(没及时报修扣专业厂,相关部门未及时处理,扣相关部门)每处-1厂房内物流通道、安全通道上有阻塞物,每处-18现场区划定置线内无定置物,每处-1现场没有设置不同状态件存放区域或区域无标识、标识不明确,每处-1现场存放的工件与区域标识不一致,每处-19垃圾及清运工位上的包装垃圾没有放于指定的垃圾箱,每处-1垃圾箱(桶)内垃圾外溢,每处-1垃圾箱没有放于规定的位置-1工业垃圾和生活垃圾混放的,每处-110工艺文件有过期的或者不必要的文件,每件-1文件没有按规定的位置摆放,每件-1文件摆放混乱、不整齐的,每处-1文件不清洁,有灰尘、脏污的,每件-1文件撕裂和损坏的,每件-211设备设备有损坏或松动的且没有及时维修的,每处-1设备没有按规定位置存放的,每件-1设备污脏,每件-1设备上放有杂物,每件-112工作台工作台不清洁,有积尘、油污的,每张-1工作台没按规定位置摆放的,每张-1工作台上物品摆放混乱,每张-1工作台上放有杂物,每张-113库房库房没有定置图,-5物资没有按定置图的规定摆放,每处-1物资没有标识或标识不明确,每处-1物资摆放混乱,每处-1物资没有摆放在规定的架、箱、柜、盘等专用或通用器具上,每件-1仓储物资不清洁、有积尘或蜘蛛网的,每处-114工装工装的使用和保存方法不正确的,每件-1工装没有放在指定的位置,每件-1工装不清洁或有污痕的,每件-1第3页共11页第2页共11页编号:时间:2021年x月x日书山有路勤为径,学海无涯苦作舟页码:第3页共11页工装有损坏没有及时修理的,每件-1工装上放有杂物,每件-115照明照明设备污脏,每处-1照明设备损坏没有及时修理(根据具体扣相应责任单位),每处-116水、电、气等各种线管使用过程中,有污脏的,每处-1有跑、冒、滴、漏等损坏或连接松动的,每处-217生活卫生设施更衣室不整洁、污脏,每处-1更衣室内物品摆放无序的,每处-1卫生间不清洁、有异味的,每处-1洗手池不清洁、有异味、污垢等,每处-1卫生间内有杂物,每处-2清洁用具没有放于指定的位置,每处-118人员素养...

1、当您付费下载文档后,您只拥有了使用权限,并不意味着购买了版权,文档只能用于自身使用,不得用于其他商业用途(如 [转卖]进行直接盈利或[编辑后售卖]进行间接盈利)。
2、本站所有内容均由合作方或网友上传,本站不对文档的完整性、权威性及其观点立场正确性做任何保证或承诺!文档内容仅供研究参考,付费前请自行鉴别。
3、如文档内容存在违规,或者侵犯商业秘密、侵犯著作权等,请点击“违规举报”。

碎片内容

生产现场检查表

确认删除?
VIP
微信客服
  • 扫码咨询
会员Q群
  • 会员专属群点击这里加入QQ群
客服邮箱
回到顶部