电脑桌面
添加小米粒文库到电脑桌面
安装后可以在桌面快捷访问

物质检验、鉴别与验证题的解题技巧VIP免费

物质检验、鉴别与验证题的解题技巧_第1页
1/11
物质检验、鉴别与验证题的解题技巧_第2页
2/11
物质检验、鉴别与验证题的解题技巧_第3页
3/11
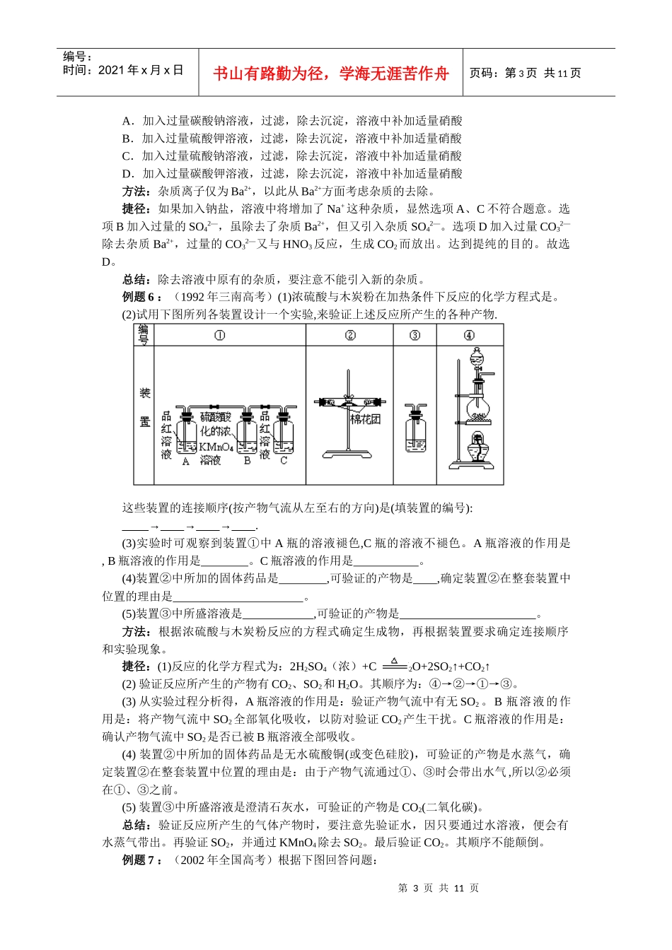
第1页共11页编号:时间:2021年x月x日书山有路勤为径,学海无涯苦作舟页码:第1页共11页策略23物质检验、鉴别、验证题的解题方法与技巧金点子:物质的检验、鉴别与验证,既有相似之处,又有不同之处。1.物质的检验:要求从两种或两种以上的物质中检验出其中的某一种或几种物质。常通过该物质的特殊性质予以确定。2.物质的鉴别:为两种或两种以上的物质组合,通过实验予以区别、区分。常通过各种不同物质与某一种物质反应的不同现象予以区别。3.物质的验证:为一种或一种以上的物质组合,通过实验予以确证,并能回答是还是否。对众多物质的组合,还要考虑验证的先后顺序。聚宝盆:1.关于未知溶液两两混合的推断题,一般采用列表法解比较简捷,若未知溶液较多,则注意从现象最明显,最容易推断的物质为突破口,然后再顺藤摸瓜推断出其他未知物质。2.只允许用一种试剂鉴别的题目,由于限制了试剂的种类,因而也就增加了题目的难度。要熟练解答这类习题,不但要熟练地掌握各类物质的性质和它们与某物质相互反应的规律及实验现象,而且还必须有科学的解题思路。常见的解题思路有以下几种:①若几种溶液的酸碱性不同时,可选适当的指示剂或pH试纸鉴别。②若几种溶液含有不同的阳离子,可考虑用强碱溶液与它们分别反应,根据生成物的颜色、稳定性,及在过量碱液中的溶解情况而加以鉴别。③若几种溶液中含有不同的阴离子,可考虑使用强酸,根据生成物的状态、颜色、气味等差别加以鉴别。④若几种物质间有的含有相同的阴离子,可考虑用既与相同的阳离子反应,又与相同的阴离子反应的试剂来鉴别。⑤若被鉴别物质中有能强烈水解的盐,可考虑用与之能发生双水解反应且与该组中其他物质发生不同反应的盐溶液鉴别。⑥鉴别有机物时,若被鉴别物质中含有醛基、羧基,应先考虑用新制得的Cu(OH)2悬浊液鉴别。被鉴别物质中含有酚的,可考虑用Fe3+利用显色反应鉴别。经典题:例题1:(1996年上海高考)下列各组溶液,只要用试管和胶头滴管,不用任何试剂就可以鉴别的是()A.KOH和Al2(SO4)3B.稀H2SO4和NaHCO3C.CaCl2和Na2CO3D.Ba(OH)2和NaHSO4第2页共11页第1页共11页编号:时间:2021年x月x日书山有路勤为径,学海无涯苦作舟页码:第2页共11页方法:将选项中的物质通过互滴分析。捷径:将一种物质的溶液滴入另一种物质的溶液,或将另一种物质的溶液滴入此种物质的溶液,只有A选项中现象不同,故A选项只要用试管和胶头滴管就能鉴别,选A。总结:有关不用任何试剂就可以鉴别物质的试题,要注意的是也不可以用焰色反应。例题2:(1996年上海高考)检验氯化氢气体中是否混有Cl2,可采用的方法是()A.用干燥的蓝色石蕊试纸B.用干燥有色布条C.将气体通入硝酸银溶液D.用湿润的淀粉碘化钾试纸方法:利用两种物质的性质不同进行鉴别检验。捷径:HClO具有漂白性,而Cl2无漂白性。选项A、B在干燥环境下,Cl2并不能转变为HClO,因无漂白性,无法与HCl气体区别;C中气体通入AgNO3溶液,都产生白色沉淀,因为Cl2与H2O反应也产生Cl—;D中Cl2与KI反应产生I2,I2遇淀粉变蓝,氯化氢与其不发生反应。故选D。总结:Cl—和单质Cl2是两种不同的物质,因而具有不同的性质。利用它们之间不同的性质才是鉴别它们的方法。如Cl2有氧化性,Cl—无氧化性,潮湿Cl2具有漂白性,而Cl—无漂白性等。例题3:(1993年全国高考)向某溶液中加入过量盐酸生成白色沉淀;过滤后向滤液中加入过量的氨水(使溶液呈碱性),又有白色沉淀生成;再过滤后向滤液中加入碳酸钠溶液,又生成白色沉淀.原溶液中含有的离子可能是()A.Ag+、Cu2+、Ba2+B.Ag+、Ba2+、Al3+C.Ag+、Al3+、Ca2+D.Al3+、Mg2+、K+方法:从物质间的反应规律及其现象求解。捷径:依题意,某溶液依次能跟盐酸、氨水、Na2CO3反应都生成白色沉淀,可推知溶液中应有Ag+、Al3+、Ba2+或Ca2+。因A项中加入过量的氨水使溶液呈碱性,无白色沉淀生成,可排除A。而D项中加入过量盐酸也无白色沉淀生成,可排除D。仅有BC项符合,故选BC。总结:向溶液中加入过量的盐酸产生白色沉淀或浑浊常见的阳离子有Ag+,阴离子有SiO32—等,在S2O32—中加入H+有浅黄色浑浊。(若加少量盐酸,AlO2—、ZnO22...

1、当您付费下载文档后,您只拥有了使用权限,并不意味着购买了版权,文档只能用于自身使用,不得用于其他商业用途(如 [转卖]进行直接盈利或[编辑后售卖]进行间接盈利)。
2、本站所有内容均由合作方或网友上传,本站不对文档的完整性、权威性及其观点立场正确性做任何保证或承诺!文档内容仅供研究参考,付费前请自行鉴别。
3、如文档内容存在违规,或者侵犯商业秘密、侵犯著作权等,请点击“违规举报”。

碎片内容

物质检验、鉴别与验证题的解题技巧

中小学教育精品资料+ 关注
实名认证
内容提供者

中小学教育资料,优质文档创作者

确认删除?
VIP
微信客服
  • 扫码咨询
会员Q群
  • 会员专属群点击这里加入QQ群
客服邮箱
回到顶部