电脑桌面
添加小米粒文库到电脑桌面
安装后可以在桌面快捷访问

(最新)铁道部认可的生产厂家VIP免费

(最新)铁道部认可的生产厂家_第1页
1/6
(最新)铁道部认可的生产厂家_第2页
2/6
(最新)铁道部认可的生产厂家_第3页
3/6
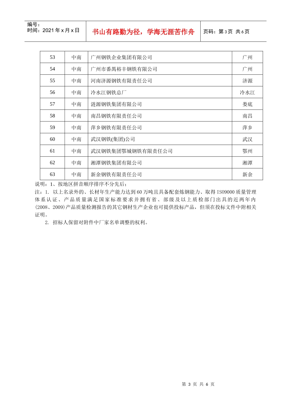
第1页共6页编号:时间:2021年x月x日书山有路勤为径,学海无涯苦作舟页码:第1页共6页附表1(铁道部认可的钢材生产厂家)钢材合格供应商名录序号地区全称所在地1东北鞍山钢铁集团公司鞍山2东北本溪北营钢铁(集团)股份有限公司本溪3东北抚顺新抚钢有限责任公司抚顺4东北黑龙江建龙钢铁有限公司双鸭山5东北凌源钢铁集团有限责任公司凌源6东北通化钢铁集团股份有限公司通化7东北西林钢铁集团有限公司伊春8华北承德新新钒钛股份有限公司承德9华北海鑫钢铁集团有限公司闻喜10华北邯郸钢铁集团有限责任公司邯郸11华北山东石横特钢集团有限公司肥城12华北山西中阳钢铁有限公司中阳13华北唐山钢铁股份有限公司唐山14华北唐山国丰钢铁有限公司唐山15华北天津市天铁轧二制钢有限公司天津16华北天津市冶金集团轧三金属材料科技有限公司天津17华北天津天钢集团有限公司天津18华北天铁第一轧钢有限责任公司涉县19华北潍坊钢铁集团公司潍坊20华北新兴铸管股份有限公司武安21华北邢台钢铁有限责任公司邢台22华北宣化钢铁集团有限责任公司宣化23华北长治钢铁(集团)有限公司长治24华北中国首钢集团北京25华东宝钢集团上海第一钢铁有限公司上海第2页共6页第1页共6页编号:时间:2021年x月x日书山有路勤为径,学海无涯苦作舟页码:第2页共6页26华东常州中天钢铁有限责任公司常州27华东济南钢铁集团闽源钢铁有限公司章丘28华东济南钢铁集团总公司济南29华东江苏沙钢集团有限公司张家港30华东江苏永钢集团有限公司张家港31华东莱芜钢铁集团有限公司莱芜32华东马钢(集团)控股有限公司马鞍山33华东南京钢铁集团有限公司南京34华东青岛钢铁控股集团有限责任公司青岛35华东山东莱钢永锋钢铁有限公司济南36西北包头钢铁(集团)有限责任公司包头37西北酒泉钢铁集团有限责任公司酒泉38西北宁夏电投钢铁有限公司石嘴山39西北陕西龙门钢铁集团韩城40西北新疆八一钢铁集团有限责任公司乌鲁木齐41西北长治钢铁(集团)有限公司长治42西南昆明钢铁集团有限责任公司昆明43西南攀枝花钢铁(集团)公司攀枝花44西南水城钢铁集团有限责任公司六盘水45西南四川省川威集团有限公司成都46西南四川省达州钢铁集团有限责任公司达州47西南重庆钢铁集团有限责任公司重庆48中南安钢集团信阳钢铁有限责任公司信阳49中南安阳钢铁集团有限责任公司安阳50中南福建省三钢(集团)有限责任公司三明51中南广东省韶关钢铁集团有限公司韶关52中南广西柳州钢铁(集团)公司柳州第3页共6页第2页共6页编号:时间:2021年x月x日书山有路勤为径,学海无涯苦作舟页码:第3页共6页53中南广州钢铁企业集团有限公司广州54中南广州市番禺裕丰钢铁有限公司广州55中南河南济源钢铁有限责任公司济源56中南冷水江钢铁总厂冷水江57中南涟源钢铁集团有限公司娄底58中南南昌钢铁有限责任公司南昌59中南萍乡钢铁有限责任公司萍乡60中南武汉钢铁(集团)公司武汉61中南武汉钢铁集团鄂城钢铁有限责任公司鄂州62中南湘潭钢铁集团有限公司湘潭63中南新余钢铁有限责任公司新余说明:1、按地区拼音顺序排序不分先后;注:1.以上名录外的、长材年生产能力达到60万吨且具备配套炼钢能力、取得ISO9000质量管理体系认证、产品质量满足国家标准要求并拥有省、部级及以上质检部门出具的近两年内(2008、2009)产品质量检测报告的其它钢材生产企业也可提供投标产品,但须在投标文件中附相关证明。2.招标人保留对附件中厂家名单调整的权利。第4页共6页第3页共6页编号:时间:2021年x月x日书山有路勤为径,学海无涯苦作舟页码:第4页共6页铁道部公布的65家钢材合格供应商名录全称所在地1鞍山钢铁集团公司鞍山2新抚钢线材制造有限责任公司抚顺3抚顺新抚钢有限责任公司抚顺4黑龙江建龙钢铁有限公司双鸭山5凌源钢铁集团有限责任公司凌源6通化钢铁集团股份有限公司通化7西林钢铁集团有限公司伊春8承德新新钒钛股份有限公司承德9海鑫钢铁集团有限公司闻喜10邯郸钢铁集团有限责任公司邯郸11山东石横特钢集团有限公司肥城12山西中阳钢铁有限公司中阳13唐山钢铁股份有限公司唐山14唐山国丰钢铁有限公司唐山15天津市天铁轧二制钢有限公司天津16天津市冶金集团轧三金属材料科技有限公...

1、当您付费下载文档后,您只拥有了使用权限,并不意味着购买了版权,文档只能用于自身使用,不得用于其他商业用途(如 [转卖]进行直接盈利或[编辑后售卖]进行间接盈利)。
2、本站所有内容均由合作方或网友上传,本站不对文档的完整性、权威性及其观点立场正确性做任何保证或承诺!文档内容仅供研究参考,付费前请自行鉴别。
3、如文档内容存在违规,或者侵犯商业秘密、侵犯著作权等,请点击“违规举报”。

碎片内容

(最新)铁道部认可的生产厂家

中小学教育精品资料+ 关注
实名认证
内容提供者

中小学教育资料,优质文档创作者

确认删除?
VIP
微信客服
  • 扫码咨询
会员Q群
  • 会员专属群点击这里加入QQ群
客服邮箱
回到顶部