电脑桌面
添加小米粒文库到电脑桌面
安装后可以在桌面快捷访问

设备及工具管理考核以及考核方法VIP免费

设备及工具管理考核以及考核方法_第1页
1/10
设备及工具管理考核以及考核方法_第2页
2/10
设备及工具管理考核以及考核方法_第3页
3/10
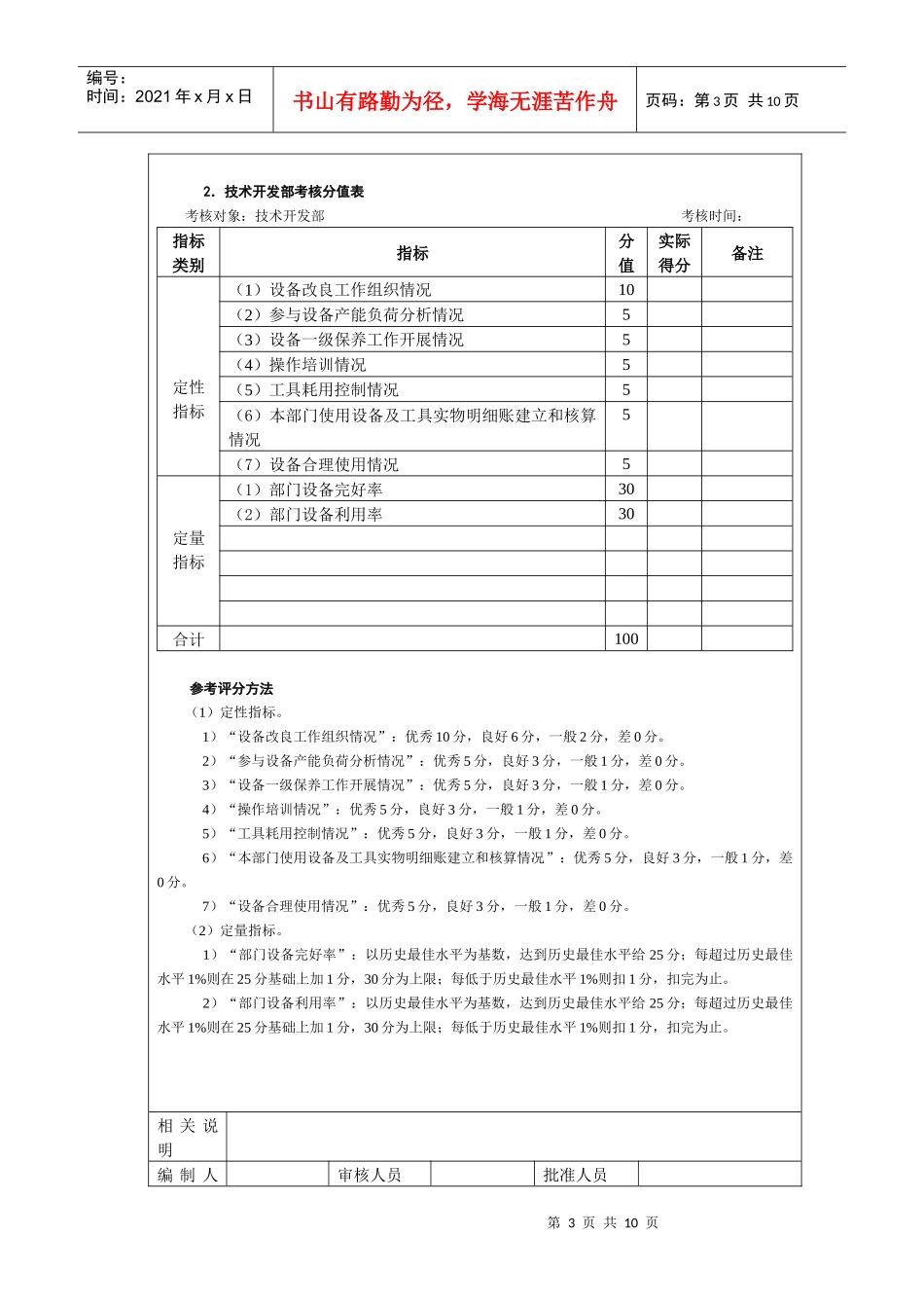
第1页共10页编号:时间:2021年x月x日书山有路勤为径,学海无涯苦作舟页码:第1页共10页设备及工具管理考核以及考核方法名称生产类考核以及设备及工具管理考核以及考核方法编码版本页次1以及5修改状态1.生产计划部考核分值表考核对象:生产计划部考核时间:指标类别指标分值实际得分备注定性指标(1)参与设备产能负荷分析情况5(2)设备一级保养工作开展情况5(3)操作培训情况5(4)工具耗用控制情况5(5)本部门使用设备及工具实物明细账建立和核算情况5(6)设备、工具验收情况5(7)本部门设备、工具安全完整情况5(8)设备合理使用情况5定量指标(1)生产设备利用率30(2)生产设备完好率30合计100参考评分方法(1)定性指标。1)“参与设备产能负荷分析情况”:优秀5分,良好3分,一般1分,差0分。2)“设备一级保养工作开展情况”:优秀5分,良好3分,一般1分,差0分。3)“操作培训情况”:优秀5分,良好3分,一般1分,差0分。4)“工具耗用控制情况”:优秀5分,良好3分,一般1分,差0分。5)“本部门使用设备及工具实物明细账建立和核算情况”:优秀5分,良好3分,一般1分,差0分。6)“设备、工具验收情况”:优秀5分,良好3分,一般1分,差0分。7)“本部门设备、工具安全完整情况”:优秀5分,良好3分,一般1分,差0分。8)“设备合理使用情况”:优秀5分,良好3分,一般1分,差0分。(2)定量指标。1)“生产设备利用率”:以历史最佳水平为基数,达到历史最佳水平给25分;每超过历史最佳水平1%则在25分基础上加1分,30分为上限;每低于历史最佳水平1%则扣1分,扣完为止。2)“生产设备完好率”:以历史最佳水平为基数,达到历史最佳水平给25分;每超过历史最佳水平1%则在25分基础上加1分,30分为上限;每低于历史最佳水平1%则扣1分,扣完为止。第2页共10页第1页共10页编号:时间:2021年x月x日书山有路勤为径,学海无涯苦作舟页码:第2页共10页相关说明编制人员审核人员批准人员编制日期审核日期批准日期(续)名称生产类考核以及设备及工具管理考核以及考核方法编码版本页次2以及5修改状态第3页共10页第2页共10页编号:时间:2021年x月x日书山有路勤为径,学海无涯苦作舟页码:第3页共10页2.技术开发部考核分值表考核对象:技术开发部考核时间:指标类别指标分值实际得分备注定性指标(1)设备改良工作组织情况10(2)参与设备产能负荷分析情况5(3)设备一级保养工作开展情况5(4)操作培训情况5(5)工具耗用控制情况5(6)本部门使用设备及工具实物明细账建立和核算情况5(7)设备合理使用情况5定量指标(1)部门设备完好率30(2)部门设备利用率30合计100参考评分方法(1)定性指标。1)“设备改良工作组织情况”:优秀10分,良好6分,一般2分,差0分。2)“参与设备产能负荷分析情况”:优秀5分,良好3分,一般1分,差0分。3)“设备一级保养工作开展情况”:优秀5分,良好3分,一般1分,差0分。4)“操作培训情况”:优秀5分,良好3分,一般1分,差0分。5)“工具耗用控制情况”:优秀5分,良好3分,一般1分,差0分。6)“本部门使用设备及工具实物明细账建立和核算情况”:优秀5分,良好3分,一般1分,差0分。7)“设备合理使用情况”:优秀5分,良好3分,一般1分,差0分。(2)定量指标。1)“部门设备完好率”:以历史最佳水平为基数,达到历史最佳水平给25分;每超过历史最佳水平1%则在25分基础上加1分,30分为上限;每低于历史最佳水平1%则扣1分,扣完为止。2)“部门设备利用率”:以历史最佳水平为基数,达到历史最佳水平给25分;每超过历史最佳水平1%则在25分基础上加1分,30分为上限;每低于历史最佳水平1%则扣1分,扣完为止。相关说明编制人审核人员批准人员第4页共10页第3页共10页编号:时间:2021年x月x日书山有路勤为径,学海无涯苦作舟页码:第4页共10页员编制日期审核日期批准日期(续)名称生产类考核以及设备及工具管理考核以及考核方法编码版本页次3以及5修改状态第5页共10页第4页共10页编号:时间:2021年x月x日书山有路勤为径,学海无涯苦作舟页码:第5页共10页3.机电设备部考核分值表考核对象:机电设备部考核时间:指标类别指标分值实...

1、当您付费下载文档后,您只拥有了使用权限,并不意味着购买了版权,文档只能用于自身使用,不得用于其他商业用途(如 [转卖]进行直接盈利或[编辑后售卖]进行间接盈利)。
2、本站所有内容均由合作方或网友上传,本站不对文档的完整性、权威性及其观点立场正确性做任何保证或承诺!文档内容仅供研究参考,付费前请自行鉴别。
3、如文档内容存在违规,或者侵犯商业秘密、侵犯著作权等,请点击“违规举报”。

碎片内容

设备及工具管理考核以及考核方法

您可能关注的文档

确认删除?
VIP
微信客服
  • 扫码咨询
会员Q群
  • 会员专属群点击这里加入QQ群
客服邮箱
回到顶部