电脑桌面
添加小米粒文库到电脑桌面
安装后可以在桌面快捷访问

中级无损检测技术资格人员-射线检测考题汇编工艺规程VIP免费

中级无损检测技术资格人员-射线检测考题汇编工艺规程_第1页
1/8
中级无损检测技术资格人员-射线检测考题汇编工艺规程_第2页
2/8
中级无损检测技术资格人员-射线检测考题汇编工艺规程_第3页
3/8
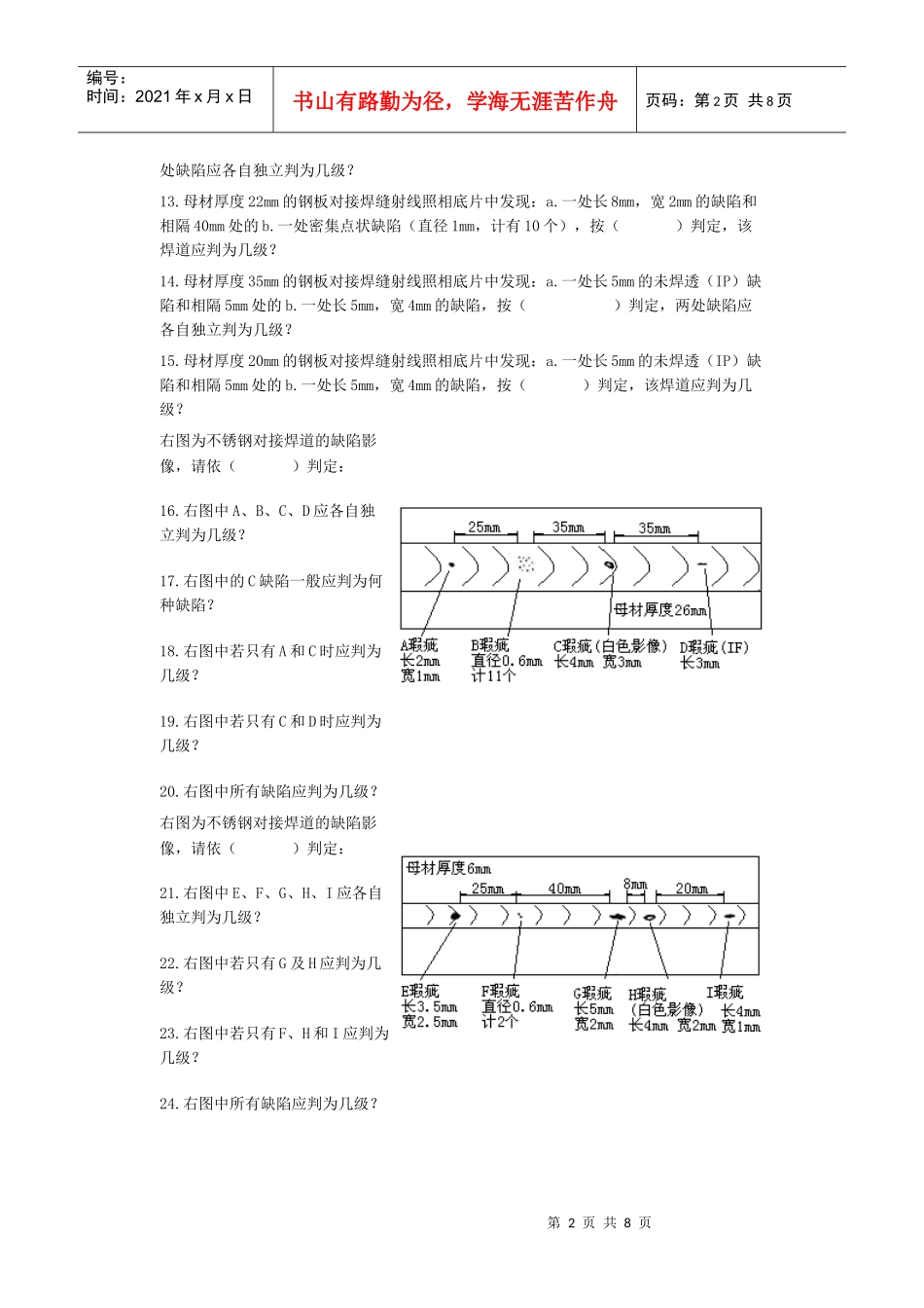
第1页共8页编号:时间:2021年x月x日书山有路勤为径,学海无涯苦作舟页码:第1页共8页初、中级无损检测技术资格人员-射线检测考题汇编工艺规程工艺规程1.编写铸钢件射线检测工艺规程2.液化气钢瓶环焊缝射线检测工艺规程3.管板焊缝射线检测工艺规程4.锅炉筒体焊缝射线检测工艺规程5.T形接头焊缝射线检测工艺规程6.天然气输气管道对接环焊缝射线检测工艺规程7.有一管线工程要做射线检测工作,其有关施工说明除依照合约NDT-RT-003的规定外,均依()。合约NDT-RT-003的规定如下:(1)检测范围:对接环缝,φ28x3mm、φ83x12mm、φ127x14mm的碳钢管线及管件;(2)检测时机:焊接完成冷至室温后;(3)检测比率:对接焊缝100%;(4)射源:照相厚度18mm以下用X光机,超过18mm者可用铱192;(5)胶片:杜邦65(DuPont65),尺寸300x80mm;(6)像质计:线条型,置于底片侧,双壁照像双壁判读应置于底片中央焊缝上。双壁照像单壁判读则放置与底片两端的焊缝上,距底片边缘15mm,细线靠外;(7)检测方法:外径89mm以下双壁照像双壁判读,超过89mm时双壁照像单壁判读;(8)黑度:1.5-3.0;(9)灵敏度:1.5%以下;(10)标志:左上角为工程编号及位置编号;右上角为检测厚度,T之后加以mm为单位的阿拉伯数字;左下角为焊工编号及射线检测人员编号,分别以W及R表示;下中为同一焊口的张数编号及中心点符号,以A、B、C表示;右下角为照像日期,年月日均以两位数字表示,不足两位数者以零填补;(11)底片两边重叠时最少重叠25mm;(12)接受基准:()级。试编写其X射线透照的工艺规程。8.右图所示中:板厚32mm,存在有a.夹渣,b.气孔,c.夹渣与气孔,d.未焊透(熔穿不足),尺寸大小如图示,按()判定,该焊道应判定为几级?9.右图所示中:板厚32mm,存在有a.夹渣,b.夹渣,c.气孔,d.裂缝,尺寸大小如图示,按()判定,该焊道应判定为几级?10.承上题,右图所示中的b夹渣和c气孔应各自独立判为几级?11.母材厚度5mm的钢板对接焊缝射线照相底片中发现长3mm,宽2mm的缺陷,按()判定,应为第几级?12.母材厚度30mm的钢板对接焊缝射线照相底片中发现:a.一处长8mm,宽2mm的缺陷和相隔40mm处的b.一处密集点状缺陷(直径1mm,计有10个),按()判定,两第2页共8页第1页共8页编号:时间:2021年x月x日书山有路勤为径,学海无涯苦作舟页码:第2页共8页处缺陷应各自独立判为几级?13.母材厚度22mm的钢板对接焊缝射线照相底片中发现:a.一处长8mm,宽2mm的缺陷和相隔40mm处的b.一处密集点状缺陷(直径1mm,计有10个),按()判定,该焊道应判为几级?14.母材厚度35mm的钢板对接焊缝射线照相底片中发现:a.一处长5mm的未焊透(IP)缺陷和相隔5mm处的b.一处长5mm,宽4mm的缺陷,按()判定,两处缺陷应各自独立判为几级?15.母材厚度20mm的钢板对接焊缝射线照相底片中发现:a.一处长5mm的未焊透(IP)缺陷和相隔5mm处的b.一处长5mm,宽4mm的缺陷,按()判定,该焊道应判为几级?右图为不锈钢对接焊道的缺陷影像,请依()判定:16.右图中A、B、C、D应各自独立判为几级?17.右图中的C缺陷一般应判为何种缺陷?18.右图中若只有A和C时应判为几级?19.右图中若只有C和D时应判为几级?20.右图中所有缺陷应判为几级?右图为不锈钢对接焊道的缺陷影像,请依()判定:21.右图中E、F、G、H、I应各自独立判为几级?22.右图中若只有G及H应判为几级?23.右图中若只有F、H和I应判为几级?24.右图中所有缺陷应判为几级?第3页共8页第2页共8页编号:时间:2021年x月x日书山有路勤为径,学海无涯苦作舟页码:第3页共8页右图为不锈钢对接焊道的缺陷影像,请依()判定:25.右图中J、K、L、M应各自独立判为几级?26.右图中若只有J和K应判为几级?27.右图中若只有K和L应判为几级?28.右图中若只有L和M应判为几级?29.右图中若只有K、L和M应判为几级?30.右图中所有瑕疵应判为几级?右图为钢对接焊缝的缺陷影像,请依ASMEUW-52判定:ASMEUW-52焊缝抽照(SpotExaminationofWeldingJoints)底片判定标准如下:①任何裂缝、未熔合或未焊透必须剔退②任何一个夹渣或孔洞其长度大于(2/3)T必须剔退。此处T为较薄母材之...

1、当您付费下载文档后,您只拥有了使用权限,并不意味着购买了版权,文档只能用于自身使用,不得用于其他商业用途(如 [转卖]进行直接盈利或[编辑后售卖]进行间接盈利)。
2、本站所有内容均由合作方或网友上传,本站不对文档的完整性、权威性及其观点立场正确性做任何保证或承诺!文档内容仅供研究参考,付费前请自行鉴别。
3、如文档内容存在违规,或者侵犯商业秘密、侵犯著作权等,请点击“违规举报”。

碎片内容

中级无损检测技术资格人员-射线检测考题汇编工艺规程

中小学教育精品资料+ 关注
实名认证
内容提供者

中小学教育资料,优质文档创作者

确认删除?
VIP
微信客服
  • 扫码咨询
会员Q群
  • 会员专属群点击这里加入QQ群
客服邮箱
回到顶部