电脑桌面
添加小米粒文库到电脑桌面
安装后可以在桌面快捷访问

空分装置大型设备吊装方案VIP免费

空分装置大型设备吊装方案_第1页
1/65
空分装置大型设备吊装方案_第2页
2/65
空分装置大型设备吊装方案_第3页
3/65
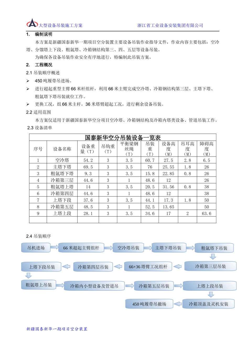
大型设备吊装施工方案浙江省工业设备安装集团有限公司新疆国泰新华一期项目空分装置大型设备吊装方案A15.4.6供审批版次REV.日期DATE内容DESCRIPTION编制MADE校核CHED批准APPR目录1.编制说明.........................................................................32.工程概况.........................................................................33.编制依据.........................................................................4新疆国泰新华一期项目空分装置大型设备吊装施工方案浙江省工业设备安装集团有限公司4.先决条件.........................................................................45.施工准备.........................................................................56.吊装工艺流程及步骤...............................................................87吊装安全保证措施................................................................488JHA危险分析....................................................................519附件............................................................................60新疆国泰新华一期项目空分装置大型设备吊装施工方案浙江省工业设备安装集团有限公司1.编制说明本方案是新疆国泰新华一期项目空分装置主要设备吊装作业指导文件,作业内容主要包括:空冷塔、分馏塔上下段、粗氩塔、冷箱钢结构第三、四、五层等设备吊装。为确保各设备吊装作业安全有序地进行,特编制此吊装方案。2.工程概况2.1吊装顺序概述450吨履带吊进场。进行超起重型主臂66米杆组杆,利用66米主臂完成空冷塔、冷箱钢结构第三层、主塔下塔、粗氩塔下塔吊装就位工作。更换工况,组66米主杆,36米塔臂超起工况,进行剩余设备吊装。2.2适用范围本方案仅适用于新疆国泰新华空分项目空冷塔、冷箱钢结构及冷箱内塔类设备、管道吊装工作。2.3设备清单2.4吊装顺序新疆国泰新华一期项目空分装置吊机进场66米超起主臂组杆空冷塔吊装粗氩塔下吊装上塔下段吊装冷箱第四层吊装冷箱第三层吊装装粗氩塔上吊装主塔下塔吊装国泰新华空分吊装设备一览表序号设备名称设备重量(T)吊钩重(T)平衡梁钢丝绳(T)吊装重(T)设备高度(M)吊耳高度(M)障碍高度(M)1空冷塔54.233.560.727.52.86.52主塔下塔69.533.57625.551.8263粗氩塔下塔9.333.515.822.850.8264冷箱第三层44.63148.612265粗氩塔上塔1433.520.531.560.8386冷箱第四层44.63148.612387上塔下段37.633.544.117.31.8508冷箱第五层48.53152.513.65509上塔上段28.133.534.617263.666+36塔臂工况组杆冷箱第五层吊装冷箱内小型设备及管道吊装上塔上段吊装冷箱顶盖及灵机安装装450吨履带吊撤场大型设备吊装施工方案浙江省工业设备安装集团有限公司3.编制依据3.1各种设备图纸及施工现场平面布置图3.2《大型设备吊装工程施工工艺标准》SH/T3515-20033.3《起重工操作规程》SYB4122-803.4《石油化工工程起重施工规范》SH/T3536-20113.5《石油化工施工安全技术规程》SH3505-19993.6《一般用途钢丝绳》GB-T20118-20063.7《石油化工建设工程施工技术规范》GB50484-20083.8《施工现场机械设备检查技术规程》JGJ160-20083.9《建筑机械使用安全技术规程》JGJ33-20123.10《危险性较大的分部分项工程安全管理规范》DGJ08-2077-20103.11QUY450型450吨履带吊、120吨汽车吊性能表4.先决条件4.1技术条件4.1.1吊装前,技术负责人组织技术人员、施工班组人员熟悉图纸及吊装技术文件和工艺要求,详细记录发现的问题或有异议的地方,并进行解决或澄清。4.1.2参加设备吊装的人员必须经过技术安全交底。4.1.3起重工、吊车司机、起重指挥等特种作业人员必须具有有效的特种设备作业操作证。4.1.4吊装的安全技术措施已经落实。4.2施工条件4.2.1QUY450(450t)、120t等汽车吊在现场组装完毕并经检查试验合格,重点检查力矩限制器、卷扬,钢丝绳,吊钩,刹车与结构等受力结构件安全装置,检查要有结论和记录,司机和检查人员签字确认。4.2.2吊装机械必须具有特检中心发放的吊机检验合格证,并保...

1、当您付费下载文档后,您只拥有了使用权限,并不意味着购买了版权,文档只能用于自身使用,不得用于其他商业用途(如 [转卖]进行直接盈利或[编辑后售卖]进行间接盈利)。
2、本站所有内容均由合作方或网友上传,本站不对文档的完整性、权威性及其观点立场正确性做任何保证或承诺!文档内容仅供研究参考,付费前请自行鉴别。
3、如文档内容存在违规,或者侵犯商业秘密、侵犯著作权等,请点击“违规举报”。

碎片内容

空分装置大型设备吊装方案

确认删除?
VIP
微信客服
  • 扫码咨询
会员Q群
  • 会员专属群点击这里加入QQ群
客服邮箱
回到顶部