电脑桌面
添加小米粒文库到电脑桌面
安装后可以在桌面快捷访问

采暖与卫生设备安装工程VIP免费

采暖与卫生设备安装工程_第1页
1/147
采暖与卫生设备安装工程_第2页
2/147
采暖与卫生设备安装工程_第3页
3/147
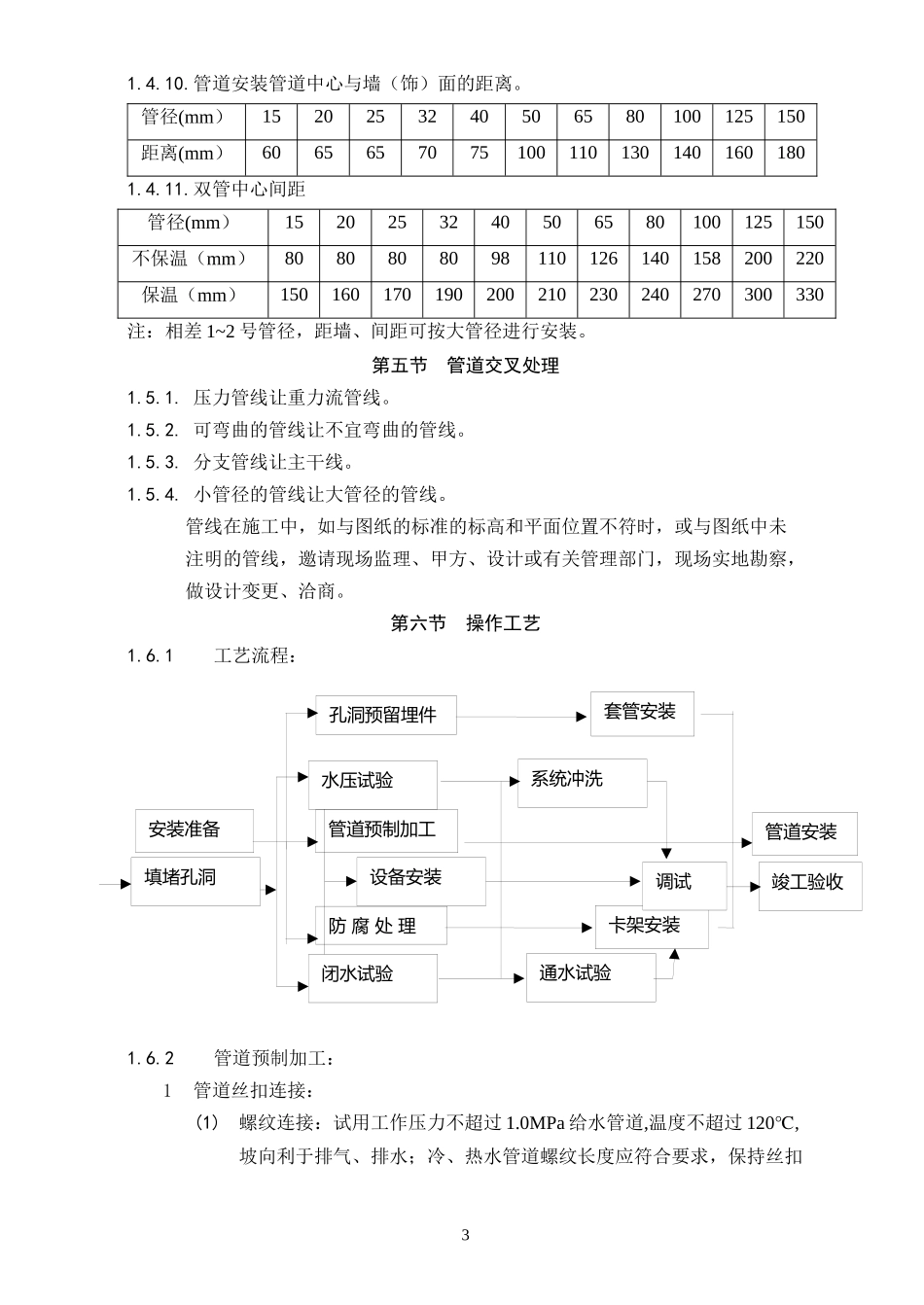
采暖与卫生设备安装工程第一章暖卫设备及管道安装基本工艺..................................................2第二章室内金属给水管道安装............................................................20第三章室内塑料给水管道安装............................................................31第四章室内给水钢塑复合管安装........................................................40第五章室内给水铝塑复合管安装........................................................49第六章室内排水管道安装....................................................................58第七章室内塑料排水管道安装..............................................................67第八章卫生洁具安装............................................................................72第九章消防自动喷洒系统和消火栓系统的管道及设备安装............88第十章采暖管道安装............................................................................98第十一章室内散热器的安装..............................................................107第十二章集中供暖住宅分户热计量管道及散热器安装..................116第十三章低温热水地板辐射供暖应用技术规程..............................126第十四章太阳能热水器及管道安装..................................................132第十五章室外给水管道和设备安装..................................................137第十六章室外塑料给水管道安装......................................................145第十七章管道、设备和容器的防腐..................................................152第十八章管道及设备的保温..............................................................155第一章暖卫设备及管道安装基本工艺本工艺标准适用于民用及一般工业建筑室内、外采暖与卫生设备管道安装工程第一节材料、设备要求11.1.1.暖卫设备、钢材、管材、管件及附属制品等,在进场后使用前应认真检查,必须符合国家或行业标准有关质量、技术要求和设计要求,并有产品出厂中文质量合格证明文件。1.1.2.各种连接管件不得有砂眼、裂纹、偏扣、乱扣、丝扣不全和角度不准等现象。1.1.3.各种阀门的型号、规格、压力必须符合设计要求,外观要规矩无损伤,阀体严密性好,阀杆不得弯曲,安装前应按施工规范规定进行强度及严密性试验。1.1.4.石棉橡胶垫、油麻、线麻、水泥、电、气焊条等质量都必须符合设计及规范要求。1.1.5.主要器具和设备必须有完整的安装使用说明书,在运输保管和施工过程中,应采取有效措施防止损坏。第二节主要机具1.2.1.机具:套丝机、砂轮锯、煨弯机、热熔机、砂轮机、电焊机、台钻、手电钻、电锤、电动水压泵等。1.2.2.工具:套丝板、圆丝板、管钳、链钳、活扳子、手锯、手锤、大锤、錾子、捻凿、麻钎、螺丝板、压力案、台虎钳、克丝钳、改锥、气焊工具等。1.2.3.量具:水平尺、钢卷尺、线坠、焊口检测器、卡尺、小线等。第三节作业条件1.3.1.根据施工方案安排好适当的现场工作场地、工作棚、料具库,在管道层、地下室、地沟内操作时,要接通低压照明灯。1.3.2.配合土建施工进度做好各项预留孔洞、管槽。稳栽各种型钢托、吊卡架及预埋套管,浇注楼板孔洞、堵抹墙洞工作应在土建装修工程开始前完成。1.3.3.在各项预制加工项目进行前,要根据安装测绘草图及材料计划,将需用材料、设备的规格型号、质量、数量,确认合格并准备齐全运到现场。第四节管道安装的概述1.4.1.安装前应检查所用设备、材料的规格材质、型号和外观质量,符合要求后方可使用,按要求应做耐压和严密性试验。1.4.2.安装前必须清除管道内的杂物,安装中断或完毕的敞口处应临时封闭。1.4.3.管道安装应符合施工质量验收规范、图集及设计的要求。1.4.4.管道连接要严密、固定要牢固,管道的坡度、坡向应符合设计要求。1.4.5.直线管段应无弯曲,立管应垂直、偏差不能超过允许范围。1.4.6.管道支架的间距不应超过允许间距。1.4.7.管道附件、...

1、当您付费下载文档后,您只拥有了使用权限,并不意味着购买了版权,文档只能用于自身使用,不得用于其他商业用途(如 [转卖]进行直接盈利或[编辑后售卖]进行间接盈利)。
2、本站所有内容均由合作方或网友上传,本站不对文档的完整性、权威性及其观点立场正确性做任何保证或承诺!文档内容仅供研究参考,付费前请自行鉴别。
3、如文档内容存在违规,或者侵犯商业秘密、侵犯著作权等,请点击“违规举报”。

碎片内容

采暖与卫生设备安装工程

确认删除?
VIP
微信客服
  • 扫码咨询
会员Q群
  • 会员专属群点击这里加入QQ群
客服邮箱
回到顶部