电脑桌面
添加小米粒文库到电脑桌面
安装后可以在桌面快捷访问

4附件4-4:钢管拱施工技术VIP免费

4附件4-4:钢管拱施工技术_第1页
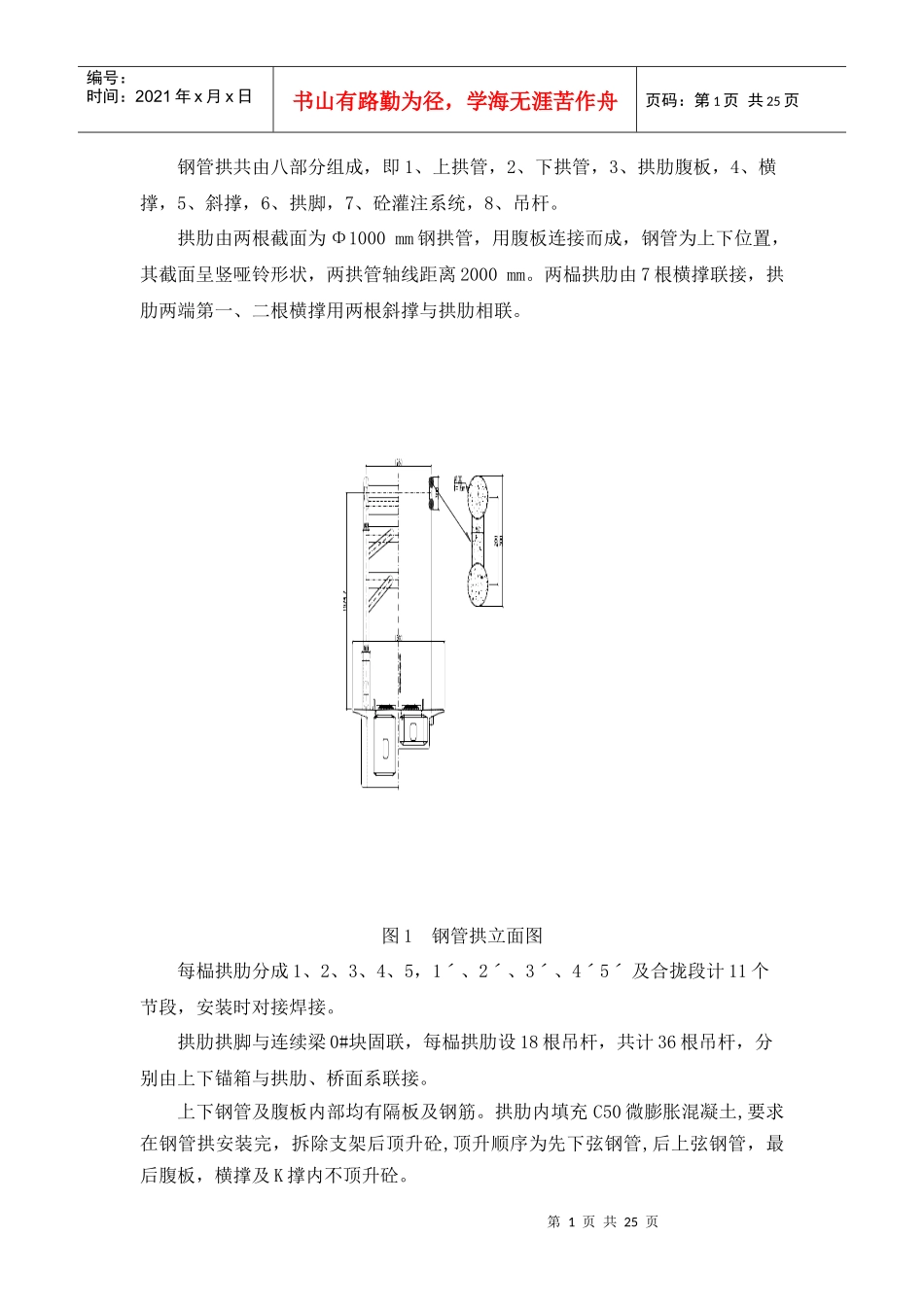
1/25
4附件4-4:钢管拱施工技术_第2页
2/25
4附件4-4:钢管拱施工技术_第3页
3/25
分报告之四钢管拱施工技术目录1.工程概况……………………………………………………………………12.钢管拱制作验收……………………………………………………………22.1.技术准备…………………………………………………………………22.2.钢管拱制作工艺流程……………………………………………………32.3.拱肋制作…………………………………………………………………32.4.钢管拱制作机械设备……………………………………………………52.5.钢管拱预拼………………………………………………………………62.6.钢管拱防锈及喷漆………………………………………………………73.支架法安装钢管拱…………………………………………………………83.1.吊装方案的选择…………………………………………………………83.2.支架拼装及检验…………………………………………………………83.3.钢管拱吊装………………………………………………………………93.4.拱肋合拢…………………………………………………………………133.5.拱节焊接…………………………………………………………………143.6.表面涂装…………………………………………………………………153.7.钢管拱安装检验项目及标准……………………………………………154.钢管拱内砼顶升……………………………………………………………174.1.顶升砼性能要求…………………………………………………………174.2.配合比的设计……………………………………………………………174.3.顶升砼地泵选择…………………………………………………………174.4.灌浆口设置………………………………………………………………184.5.出气口及排浆管设置……………………………………………………184.6.施工工艺及质量控制要点………………………………………………195.吊杆安装张拉………………………………………………………………205.1.工艺流程…………………………………………………………………205.2.施工准备…………………………………………………………………205.3.吊杆索安装………………………………………………………………205.4.吊杆索张拉………………………………………………………………215.5.配套附件的安装…………………………………………………………236.结语…………………………………………………………………………231.工程概况京津城际轨道交通工程跨四环系杆拱连续梁拱肋的轴线呈抛物线形,其理论方程为:y=2/3x-1/192x2,拱肋轴线跨度128m,拱顶距桥面标高18.333m。第1页共25页编号:时间:2021年x月x日书山有路勤为径,学海无涯苦作舟页码:第1页共25页钢管拱共由八部分组成,即1、上拱管,2、下拱管,3、拱肋腹板,4、横撑,5、斜撑,6、拱脚,7、砼灌注系统,8、吊杆。拱肋由两根截面为Φ1000mm钢拱管,用腹板连接而成,钢管为上下位置,其截面呈竖哑铃形状,两拱管轴线距离2000mm。两榀拱肋由7根横撑联接,拱肋两端第一、二根横撑用两根斜撑与拱肋相联。图1钢管拱立面图每榀拱肋分成1、2、3、4、5,1ˊ、2ˊ、3ˊ、4ˊ5ˊ及合拢段计11个节段,安装时对接焊接。拱肋拱脚与连续梁0#块固联,每榀拱肋设18根吊杆,共计36根吊杆,分别由上下锚箱与拱肋、桥面系联接。上下钢管及腹板内部均有隔板及钢筋。拱肋内填充C50微膨胀混凝土,要求在钢管拱安装完,拆除支架后顶升砼,顶升顺序为先下弦钢管,后上弦钢管,最后腹板,横撑及K撑内不顶升砼。第2页共25页第1页共25页编号:时间:2021年x月x日书山有路勤为径,学海无涯苦作舟页码:第2页共25页吊杆采用OVMPES(FD)7-109,抗拉强度标准为1670MPa,钢丝按GB5223标准执行,钢丝公称面积41.95cm2,每米钢丝重32.9kg,索体外径97mm。采用双层热挤聚乙烯护层,外套不锈钢护筒。锚具采用LZM7-109冷铸镦头锚,上下均设万向铰装置。上锚箱沿拱肋纵向在拱下方设有防水檐钢板。下锚箱上下设防护罩,内部采用聚胺脂发泡处理防腐。2.钢管拱制作验收2.1技术准备2.1.1施工图绘制拱肋的设计图纸只有转化为施工图纸,才能指导施工。按施工要求,设计拱肋结构总图、拱肋节段图、拱肋筒...

1、当您付费下载文档后,您只拥有了使用权限,并不意味着购买了版权,文档只能用于自身使用,不得用于其他商业用途(如 [转卖]进行直接盈利或[编辑后售卖]进行间接盈利)。
2、本站所有内容均由合作方或网友上传,本站不对文档的完整性、权威性及其观点立场正确性做任何保证或承诺!文档内容仅供研究参考,付费前请自行鉴别。
3、如文档内容存在违规,或者侵犯商业秘密、侵犯著作权等,请点击“违规举报”。

碎片内容

4附件4-4:钢管拱施工技术

确认删除?
VIP
微信客服
  • 扫码咨询
会员Q群
  • 会员专属群点击这里加入QQ群
客服邮箱
回到顶部