电脑桌面
添加小米粒文库到电脑桌面
安装后可以在桌面快捷访问

仓储部各岗位职责VIP免费

仓储部各岗位职责_第1页
1/11
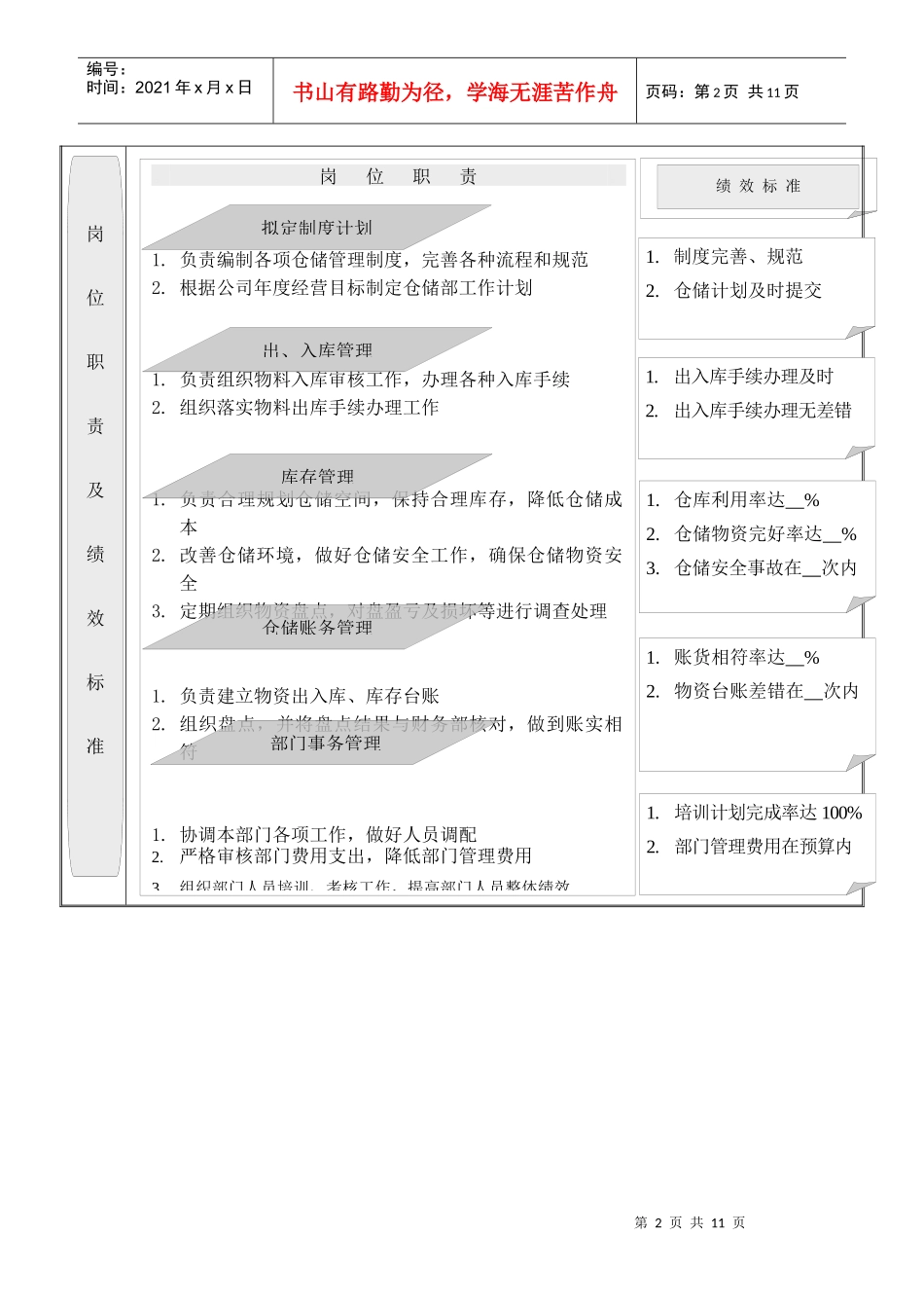
仓储部各岗位职责_第2页
2/11
仓储部各岗位职责_第3页
3/11
第1页共11页主要负责公司的仓储规划,制定合理的库存量,确保仓储物资的安全,实现仓储的规范化管理,为公司做好物料管理工作编号:时间:2021年x月x日书山有路勤为径,学海无涯苦作舟页码:第1页共11页更多资料请访问(.....)仓储部经理职位说明书岗位名称仓储部经理所属部门仓储部岗位编号岗位序列薪资标准直接上级岗位信息职责概述第2页共11页第1页共11页绩效标准编号:时间:2021年x月x日书山有路勤为径,学海无涯苦作舟页码:第2页共11页。岗位职责。1.负责编制各项仓储管理制度,完善各种流程和规范2.根据公司年度经营目标制定仓储部工作计划1.负责组织物料入库审核工作,办理各种入库手续2.组织落实物料出库手续办理工作1.负责合理规划仓储空间,保持合理库存,降低仓储成本2.改善仓储环境,做好仓储安全工作,确保仓储物资安全3.定期组织物资盘点,对盘盈亏及损坏等进行调查处理1.负责建立物资出入库、库存台账2.组织盘点,并将盘点结果与财务部核对,做到账实相符1.协调本部门各项工作,做好人员调配2.严格审核部门费用支出,降低部门管理费用3.组织部门人员培训、考核工作,提高部门人员整体绩效岗位职责及绩效标准拟定制度计划出、入库管理库存管理仓储账务管理部门事务管理1.制度完善、规范2.仓储计划及时提交1.出入库手续办理及时2.出入库手续办理无差错1.仓库利用率达%2.仓储物资完好率达%3.仓储安全事故在次内1.账货相符率达%2.物资台账差错在次内1.培训计划完成率达100%2.部门管理费用在预算内第3页共11页第2页共11页权限4有对部门内部员工实施考核的权力权限3有与岗位职责相对应的财务权限权限2有权根据审批后的工作计划开展仓储管理工作权限1有权制定和修改公司仓储相关制度和流程权力编号:时间:2021年x月x日书山有路勤为径,学海无涯苦作舟页码:第3页共11页岗位权限内部生产部门质量部门财务及其他部门总经理运输单位供应商消防部门外部副总经理仓储经理安全、保安主管岗位关系第4页共11页第3页共11页编号:时间:2021年x月x日书山有路勤为径,学海无涯苦作舟页码:第4页共11页仓储主管职位说明书岗位信息岗位名称仓储主管岗位编号岗位等级薪资水平工作部门仓储部直接上级直接下级所辖人数工职责描述责任划分绩效标准任职资格教育水平1.大学本科以上学历2.物流仓储等相关专业经验要求5年以上物流仓储工作经验,其中2年以上管理岗位经验能力要求1.具有较强的领导能力和影响力,能够带动下属完成工作任务2.具有较强的组织协调能力,可以协调各部门顺利开展工作3.具有较强的规划控制能力,能够对公司仓储合理规划控制第5页共11页第4页共11页编号:时间:2021年x月x日书山有路勤为径,学海无涯苦作舟页码:第5页共11页作职责及绩效标准全责全责全责部分协助全责协助工作职责1.仓库空间利用率达%2.出库、入库手续齐全率达%3.出库货物合格率达%4.按时、定期盘点5.物资完好率达%6.物资台账账实不符的次数在次内1.负责监督仓储制度、流程、规范等的执行2.负责仓储耗材管理,审核仓储费用支出3.负责下属人员的工作指导和培训管理职责1.仓储费用控制在预算内2.下属考核得分不低于分第6页共11页第5页共11页编号:时间:2021年x月x日书山有路勤为径,学海无涯苦作舟页码:第6页共11页职位关系第7页共11页第6页共11页大学专科以上学历物流、仓储等相关专业教育水平编号:时间:2021年x月x日书山有路勤为径,学海无涯苦作舟页码:第7页共11页入库专员职位说明书岗位信息岗位名称入库专员岗位编号所属部门仓储部直接上级1.3年以上相关工作经验2.熟悉物流仓储作业流程及仓储设备的使用和维护规范工作经验及业务了解范围技能/能力能力项目能力要求计划控制能力能够对工作进行合理计划,并且对计划具有较强的控制能力沟通协调能力能够与工作中的相关人员顺畅沟通,确保工作任务顺利完成现场管理能力具有较强的现场协调、控制能力,能够迅速果断的处理现场问题第8页共11页第7页共11页教育水平经验要求能力要求编号:时间:2021年x月x日书山有路勤为径,学海无涯苦作舟页码:第8页共11页工作概述在仓储主管的领导下,负责公司物资的验收及入库工作,确保入库物资的质量工作内容...

1、当您付费下载文档后,您只拥有了使用权限,并不意味着购买了版权,文档只能用于自身使用,不得用于其他商业用途(如 [转卖]进行直接盈利或[编辑后售卖]进行间接盈利)。
2、本站所有内容均由合作方或网友上传,本站不对文档的完整性、权威性及其观点立场正确性做任何保证或承诺!文档内容仅供研究参考,付费前请自行鉴别。
3、如文档内容存在违规,或者侵犯商业秘密、侵犯著作权等,请点击“违规举报”。

碎片内容

仓储部各岗位职责

确认删除?
VIP
微信客服
  • 扫码咨询
会员Q群
  • 会员专属群点击这里加入QQ群
客服邮箱
回到顶部