电脑桌面
添加小米粒文库到电脑桌面
安装后可以在桌面快捷访问

生产管理调查表(一)VIP专享VIP免费

生产管理调查表(一)_第1页
1/2
生产管理调查表(一)_第2页
2/2
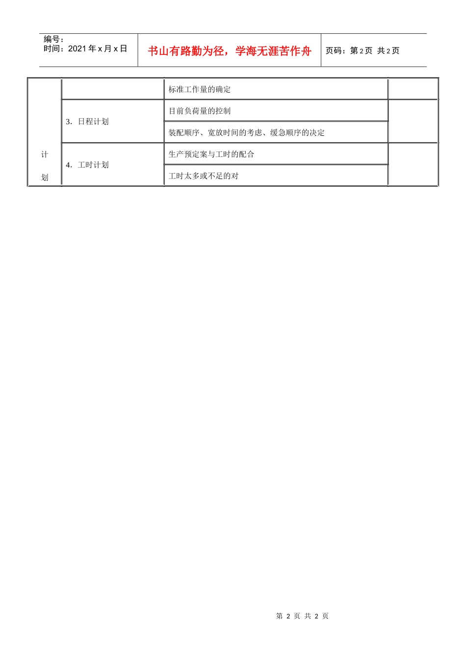
第1页共2页编号:时间:2021年x月x日书山有路勤为径,学海无涯苦作舟页码:第1页共2页生产管理调查表(一)区分调查项目主要检讨事项记事作业分析1.工程分析(主要产品)把握改善重点改善着眼点的实例工作研究(主要工程)工作条件与动作改善制定标准时间(实例表示)3.工作率分析机械工作率、把握工作效率宽放率及效率标准的控制人员设备建筑1.工作者(职种、技术别)各部门各工程能力的均衡技术的合适性及其训练机械设备(台数、能力)工程别能力的均衡、精确度的合适性过忙或闲暇分析机械工作率是否合适工厂布置(设备、建筑)流程图工厂布置是否合适工作面积及工作环境是否合适设计1.设计管理设计改善与降低成本的关系2.产品研究生产设计的实施情形提高产品品质问题其他公司同类产品品质的比较生产1.一般情形由谁、以什么方法立案的销售计划书及资金计划书是否配合2.程序计划工程程序的指定问题第2页共2页第1页共2页编号:时间:2021年x月x日书山有路勤为径,学海无涯苦作舟页码:第2页共2页计划标准工作量的确定3.日程计划目前负荷量的控制装配顺序、宽放时间的考虑、缓急顺序的决定4.工时计划生产预定案与工时的配合工时太多或不足的对

1、当您付费下载文档后,您只拥有了使用权限,并不意味着购买了版权,文档只能用于自身使用,不得用于其他商业用途(如 [转卖]进行直接盈利或[编辑后售卖]进行间接盈利)。
2、本站所有内容均由合作方或网友上传,本站不对文档的完整性、权威性及其观点立场正确性做任何保证或承诺!文档内容仅供研究参考,付费前请自行鉴别。
3、如文档内容存在违规,或者侵犯商业秘密、侵犯著作权等,请点击“违规举报”。

碎片内容

生产管理调查表(一)

确认删除?
VIP
微信客服
  • 扫码咨询
会员Q群
  • 会员专属群点击这里加入QQ群
客服邮箱
回到顶部