电脑桌面
添加小米粒文库到电脑桌面
安装后可以在桌面快捷访问

设备保全规定(doc 32)VIP免费

设备保全规定(doc 32)_第1页
1/31
设备保全规定(doc 32)_第2页
2/31
设备保全规定(doc 32)_第3页
3/31
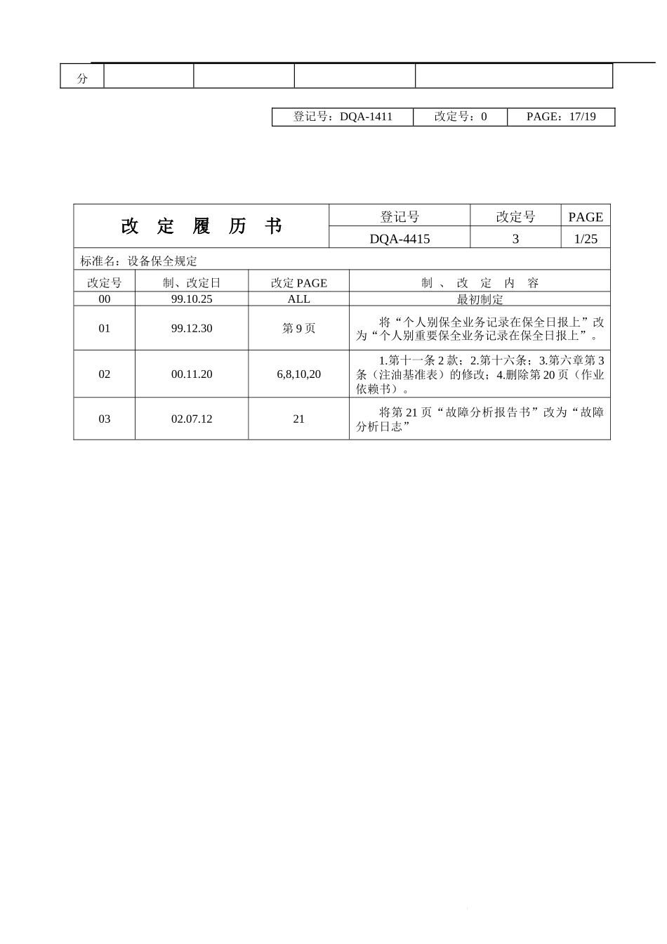
标准申请书(裁决规定:决定)标准名设备保全规定立案审议承决定分类编号DQA-4415适用范围东莞工厂认如申请内容把事业本部标准要(制定,改定,废弃)决定者的指示事项:起稿日期2002年07月12日实行日期2000年07月20日起稿部署生产科设备保全起稿者程勇电话:5504标准管理部署制定,改定,废弃理由Six-sigma活用于《故障分析报告书》起稿内容简要有关制造技术QA协议意见部署协议发布处备注*发布日期:标记由标准管理部署记录,起稿部署不准记录.登记号:DQA-1411改定号:0PAGE:14/19区分姓名签字姓名签字姓名签字姓名签字姓名签字标准回览教育对象教育时间教育场所教育人员教育担当标准教育标准管理*标准管理部署区管理号码管理责任者保管场所标准教育,回览分登记号:DQA-1411改定号:0PAGE:17/19改定履历书登记号改定号PAGEDQA-441531/25标准名:设备保全规定改定号制、改定日改定PAGE制、改定内容0099.10.25ALL最初制定0199.12.30第9页将“个人别保全业务记录在保全日报上”改为“个人别重要保全业务记录在保全日报上”。0200.11.206,8,10,201.第十一条2款;2.第十六条;3.第六章第3条(注油基准表)的修改;4.删除第20页(作业依赖书)。0302.07.1221将第21页“故障分析报告书”改为“故障分析日志”第一章总则第一条(目的)本规定的目的在于实现东莞工厂LCD部门生产科设备保全的有关设备运营的所有保全活动的效率最大化为其目的1.减少由于故障引起停产的损失2.减少保全费(修理费)3.减少制品不良登记号:DQA—1411改定号:0PAGE:15/19标准名设备保全规定登记号改定号PAGEDQA-441532/254.提高设备启动率5.以适当管理保全用SPARTPART来减少再库品6.以设备的有效运营来减少制造成本7.以设备的安全运营来减少灾难性事故发生第二条(适用范围)本规定适用于东莞工厂LCD部门关于设备运营的整个保全业务第三条(用语的定义)1.PM(PREVENTIVEMAINTENANCE)PM是指事前防止设备故障的活动,一般指:定期检查、定期交换、设备改善、SPEC标准化、OVERHAUL、注油等保全活动,进行这些活动所需的时间叫PM活动工作时间2.BM(BREAK-DOWNMAINTENANCE)BM是指修复由于发生突发性事故引起的故障部分的保全活动,可分为设备功能停止到设备修复为止无法生产的部分和虽然设备功能停止也能以手工作业可来进行生产的部分;从收到故障部分通报到保全人员采取措施为止全称为BM活动3.PC(PATROLCHECK)是指实施已计划的CHECKLIST活动或根据必要要求对工程设备进行PATROL(检查),同时进行保全活动工作内容4.MT(MADETIME)是指对设备制造有关的部件加工,设置,组装,试运转等所有保全活动的工作内容5.CM(CORRECTIVEMAINTENANCE)是指为得到比原有设备更高的功能与效率,进行改善所需的保全工作的内容登记号:DQA-1411改定号:0PAGE:16/19第四条(设备保全方针)加强设备保全组织和自主保全活动为基础的改良保全,达到品质革新、安全事故、预防及原价节减,从根本上达到全体设备预防保全为其目的第五条(设备保全的程序开展)标准名设备保全规定登记号改定号PAGEDQA-441533/25生产计划设定保全目标11.以上1,2,3,4项是基本的设备管理STEP,应成为达成生产计划的目标登记号:DQA-1411改定号:0PAGE:16/192.5项是指对实施的结果必须留下记录,一些重大故障及其它的必要部分要进行原因分析及技术性解释3.1,2项的FEEDBACK是为改善活动及目标的再设定而做的4.以上各功能是为形成设备保全SYSTEM,所必要的功能.第二章设备保全业务体系第六条(集中保全组织)注油标准重点设备的选定及重点部分检查标准注油计划检查计划检查实施作业邀请修理实施注油实施备品管理2345修理检查修理记录故障记录故障分析突发故障6检查记录注油记录改良保全作业改善预防保全保全预防测定保全效果(分析改善方向)78910标准名设备保全规定登记号改定号PAGEDQA-441534/25技总经理LCD部门副总经理生产科经理登记号:DQA-1411改定号:0PAGE:16/19第七条(保全功能别业务系统图)技排管,制管,用力,电力设计技术部门、公务科支援标准名设备保全规定登记号改定号PAGEDQA-441535/25设备机械PART保全1.定期检查及整顿2.邀请作业、保全支援及促...

1、当您付费下载文档后,您只拥有了使用权限,并不意味着购买了版权,文档只能用于自身使用,不得用于其他商业用途(如 [转卖]进行直接盈利或[编辑后售卖]进行间接盈利)。
2、本站所有内容均由合作方或网友上传,本站不对文档的完整性、权威性及其观点立场正确性做任何保证或承诺!文档内容仅供研究参考,付费前请自行鉴别。
3、如文档内容存在违规,或者侵犯商业秘密、侵犯著作权等,请点击“违规举报”。

碎片内容

设备保全规定(doc 32)

中小学教育精品资料+ 关注
实名认证
内容提供者

中小学教育资料,优质文档创作者

确认删除?
VIP
微信客服
  • 扫码咨询
会员Q群
  • 会员专属群点击这里加入QQ群
客服邮箱
回到顶部