电脑桌面
添加小米粒文库到电脑桌面
安装后可以在桌面快捷访问

天煌自动生产线VIP专享VIP免费

天煌自动生产线_第1页
1/39
天煌自动生产线_第2页
2/39
天煌自动生产线_第3页
3/39
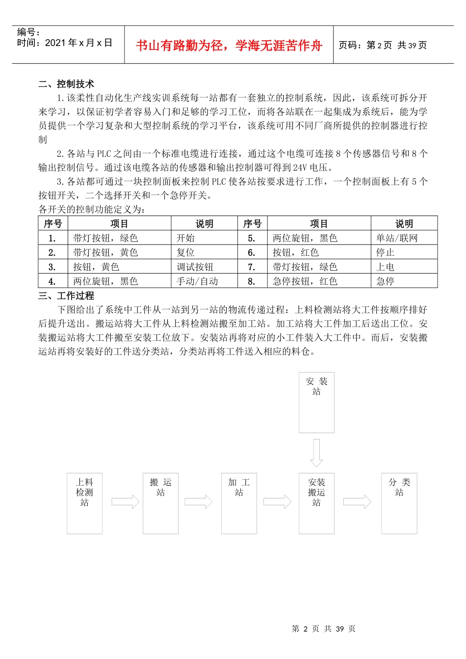
第0页共39页编号:时间:2021年x月x日书山有路勤为径,学海无涯苦作舟页码:第0页共39页目录第一章网络型模块式柔性自动化生产线实训系统介绍................................2第一节系统结构.............................................................2第二节自动化生产线教学系统可进行的培训.....................................4第二章网络控制方案............................................................5第一节Profibus-DP网络.....................................................5第三章实训项目................................................................7第一节STEP7MICROWIN软件的使用...........................................7第二节上料检测站(第一站)................................................9第三节搬运站(第二站)...................................................10第四节加工站(第三站)...................................................12第五节安装站(第四站)...................................................14第六节安装搬运站(第五站)...............................................16第七节分类站(第六站)...................................................18第八节六站联网...........................................................20第九节触摸屏监控.........................................................30第十节MCGS组态监控.......................................................37第1页共39页第0页共39页编号:时间:2021年x月x日书山有路勤为径,学海无涯苦作舟页码:第1页共39页第一章网络型模块式柔性自动化生产线实训系统介绍第一节系统结构柔性自动化生产线实训系统是我公司为提高学生动手能力和实践技能而设计、生产的一套实用性实训设备。该装置由六套各自独立而又紧密相连的工作站和一套监控站组成。这六站分别为:上料检测站、搬运站、加工站、安装站、安装搬运站和分类站。该实训装置的一大显著特点是:具有较好的柔性,即每站各有一套PLC控制系统独立控制。将六个模块分开培训可以容纳较多的学员同时学习。在基本单元模块培训完成以后,通过组建PLC网络,又可以将相邻的两站、三站……直至六站连在一起,学习复杂系统的控制、编程、装配和调试技术。由于该系统囊括了机电一体化等专业学习中所涉及的诸如电机驱动、气动、PLC(可编程控制器)、传感器等多种技术,给学生提供了一个典型的综合操作平台,使学生将学过的各门专业知识在这里得到全面认识、综合训练和相互提升。一、各站简介1.上料检测站由料斗、回转台、工件滑道、提升装置、检测工件和颜色的光电开关、开关电源、可编程序控制器、按钮、I/O接口板、直流减速电机、电磁阀及SMC气缸组成,主要完成回传上料台将工件依次送到检测工位,提升装置将工件提升并检测工件颜色。2.搬运站由机械手、气爪、回转台、电感式传感器、开关电源、可编程序控制器、按钮、I/O接口板、多种类型电磁阀及SMC气缸组成,主要完成将工件从上站搬至下一站。3.加工站由回转工作台、打孔电机组件、检测缸组件、检测工件转台到位传感器、开关电源、可编程序控制器、按钮、I/O接口板、直流减速电机、多种类型电磁阀及SMC气缸组成,主要完成用回转工作台将工件在四个工位间转换,钻孔单元打孔,检测打孔深度。4.安装站由吸盘机械手、上下摇臂部件、料仓换位部件、工件推出部件、真空发生器、开关电源、可编程序控制器、按钮、I/O接口板、多种类型电磁阀及SMC气缸组成,主要完成选择要安装工件的料仓,将工件从料仓中推出,将工件安装到位。5.安装搬运站由平移工作台、回转工作台、塔吊臂、机械手、气爪、开关电源、可编程序控制器、按钮、I/O接口板、多种类型电磁阀及SMC气缸组成,主要完成将上站工件拿起放入安装工位,将装好工件拿起放下一站。7.分类站由滚珠丝杠、滑杠推出部件、分类料仓、开关电源、可编程序控制器、按钮、I/O接口板、步进电机及驱动器、直流减速电机、电磁阀及SMC气缸组成,主要完成按工件类型分类,将...

1、当您付费下载文档后,您只拥有了使用权限,并不意味着购买了版权,文档只能用于自身使用,不得用于其他商业用途(如 [转卖]进行直接盈利或[编辑后售卖]进行间接盈利)。
2、本站所有内容均由合作方或网友上传,本站不对文档的完整性、权威性及其观点立场正确性做任何保证或承诺!文档内容仅供研究参考,付费前请自行鉴别。
3、如文档内容存在违规,或者侵犯商业秘密、侵犯著作权等,请点击“违规举报”。

碎片内容

天煌自动生产线

中小学教育精品资料+ 关注
实名认证
内容提供者

中小学教育资料,优质文档创作者

确认删除?
VIP
微信客服
  • 扫码咨询
会员Q群
  • 会员专属群点击这里加入QQ群
客服邮箱
回到顶部