电脑桌面
添加小米粒文库到电脑桌面
安装后可以在桌面快捷访问

基于PLC控制的自动断电插排图纸分析研究 电气自动化专业VIP专享

基于PLC控制的自动断电插排图纸分析研究  电气自动化专业_第1页
1/4
基于PLC控制的自动断电插排图纸分析研究  电气自动化专业_第2页
2/4
基于PLC控制的自动断电插排图纸分析研究  电气自动化专业_第3页
3/4
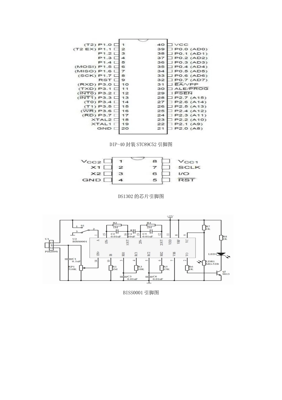
DIP-40 封装 STC89C52 引脚图DS1302 的芯片引脚图BISS0001 引脚图单片机最小系统仿真图40VCC39P0038P0137P0236P0335P0434P0533P0632P0731EA302928P2727P2626P2525P2424P2323P2222P2121P201P102P113P124P135P146P157P168P179RESET10P3011P3112P3213P3314P3415P3516P3617P3718X119X220GNDE1AT89C511VSS2VDD3VO4RS/CS5R/W6E/CLK7D08D19D210D311D412D513D614D715PSB16NC17RST18NC19A20KE2LCD12864R1R2R3R4R5R6R7R8R9VCCC133pC233p+5V10KVCCVCCQC12864B 电路连接图40VCC39P0038P0137P0236P0335P0434P0533P0632P0731EA302928P2727P2626P2525P2424P2323P2222P2121P201P102P113P124P135P146P157P168P179RESET10P3011P3112P3213P3314P3415P3516P3617P3718X119X220GNDE1AT89C51C133pC233pR20C310uFS0VCCVCC1Q2GND3R1APIRVCCQ49013R241KR2510KVCCHS-SR501 模块电路原理图40VCC39P0038P0137P0236P0335P0434P0533P0632P0731EA302928P2727P2626P2525P2424P2323P2222P2121P201P102P113P124P135P146P157P168P179RESET10P3011P3112P3213P3314P3415P3516P3617P3718X119X220GNDE1AT89C51C133pC233pQ1NPNK1RELAY-SPSTK2RELAY-SPSTR20Q2NPND5D41KC3R21S0VCCVCCR221KK3RELAY-SPSTD6Q3NPNR231KP10P11P12继电器控制电路40VCC39P0038P0137P0236P0335P0434P0533P0632P0731EA302928P2727P2626P2525P2424P2323P2222P2121P201P102P113P124P135P146P157P168P179RESET10P3011P3112P3213P3314P3415P3516P3617P3718X119X220GNDE1AT89C51C133pC233pR20C3S0S1S2S3S4S5S6S7S8S9S10S11S12S13S14S15S16P30P31P32P33P34P35P36P37R16R15R14R13VCCVCC10K10K10K10K矩阵按键电路原理图LCD12864 读操作时序图vcc11x12x23GND4REST5I/O6SCLK7vcc28JP1DS1302R12R10R1110KBT132.768HZVCCP35P36P34DS1302 电路原理图

1、当您付费下载文档后,您只拥有了使用权限,并不意味着购买了版权,文档只能用于自身使用,不得用于其他商业用途(如 [转卖]进行直接盈利或[编辑后售卖]进行间接盈利)。
2、本站所有内容均由合作方或网友上传,本站不对文档的完整性、权威性及其观点立场正确性做任何保证或承诺!文档内容仅供研究参考,付费前请自行鉴别。
3、如文档内容存在违规,或者侵犯商业秘密、侵犯著作权等,请点击“违规举报”。

碎片内容

基于PLC控制的自动断电插排图纸分析研究 电气自动化专业

您可能关注的文档

文章天下+ 关注
实名认证
内容提供者

各种文档应有尽有

确认删除?
VIP
微信客服
  • 扫码咨询
会员Q群
  • 会员专属群点击这里加入QQ群
客服邮箱
回到顶部